Metronomo con NE 555
Moderatori:
carloc,
g.schgor,
BrunoValente,
IsidoroKZ
28 messaggi
• Pagina 3 di 3 • 1, 2, 3
0
voti
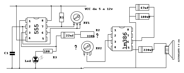
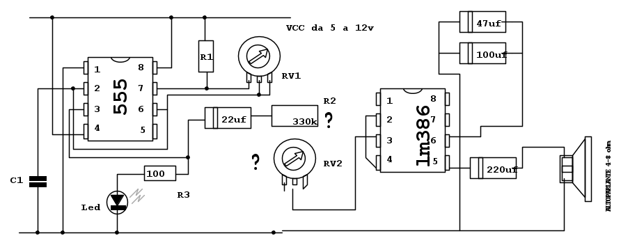
POSSO SFRUTTARE LO SCHEMA PROPOSTO AL SEGUENTE LINK http://officinahf.jimdo.com/audio/ampli ... con-lm386/ TOGLIENDO IL CONDENSATORE DA 22 mF E QUINDI PORTANDO QUEL PUNTO ALL'INGRESSO DEL LM386 ?
0
voti
Non scrivere in maiuscolo, leggi le regole del forum.
Il condensatore da 22uF lo devi lasciare, (anche se diventa di valore abbondante, ma non è un problema) ma tra questo e l'input dell'ampli, sul terminale libero del potenziometro R3, devi inserire la resistenza da 330K
Il condensatore da 22uF lo devi lasciare, (anche se diventa di valore abbondante, ma non è un problema) ma tra questo e l'input dell'ampli, sul terminale libero del potenziometro R3, devi inserire la resistenza da 330K
Alberto
La vita è come una bicicletta, devi sempre pedalare per rimanere in equilibrio
Annuncio sempre valido: http://www.electroyou.it/forum/viewtopic.php?f=10&t=62668
La vita è come una bicicletta, devi sempre pedalare per rimanere in equilibrio
Annuncio sempre valido: http://www.electroyou.it/forum/viewtopic.php?f=10&t=62668
-

AlbertoBianchi
2.009 3 5 - Master

- Messaggi: 836
- Iscritto il: 4 dic 2014, 18:30
- Località: Lastra a Signa (FI)
0
voti
P.s. Hai per caso provato a soddisfare la mia curiosità di vedere che accade decuplicando il valore del resistore in serie al LED ?
"Non farei mai parte di un club che accettasse la mia iscrizione" (G. Marx)
-

claudiocedrone
21,3k 4 7 9 - Master EY

- Messaggi: 15302
- Iscritto il: 18 gen 2012, 13:36
1
voti
Carissimi del forum intanto voglio ringraziarvi per la vostra collaborazione, avete inteso che sono alle prime armi, quindi vi ringrazio anche per i richiami che mi fate sono molto graditi.. il "semplice circuito" dovrebbe darmi la possibilità di "ascoltare il segnale oscillante e regolare tale suono tra un min e un max grazie al potenziometro RV2".
Certo mi piacerebbe sapere come calcolare i valori di R2 - RV2 , come collegarli per avere un segnale più o meno buono ... Alberto mi ha dato delle buone dritte ma spero di non pretendere molto se gli chiedo di aiutarmi scendendo ad un livello più basso.
Io stò ragionando in questo modo: il led lampeggia e senza amplificare il segnale si sente un debolissimo rumore intermittente ora suppongo che per avere un segnale più udibile debba essere amplificato lm386 funziona ed infatti il segnale è aumentato ma non è più intermittente del led non si percepisce l'oscillazione.....forse sbaglio a collegare la R2 e RV2 ... ma vorrei capire quale approccio teorico devo portare avanti ? Grazie
0
voti
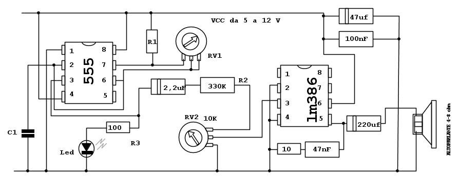
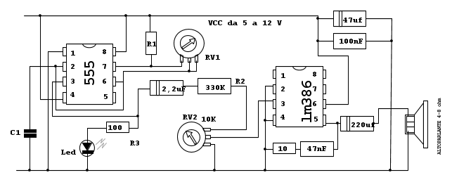
e del potenziometro che comunque è semplice; il terminale centrale all'ingresso dell'integrato, un estremo al resistore da 330
e l'altro al ramo negativo di alimentazione (riferimento equipotenziale)... innanzitutto non si capisce quale dei tre diversi schemi per lo LM386 hai seguito (si direbbe che tu ne abbia tratto una personale rivisitazione ibridandoli 
"Non farei mai parte di un club che accettasse la mia iscrizione" (G. Marx)
-

claudiocedrone
21,3k 4 7 9 - Master EY

- Messaggi: 15302
- Iscritto il: 18 gen 2012, 13:36
1
voti
Alberto
La vita è come una bicicletta, devi sempre pedalare per rimanere in equilibrio
Annuncio sempre valido: http://www.electroyou.it/forum/viewtopic.php?f=10&t=62668
La vita è come una bicicletta, devi sempre pedalare per rimanere in equilibrio
Annuncio sempre valido: http://www.electroyou.it/forum/viewtopic.php?f=10&t=62668
-

AlbertoBianchi
2.009 3 5 - Master

- Messaggi: 836
- Iscritto il: 4 dic 2014, 18:30
- Località: Lastra a Signa (FI)
0
voti
GRAZIE ALBERTO PER IL TUO AIUTO
STO CERCANDO DI CAPIRE IL SIGNIFICATO DEI VARI COMPONENTI CHE HAI APPORTATO ALLO SCHEMA ED I RELATIVI VALORI ..... SE VUOI APPORTARE UN BREVE COMMENTO NE SAREI LIETO...
STO CERCANDO DI CAPIRE IL SIGNIFICATO DEI VARI COMPONENTI CHE HAI APPORTATO ALLO SCHEMA ED I RELATIVI VALORI ..... SE VUOI APPORTARE UN BREVE COMMENTO NE SAREI LIETO...
0
voti

"Non farei mai parte di un club che accettasse la mia iscrizione" (G. Marx)
-

claudiocedrone
21,3k 4 7 9 - Master EY

- Messaggi: 15302
- Iscritto il: 18 gen 2012, 13:36
28 messaggi
• Pagina 3 di 3 • 1, 2, 3
Chi c’è in linea
Visitano il forum: Nessuno e 55 ospiti

Elettrotecnica e non solo (admin)
Un gatto tra gli elettroni (IsidoroKZ)
Esperienza e simulazioni (g.schgor)
Moleskine di un idraulico (RenzoDF)
Il Blog di ElectroYou (webmaster)
Idee microcontrollate (TardoFreak)
PICcoli grandi PICMicro (Paolino)
Il blog elettrico di carloc (carloc)
DirtEYblooog (dirtydeeds)
Di tutto... un po' (jordan20)
AK47 (lillo)
Esperienze elettroniche (marco438)
Telecomunicazioni musicali (clavicordo)
Automazione ed Elettronica (gustavo)
Direttive per la sicurezza (ErnestoCappelletti)
EYnfo dall'Alaska (mir)
Apriamo il quadro! (attilio)
H7-25 (asdf)
Passione Elettrica (massimob)
Elettroni a spasso (guidob)
Bloguerra (guerra)


