cfr foto allegate!
Amplificare segnale sensore
Moderatori:
carloc,
g.schgor,
BrunoValente,
IsidoroKZ
0
voti
Con alimentazione sbilanciata, la situazione peggiora....
cfr foto allegate!

cfr foto allegate!
1
voti
fui86 ha scritto:Il problema che mi pongo è: perché dopo il primo stadio il segnale riportato a 0V di offset mi arriva amplificato? considerando che è uno stadio di buffer?
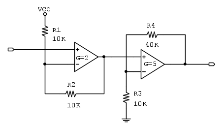
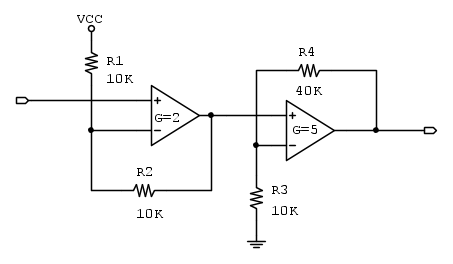
Essendo un amplificatore non invertente il guadagno non è pari a R2/R1 ma a 1+ R2/R1 quindi nel nostro caso 2; ma per te non è un problema visto che devi amplificare il segnale.
fui86 ha scritto:Con alimentazione sbilanciata, la situazione peggiora....
Colpa mia, come secondo stadio ho lasciato l'amplificatore invertente di prima.
Le semionde positive all'uscita del primo operazionale diventerebbero quelle negative all' uscita del secondo, ma mancando l'alimentazione negativa non possono essere amplificate e rimane tutto a zero.
Occorre fare il secondo stadio in versione non invertente.
Alberto
La vita è come una bicicletta, devi sempre pedalare per rimanere in equilibrio
Annuncio sempre valido: http://www.electroyou.it/forum/viewtopic.php?f=10&t=62668
La vita è come una bicicletta, devi sempre pedalare per rimanere in equilibrio
Annuncio sempre valido: http://www.electroyou.it/forum/viewtopic.php?f=10&t=62668
-

AlbertoBianchi
2.009 3 5 - Master

- Messaggi: 836
- Iscritto il: 4 dic 2014, 18:30
- Località: Lastra a Signa (FI)
0
voti
Sicuramente è più lineare ora...
il problema è che c'è sempre un minimo di offset che amplificato è comunque importante.
Probabilmente si potrebbe risolvere con un trimmer da 10K messo in serie alle 2 resistenze R15 e R16 con il centrale sul pin dell'opamp, che ne pensi?
il problema è che c'è sempre un minimo di offset che amplificato è comunque importante.
Probabilmente si potrebbe risolvere con un trimmer da 10K messo in serie alle 2 resistenze R15 e R16 con il centrale sul pin dell'opamp, che ne pensi?
0
voti
Secondo me, l'uscita non può scendere a zero, specie con singola l'alimentazione.
A me piace di più l'uscita centrata attorno all' offset di 2,5 V. Gli operazionali lavorano sempre in linearità e il convertitore acquisisce un numero corrispondente a una tensione fra supponiamo 3,5 e 1,5 V.
Ci pensa poi il software a rilevare il massimo , il minimo, depurarlo del valore medio e ricavare l'escursione picco-picco e calcolare il vero valore efficace se riesce ad acquisire i campioni almeno ogni millisecondo.
Forse puoi rilevare la presenza di distorsione di 2 e 3 ordine.
Con che precisione vuoi misurare il valore efficace ?
Puoi confrontare la tensione con la corrente misurata da uno strumento di riferimento a vero valore efficace?
A me piace di più l'uscita centrata attorno all' offset di 2,5 V. Gli operazionali lavorano sempre in linearità e il convertitore acquisisce un numero corrispondente a una tensione fra supponiamo 3,5 e 1,5 V.
Ci pensa poi il software a rilevare il massimo , il minimo, depurarlo del valore medio e ricavare l'escursione picco-picco e calcolare il vero valore efficace se riesce ad acquisire i campioni almeno ogni millisecondo.
Forse puoi rilevare la presenza di distorsione di 2 e 3 ordine.
Con che precisione vuoi misurare il valore efficace ?
Puoi confrontare la tensione con la corrente misurata da uno strumento di riferimento a vero valore efficace?
0
voti
Purtroppo marco con un A/D a 10Bit (l'MCP3008) e un vRef a 3.3V con un'escursione su un offset di 2.5V è un problema per segnali piccoli dell'ordine dei 10-30mV.
Ho provato a pulirlo il più possibile con il software ma sono troppi pochi bit per riuscire a discriminare un valore corretto.
Ho provato a pulirlo il più possibile con il software ma sono troppi pochi bit per riuscire a discriminare un valore corretto.
0
voti
MarcoD ha scritto:Secondo me, l'uscita non può scendere a zero, specie con singola l'alimentazione.
c'è sicuramente del vero...
proverei l' LM358 (anche se ha altri inconvenienti a livello di modo comune e Voh)
il datasheet dice: "Output Voltage Can Also Swing to Ground even though Operated from Only a Single Power Supply Voltage"
Mi sembre di aver capito che il residuo Vol si attesti sui 5mV typ. Stasera quando rientro lo guardo meglio....
Alberto
La vita è come una bicicletta, devi sempre pedalare per rimanere in equilibrio
Annuncio sempre valido: http://www.electroyou.it/forum/viewtopic.php?f=10&t=62668
La vita è come una bicicletta, devi sempre pedalare per rimanere in equilibrio
Annuncio sempre valido: http://www.electroyou.it/forum/viewtopic.php?f=10&t=62668
-

AlbertoBianchi
2.009 3 5 - Master

- Messaggi: 836
- Iscritto il: 4 dic 2014, 18:30
- Località: Lastra a Signa (FI)
0
voti
Eseguita simulazione con l'LM358.
In allegato i risultati.
Vorrei porre 2 quesiti:
1- come posso stimare i condensatori da mettere in parallelo al trimmer per l'offset?
2- Conviene metterlo un condensatore in parallelo sulla seconda retroazione per eliminare rumore? Di quanto?
3- Potrei pensare di inserire un condensatore in serie all'uscita per eliminare quel minimo di offset e prendere solo l'alternata?
In allegato i risultati.
Vorrei porre 2 quesiti:
1- come posso stimare i condensatori da mettere in parallelo al trimmer per l'offset?
2- Conviene metterlo un condensatore in parallelo sulla seconda retroazione per eliminare rumore? Di quanto?
3- Potrei pensare di inserire un condensatore in serie all'uscita per eliminare quel minimo di offset e prendere solo l'alternata?
0
voti
Sto seguendo questa discussione con interesse, perché è molto probabile che mi serva presto questa applicazione e volevo vedere l' affidabilità, soprattuto , appunto a bassi assorbimenti di corrente del carico
Non intervengo perché in fondo anch'io sono un profano in materia e resto in ascolto
Da queste 3 considerazioni, si potrebbe, per esempio, mantenere un offset sul segnale di ( per esempio ) 500mV ( all' uscita del primo operazionale del circuito di
AlbertoBianchi) e poi toglierlo via software ?
Manterremmo una zona lineare all' operazionale e abbastanza bit al convertitore, o no ?
Non so se ho detto una cosa giusta, ma il tentativo è quello di apportare un' idea.
Aspettiamo anche il responso di
AlbertoBianchi sul LM358,
Non intervengo perché in fondo anch'io sono un profano in materia e resto in ascolto
MarcoD ha scritto:A me piace di più l'uscita centrata attorno all' offset di 2,5 V. Gli operazionali lavorano sempre in linearità e il convertitore acquisisce un numero corrispondente a una tensione fra supponiamo 3,5 e 1,5 V.
Ci pensa poi il software a rilevare il massimo , il minimo, depurarlo del valore medio e ricavare l'escursione picco-picco e calcolare il vero valore efficace ...
fui86 ha scritto:Purtroppo marco con un A/D a 10Bit (l'MCP3008) e un vRef a 3.3V con un'escursione su un offset di 2.5 V è un problema per segnali piccoli dell'ordine dei 10-30mV.
AlbertoBianchi ha scritto:proverei l' LM358 (anche se ha altri inconvenienti a livello di modo comune e Voh)
il datasheet dice: "Output Voltage Can Also Swing to Ground even though Operated from Only a Single Power Supply Voltage"
Mi sembre di aver capito che il residuo Vol si attesti sui 5mV typ. Stasera quando rientro lo guardo meglio....
Da queste 3 considerazioni, si potrebbe, per esempio, mantenere un offset sul segnale di ( per esempio ) 500mV ( all' uscita del primo operazionale del circuito di
Manterremmo una zona lineare all' operazionale e abbastanza bit al convertitore, o no ?
Non so se ho detto una cosa giusta, ma il tentativo è quello di apportare un' idea.
Aspettiamo anche il responso di
0
voti
1- come posso stimare i condensatori da mettere in parallelo al trimmer per l'offset?
2- Conviene metterlo un condensatore in parallelo sulla seconda retroazione per eliminare rumore? Di quanto?
3- Potrei pensare di inserire un condensatore in serie all'uscita per eliminare quel minimo di offset e prendere solo l'alternata?
Secondo me hai molto rumore sul +5V alimentazione sensore, se il +5V alimenta anche la parte digitale.
Potresti alimentarlo con un 7805 filtrato alimentato dal +12 V
1)
Se la massima frequenza utile è 50 Hz, e il cursore del trimmer ha una resistenza equivalente di 1000 ohm
il condensatore a 50 Hz deve avere una reattanza almeno uguale X=1/(6,28*50*C), ricavi C.
Secondo me serve a poco.
2)
La rettanza a 50 Hz del condensatore potrebbe essere uguale alla resistenza di reazione.
Ma è discutibile. Adoperi il circuito solo a 50 Hz?
3) Si, potresti mettere un condensatore da 0,5 uF (valore a naso) in serie all'uscita del sensore,
toglie il 2,5V di offset, potresti poi amplificare in alternata, ma attento ai tempi di assestamento,
e forse commetti errori nella misura di correnti distorte. Sei sicuro che la corrente sia sempre sinusoidale?
Hai scritto che Il sensore ACS712 ha +/-5A nominali fondo scala, sensibilità 0,185 V/A con valore di zero 2,5 V
5A >> 0,185*(+/-5) = circa 1V ossia uscita da 1,5 a 3,5 V.
Se lo usi per correnti molto minori, il sensore è poco adatto. Per quale fondo scala ti interessa?
Il converter 10 bit ha 1024 valori da 0 a 5V , circa 5mV per bit.
(saluti a

1
voti
Ciao Marco,
si praticamente è sempre a 50Hz perché devo misurare consumi di frigoriferi, lampadine, ciabatte: praticamente parliamo di 100W di picco in alcuni punti (anche fino a 30-50W).
Per i condensatori pensi sia corretto per il trimmer a 1K però non so se riesco con quello a variare la tensione di riferimento per gestirmi l'offset.
si praticamente è sempre a 50Hz perché devo misurare consumi di frigoriferi, lampadine, ciabatte: praticamente parliamo di 100W di picco in alcuni punti (anche fino a 30-50W).
Per i condensatori pensi sia corretto per il trimmer a 1K però non so se riesco con quello a variare la tensione di riferimento per gestirmi l'offset.
Chi c’è in linea
Visitano il forum: Nessuno e 269 ospiti

Elettrotecnica e non solo (admin)
Un gatto tra gli elettroni (IsidoroKZ)
Esperienza e simulazioni (g.schgor)
Moleskine di un idraulico (RenzoDF)
Il Blog di ElectroYou (webmaster)
Idee microcontrollate (TardoFreak)
PICcoli grandi PICMicro (Paolino)
Il blog elettrico di carloc (carloc)
DirtEYblooog (dirtydeeds)
Di tutto... un po' (jordan20)
AK47 (lillo)
Esperienze elettroniche (marco438)
Telecomunicazioni musicali (clavicordo)
Automazione ed Elettronica (gustavo)
Direttive per la sicurezza (ErnestoCappelletti)
EYnfo dall'Alaska (mir)
Apriamo il quadro! (attilio)
H7-25 (asdf)
Passione Elettrica (massimob)
Elettroni a spasso (guidob)
Bloguerra (guerra)





