Cos'è ElectroYou | Login Iscriviti

ElectroYou - la comunità dei professionisti del mondo elettrico

Eliminare le scintille in un interruttore automatizzato

Trasformatori, macchine rotanti ed azionamenti

Moderatori: Foto UtenteSandroCalligaro, Foto Utentemario_maggi, Foto Utentefpalone

1
voti

[1] Eliminare le scintille in un interruttore automatizzato

Messaggioda Foto UtenteElectronictube » 4 apr 2016, 15:37

Buonasera,
vi spiego brevemente la mia situazione!
Sono un ragazzo di quinta superiore e per la tesina ho voluto costruire un rocchetto di Ruhmkorff. Questo è costituito da due avvolgimenti: il primario è in corrente continua e, aprendosi e chiudendosi molto velocemente, genera una fem alternata nel secondario.
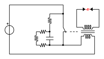
L'apertura e la chiusura del circuito primario sono elettromeccaniche. Ovvero, quando il circuito è chiuso, l'avvolgimento primario genera un campo magnetico che attrae a sé la lamina che chiude il circuito. Facendo questo il circuito, si apre e smette di passare corrente e anche il campo cessa. La lamina torna, allora, nella sua posizione di riposo, chiudendo nuovamente il circuito e generando nella bobina un nuovo campo magnetico che riaprirà ancora il contatto e così via. Il problema è che all'apertura e chiusura del primario si generano delle scintille (ho visto trattarsi di transienti elettrici) che ostacolano e rallentano l'apertura e la chiusura stessa del circuito. Tale problema è riducibile mettendo dei condensatori in parallelo all'interruttore stesso. La mia domanda è: esiste, o è possibile trovare, una relazione che lega l'corrente del circuito alla capacità che il condensatore deve avere? Mi piacerebbe sapere tale relazione in modo da ottimizzare al meglio l'interruttore elettromeccanico ed avere, così, una maggiore tensione nel circuito secondario ed un'usura minore dei contatti dell'interruttore stesso.
Grazie dell'aiuto che sono sicuro mi potrete dare! :D :D :D
Avatar utente
Foto UtenteElectronictube
20 1 4
 
Messaggi: 13
Iscritto il: 27 mar 2016, 12:53

2
voti

[2] Re: Eliminare le scintille in un interruttore automatizzato

Messaggioda Foto UtenteGuidoB » 5 apr 2016, 1:16

Io non so darti numeri certi, ma il criterio che dovresti usare è:
qual è il valore minimo del condensatore che permette di rallentare l'aumento di tensione ai suoi capi a un valore insufficiente a provocare la ionizzazione dell'aria, nel tempo necessario ai contatti per allontanarsi a distanza di sicurezza?

Come tempo per distanziarsi io considererei uno o pochi millisecondi, e come tensione massima alla distanza di sicurezza dovresti guardare le caratteristiche dei contatti. Io prudenzialmente considererei 100 V o anche 30 V.

Il rocchetto si può schematizzare come un induttore, che tende a mantenere costante la corrente che lo attraversa o, più precisamente,

\Delta I=\frac{1}{L}\int_{0}^{T}v(t)dt

Consideriamo poi l'equazione caratteristica del condensatore (lineare, per non complicarci la vita):

\Delta V=\frac{1}{C}\int_{0}^{T}i(t)dt

Guarda che belle, una è la duale dell'altra.

A questo punto ti serve la corrente di lavoro del tuo rocchetto al momento dell'apertura. Supponiamo che sia i(0)=3\,\textup{A} ,
la corrente finale i(T)=0 ,
l'andamento della corrente linearmente decrescente (non è vero, ma noi vogliamo una stima),
il tempo di apertura T=2\,\textup{ms} ,
la tensione massima alla distanza di sicurezza V=30\,\textup{V} .

Dalla seconda equazione otteniamo C=\frac{1}{\Delta V}\int_{0}^{T}i(t)dt .

Basta sostituire i valori numerici e una retta per i(t), e trovi il valore di C.

Lascio a te l'onere dei passaggi... ;-)

Credo che vengano 100\, \mu \textup{F}, che mi sembrano un po' tantini. Magari alza a 100\,\textup{V} la tensione massima alla distanza di sicurezza e riduci il tempo di apertura. Aggiusta i valori facendo qualche prova.

P.S. è l'una, spero di non aver scritto castronerie.

P.P.S. Una resistenza in serie al condensatore aiuterebbe a dissipare l'energia dell'induttore e ridurrebbe a valori prevedibili la corrente di scarica del condensatore al momento della richiusura del contatto (formerebbe insieme al condensatore uno snubber). Per un valore opportuno di questa resistenza vedi il link indicato, se mai ne riparliamo quando ho meno sonno.
Big fan of ƎlectroYou!       Ausili per disabili e anziani su ƎlectroYou
Caratteri utili: À È É Ì Ò Ó Ù α β γ δ ε η θ λ μ π ρ σ τ φ ω Ω º ª ² ³ √ ∛ ∜ ₀ ₁ ₂ ₃ ₄ ₅ ₆ ∃ ∄ ∆ ∈ ∉ ± ∓ ∾ ≃ ≈ ≠ ≤ ≥
Avatar utente
Foto UtenteGuidoB
17,8k 7 12 13
G.Master EY
G.Master EY
 
Messaggi: 2809
Iscritto il: 3 mar 2011, 16:48
Località: Madrid

0
voti

[3] Re: Eliminare le scintille in un interruttore automatizzato

Messaggioda Foto UtenteElectronictube » 5 apr 2016, 15:53

No no, quali castronerie, i tuoi ragionamenti filano tutti benissimo!
Comunque, hai ragione, ho fornito pochi dati!
La corrente in questione, come dicevi tu, è sui 3A (anche se sto pensando di portarla a 4A)(comunque la tengo in un range fra 2 e 4 A).
Il tempo di contatto non so quanto sia ma ti dico indicativamente che l'interruttore si apre e chiude con una frequenza intorno ai 30 Hz-50 Hz. Per quanto riguarda i punti di contatto, ti posso dire che sono in rame placcato d'argento.
Per quanto riguarda i risultati che ho ottenuto sinora, ti posso dire che ho usato due condensatori in parallelo da 0,33uF (la capacità equivalente è quindi sugli 0,66uF) con una corrente del primario di 3A.
In queste condizioni si presentavano un po' di scintille, ma molto di meno che senza i condensatori. Inoltre, anche l'ossidazione dei punti di contatto era inferiore, permettendo loro una durata maggiore e un ricambio degli stessi meno frequente.
P.S: per quanto riguarda la costruzione dello snubber, ho visitato il link che mi hai inviato ma non ho ben capito il primo passaggio e che cosa siano i 50 V (sono il limite massimo di tensione sopportabile dai contatti?)
Grazie per quanto mi hai detto finora, a presto O_/ :D
Avatar utente
Foto UtenteElectronictube
20 1 4
 
Messaggi: 13
Iscritto il: 27 mar 2016, 12:53

2
voti

[4] Re: Eliminare le scintille in un interruttore automatizzato

Messaggioda Foto UtenteGuidoB » 8 apr 2016, 2:24

Ciao, il primo passaggio serve per calcolare la corrente efficace:

\frac{5,25\,\textup{VA}}{24\, \textup{V}} = 220\,\textup{mA} .

Poi lui calcola il valore di picco della corrente alternata moltiplicando la corrente efficace per \sqrt{2} , ottenendo 310\, \textup{mA}.

Se tu lavori in continua il valore di picco è uguale al valore efficace e non devi moltiplicare.

Il contatto che usa è da 60 V, quindi utilizza 50 V come valore prudenziale massimo da ottenere sulla resistenza quando è attraversata dalla corrente di picco nei primissimi momenti dell'apertura del contatto, quindi con le lamine ancora vicinissime:

\frac{50\, \textup{V}}{310\, \textup{mA}}\: =\: 160\, \Omega

Il calcolo che fa è diverso da quanto avevo fatto io col solo condensatore.
Io prudenzialmente supponevo che i 30 V (o 100 V) si potessero raggiungere solo con le lamine alla distanza di sicurezza, quindi completamente aperte. Appena aperte il condensatore garantisce una tensione tra le lamine di 0 V.

Lui invece considera che i 50 V si possono raggiungere fin dai primissimi momenti dell'apertura. Se non fosse così non si potrebbero costruire degli snubber come R+C in serie, quindi direi di fare il calcolo come dice lui.

Mentre il condensatore si carica la tensione ai suoi capi aumenta.
La tensione ai capi della resistenza invece (almeno inizialmente) diminuisce, perché la corrente nella serie resistenza-condensatore inizialmente diminuisce.

La tensione sulla serie resistenza-condensatore sarà la somma di queste due tensioni.

L'andamento esatto di questa tensione si può calcolare conoscendo la corrente iniziale, la tensione di alimentazione, la resistenza, la capacità del condensatore e l'induttanza del rocchetto.
Essendoci due elementi reattivi (induttore e condensatore) bisognerebbe risolvere un'equazione differenziale del secondo ordine. Si studia in Analisi II, al secondo anno di università, e la tralasciamo.

Diciamo solo che l'andamento qualitativo della tensione tra le lamine all'apertura può essere uno di questi tre:

Sarà il primo, se la resistenza ha un valore molto alto rispetto al condensatore e all'induttore, altrimenti il secondo, o il terzo se la resistenza è molto bassa.

A questo punto, visto che hai a disposizione il prototipo ed i calcoli sono complessi, direi di procedere empiricamente.

Collega in parallelo al contatto una resistenza, per esempio da 200 Ω:

Il condensatore non c'è, è sostituito da un pezzo di filo. È come se avesse capacità infinita.

Trova il massimo valore di resistenza che puoi inserire senza che si producano scintille. Potrebbe essere qualche centinaio di ohm.

Poi prendi un valore di resistenza prudenziale, per esempio pari alla metà della resistenza trovata. Mettici in serie un condensatore da 100 nF.

Se si producono scintille aumenta la capacità, se no diminuiscila, finché trovi il valore minimo per cui le scintille non si producono.

Scegli per il condensatore definitivo una capacità pari al doppio del valore trovato.

La resistenza deve dissipare l'energia immagazzinata nell'induttore ad ogni apertura del contatto, quindi deve avere potenza sufficiente: non deve scaldarsi apprezzabilmente durante il funzionamento. Eventualmente ottienila con una serie di più resistenze uguali per reggere il picco di tensione che si produce.

Anche il condensatore deve avere una tensione di lavoro sufficiente, direi un migliaio di volt o anche più.

Così è come procederei io non avendo precisi dati a disposizione.

Attendi eventualmente altri interventi e idee.

Buona maturità :ok:
Big fan of ƎlectroYou!       Ausili per disabili e anziani su ƎlectroYou
Caratteri utili: À È É Ì Ò Ó Ù α β γ δ ε η θ λ μ π ρ σ τ φ ω Ω º ª ² ³ √ ∛ ∜ ₀ ₁ ₂ ₃ ₄ ₅ ₆ ∃ ∄ ∆ ∈ ∉ ± ∓ ∾ ≃ ≈ ≠ ≤ ≥
Avatar utente
Foto UtenteGuidoB
17,8k 7 12 13
G.Master EY
G.Master EY
 
Messaggi: 2809
Iscritto il: 3 mar 2011, 16:48
Località: Madrid

0
voti

[5] Re: Eliminare le scintille in un interruttore automatizzato

Messaggioda Foto UtenteElectronictube » 9 apr 2016, 0:28

Grazie mille, speriamo che l'esame vada bene!
Per quanto riguarda le delucidazioni che ti avevo chiesto ora ho capito tutto!
Inoltre, in giornata vado a fare delle prove nel laboratorio della mia scuola ed eseguirò i passaggi che mi hai suggerito. Ti terrò a conoscenza dei risultati che otterrò!
Qualitativamente, dovrei ottenere un grafico di V(t) con più oscillazioni possibili, cioè più simile al terzo grafico che hai postato nella risposta. Dico così perché ad ogni oscillazione è associata una variazione di flusso del campo magnetico del rocchetto. Con un maggior numero di oscillazioni la corrente indotta è maggiore e di conseguenza le scintille prodotte sono più lunghe.
Grazie davvero tanto per quanto fatto finora, a presto! :D :D
PS: se non ti disturba, potresti darmi un'idea maggiore riguardo l'esatto andamento di V(t)? Mi interessa molto la questione! :mrgreen:
Avatar utente
Foto UtenteElectronictube
20 1 4
 
Messaggi: 13
Iscritto il: 27 mar 2016, 12:53

0
voti

[6] Re: Eliminare le scintille in un interruttore automatizzato

Messaggioda Foto UtenteElectronictube » 9 apr 2016, 16:00

Buonasera,
allora, sono andato nel laboratorio della mia scuola e ho provato a seguire la procedura che mi avevi indicato. Sono partito dal mettere una resistenza in serie al condensatore ma le scintille rimanevano della stessa entità anche con valori di resistenza molto alti. Ho, quindi, operato solo con i condensatori. In particolare ho raddoppiato la capicità dei condensatori che già usavo. Sono passato da una capacità di 0,66 uF ad una di 1,32 uF. Con questa configurazione le scintille sono quasi scomparse anche se non del tutto. Secondo te, devo continuare operando in questo modo (cioè aumentare la capacità fino a quando non vedo che non ci sono più scintille)? Oppure una capacità troppo grande smorza troppo la corrente?
A presto e grazie ancora della disponibilità :D :D :D
Avatar utente
Foto UtenteElectronictube
20 1 4
 
Messaggi: 13
Iscritto il: 27 mar 2016, 12:53

0
voti

[7] Re: Eliminare le scintille in un interruttore automatizzato

Messaggioda Foto UtenteGuidoB » 9 apr 2016, 22:55

Ciao,
Electronictube ha scritto:le scintille rimanevano della stessa entità anche con valori di resistenza molto alti.

Con valori di resistenza troppo alti, all'apertura hai un picco di tensione alto e immediato (come nel primo dei grafici nel mio intervento precedente). Se interrompi 3 A e metti una resistenza da 10 Ω, dovresti contenere la tensione all'apertura a 30 V (legge di Ohm).

Poi, mentre il condensatore si carica e la corrente diminuisce (perché l'induttore si scarica), se il condensatore non è molto grande la tensione salirà ancora (caso 2 o 3 dei grafici che avevo fatto) ma intanto le lamine si allontaneranno e sarà più difficile che scocchi l'arco al primario.

Con un condensatore sufficientemente grande l'arco al primario non dovrebbe scoccare.

Electronictube ha scritto:una capacità troppo grande smorza troppo la corrente?

Se il condensatore è troppo grande, non si produce un picco alto di tensione ai capi dell'interruttore. La diminuzione di corrente non è abbastanza rapida, la tensione indotta sul secondario si riduce e non scocca la scintilla che vorresti.

La resistenza in serie serve anche a limitare la corrente di scarica del condensatore quando le lamine si richiudono. A causa dei rimbalzi delle lamine, se la corrente di scarica è troppo alta si potrebbero produrre scintille alla richiusura, che confonderebbero l'osservazione dei risultati.

Una "finezza" potrebbe essere quella di collegare in parallelo al condensatore una resistenza da 1 o 2 kΩ, per scaricare il condensatore mentre le lamine sono aperte ed evitare così scintille alla richiusura (anche senza la resistenza in serie). Il valore ottimale della resistenza in parallelo si potrebbe calcolare conoscendo la capacità del condensatore, la tensione massima ai suoi capi e il tempo durante il quale l'interruttore resta aperto. Comunque il valore non è tanto critico. Potrebbe convenire collegare varie resistenze in serie per ottenere 1 o 2 kΩ, in modo da suddividere l'alta tensione su più resistenze.
In realtà il condensatore può scaricarsi durante l'apertura anche attraverso il rocchetto e il generatore, e questo potrebbe potenziare la scintilla al secondario. Forse la resistenza in parallelo potrebbe indebolire le scintille al secondario. Con qualche prova potresti verificarlo.

A che tensione alimenti il rocchetto?

Electronictube ha scritto:Secondo te, devo continuare operando in questo modo (cioè aumentare la capacità fino a quando non vedo che non ci sono più scintille)?

Direi di continuare così, con una piccola resistenza in serie (una decina di ohm, più o meno, fai un po' di prove; oppure eliminala del tutto per evitare dissipazioni di energia, ed eventualmente aggiungi la resistenza da 1- 2 kΩ in parallelo al condensatore, per scaricarlo mentre le lamine sono aperte). Io metterei un condensatore leggermente più alto del minimo indispensabile per far sparire le scintille sull'interruttore.

C'è anche un altro aspetto: se scocca la scintilla sul secondario (ad alta tensione) la corrente sul primario dovrebbe crollare, quindi sarebbe più facile evitare la scintilla al primario.

Il dimensionamento del condensatore andrebbe fatto quindi con la scintilla al secondario che scocca regolarmente.

Electronictube ha scritto:Qualitativamente, dovrei ottenere un grafico di V(t) con più oscillazioni possibili, cioè più simile al terzo grafico che hai postato nella risposta. Dico così perché ad ogni oscillazione è associata una variazione di flusso del campo magnetico del rocchetto. Con un maggior numero di oscillazioni la corrente indotta è maggiore e di conseguenza le scintille prodotte sono più lunghe.

La cosa non è così semplice. In principio dovresti cercare di portarti nel caso del grafico 2 o 3, con il primo picco il più alto possibile. Questo va a braccetto con il fatto che il picco sia il più ritardato possibile (così le lamine dell'interruttore hanno avuto più tempo per distanziarsi e la tensione può essere più alta senza che scocchi l'arco al primario).

Condensatore più grande ==> picco più ritardato ma più basso.
Resistenza in serie più grande ==> picco più rialzato.
Resistenza in serie troppo grande ==> picco immediato e troppo rialzato (grafico 1) con scintilla che scocca al primario, dove non deve.


Non appena scocca la scintilla al secondario (ad alta tensione) la corrente al primario crolla, gran parte dell'energia si dissipa nella scintilla e l'andamento non è più quello del grafico. Quindi non ha senso cercare di portarsi necessariamente nel caso del grafico 3: anche il 2 va bene.

Electronictube ha scritto:potresti darmi un'idea maggiore riguardo l'esatto andamento di V(t)? Mi interessa molto la questione! :mrgreen:

Se cerchi con Google circuiti RLC del secondo ordine ti saltano fuori un mucchio di PDF che ne parlano, per esempio questo. Se non ci sono le basi per seguire la trattazione matematica, puoi andare direttamente a pag. 50 dove dà l'espressione delle soluzioni nei casi di risposta sovrasmorzata (somma di due esponenziali, grafico qualitativo simile al caso 1 o 2 nel mio intervento precedente), a smorzamento critico (prodotto di una retta crescente per un esponenziale, più un altro esponenziale, grafico qualitativo simile ancora al caso 1 o 2) e sottosmorzata (prodotto di una sinusoide per un esponenziale, grafico qualitativo simile al caso 3). Tralasciamo il caso senza perdite (risposta sinusoidale) perché in ogni caso, anche se non inserisci deliberatamente una resistenza, il rocchetto che è un induttore reale ha comunque una sua resistenza.

Electronictube ha scritto:Ti terrò a conoscenza dei risultati che otterrò!

Grazie, è interessante per tutti!
Big fan of ƎlectroYou!       Ausili per disabili e anziani su ƎlectroYou
Caratteri utili: À È É Ì Ò Ó Ù α β γ δ ε η θ λ μ π ρ σ τ φ ω Ω º ª ² ³ √ ∛ ∜ ₀ ₁ ₂ ₃ ₄ ₅ ₆ ∃ ∄ ∆ ∈ ∉ ± ∓ ∾ ≃ ≈ ≠ ≤ ≥
Avatar utente
Foto UtenteGuidoB
17,8k 7 12 13
G.Master EY
G.Master EY
 
Messaggi: 2809
Iscritto il: 3 mar 2011, 16:48
Località: Madrid

0
voti

[8] Re: Eliminare le scintille in un interruttore automatizzato

Messaggioda Foto UtenteElectronictube » 11 apr 2016, 20:31

Ciao, grazie mille per tutti i tuoi consigli e per la tempestività con cui me li dai! :D
Per quanto riguarda la tensione di alimentazione, l'ho cambiata più volte durante i test in laboratorio (usavo un generatore di corrente continua regolabile sia per quanto riguarda il tensione che per quanto riguarda l'corrente). Comunque, ho ottenuto i risultati migliori quando avevo una fem di dieci volt. Probabilmente, però, questa non sarà la fem che userò per il rocchetto, visto che le batterie (tipo quelle della FIAMM per antifurti) erogano 12 V.
Per quanto riguarda i tuoi ragionamenti, li ho capiti tutti.
Non so come abbia fatto, ma mi sono dimenticato di dire una cosa importantissima riguardo i test in laboratorio!!! Nel corso di questi, ad un certo punto, ho notato che gli elettrodi del rocchetto secondario non scaricavano più, o, meglio, le scintille avvenivano fra alcune spire, dalle quali si è rimosso lo strato isolante che le ricopriva. Il fatto che le scintille avvenissero prima può essere inteso come un buon segno secondo te (nel senso che la fem prodotta era così alta da aver prodotto la rottura dell'isolamento)?
Ad ogni modo, i risultati che ho ottenuto vanno presi con le pinze, visto che li ho ottenuti in tutte le condizioni che ti detto; li ripeterò non appena potrò :D
Avatar utente
Foto UtenteElectronictube
20 1 4
 
Messaggi: 13
Iscritto il: 27 mar 2016, 12:53

0
voti

[9] Re: Eliminare le scintille in un interruttore automatizzato

Messaggioda Foto UtenteGuidoB » 14 apr 2016, 0:19

Electronictube ha scritto:Ciao, grazie mille per tutti i tuoi consigli e per la tempestività con cui me li dai! :D

...faccio quello che posso... prego!

Electronictube ha scritto:...ad un certo punto, ho notato che gli elettrodi del rocchetto secondario non scaricavano più, o, meglio, le scintille avvenivano fra alcune spire, dalle quali si è rimosso lo strato isolante che le ricopriva.

Ahi ahi ahi... sembra che l'alta tensione abbia perforato l'isolante.
Andrebbe ripristinato, ma non so se potrebbe bastare verniciare il secondario con uno smalto isolante (sperando che le varie spire si siano mantenute a distanza e lo smalto venga risucchiato negli interstizi) o bisogna proprio riavvolgerlo.

Tra l'altro il secondario non andrebbe avvolto a lunghi strati sovrapposti. Così facendo, tra l'inizio di uno strato e la fine del successivo (che è giusto sopra) verrebbero a trovarsi tensioni molto alte.

L'accorgimento per evitare questo problema è di avvolgere il secondario a "sezioni": ciascuna sezione è formata da tanti strati da poche spire ciascuno. Ogni sezione quindi è alta e stretta. Tra una sezione e la successiva si inserisce uno strato isolante. In questo modo le differenze di potenziale all'interno di ogni singola sezione sono limitate.

Electronictube ha scritto:Il fatto che le scintille avvenissero prima può essere inteso come un buon segno secondo te

Sì, se intendi dire che "prima" il rocchetto funzionava.

Electronictube ha scritto:(nel senso che la fem prodotta era così alta da aver prodotto la rottura dell'isolamento)?

Questa non l'ho capita. Il rocchetto si è rotto, forse a causa della f.e.m. troppo alta (che magari non poteva scaricarsi perché le apposite punte erano troppo lontane).

Forse la f.e.m. era troppo altra perché hai sparato una corrente troppo alta nel primario e/o perché l'hai interrotta così bene (usando il condensatore per prevenire le scintille) che la f.e.m. indotta nel secondario era più alta.

Ma magari si è rotto perché non è ben fatto/ben isolato, o l'isolante si è deteriorato negli anni.

Purtroppo non so dirti in che caso sei.

Electronictube ha scritto:Ad ogni modo, i risultati che ho ottenuto vanno presi con le pinze, visto che li ho ottenuti in tutte le condizioni che ti detto; li ripeterò non appena potrò :D

In bocca al lupo!
Big fan of ƎlectroYou!       Ausili per disabili e anziani su ƎlectroYou
Caratteri utili: À È É Ì Ò Ó Ù α β γ δ ε η θ λ μ π ρ σ τ φ ω Ω º ª ² ³ √ ∛ ∜ ₀ ₁ ₂ ₃ ₄ ₅ ₆ ∃ ∄ ∆ ∈ ∉ ± ∓ ∾ ≃ ≈ ≠ ≤ ≥
Avatar utente
Foto UtenteGuidoB
17,8k 7 12 13
G.Master EY
G.Master EY
 
Messaggi: 2809
Iscritto il: 3 mar 2011, 16:48
Località: Madrid

0
voti

[10] Re: Eliminare le scintille in un interruttore automatizzato

Messaggioda Foto UtenteElectronictube » 15 apr 2016, 22:50

Buonasera,
non credo che la colpa sia da attribuirsi allo smalto del filo: questo non è troppo vecchio ed è stato conservato bene. Più che altro, la colpa è da attribuirsi ad una mia negligenza nell'aver alimentato il rocchetto con un tensione troppo alto.
Ad ogni modo, non credo che dovrebbe essere troppo difficile rivestire il filo di rame, visto che vedo bene il punto in cui la placcatura. Detto sinceramente, vorrei fare tutto il possibile prima di dover riavvolgere tutto il filo.
Per quanto riguarda la suddivisione in settori, ho già diviso il mio avvolgimento in tre settori, ma evidentemente non sono abbastanza alti e stretti come dicevi. In allegato puoi vedere come è fatto il mio avvolgimento secondario!
Grazie mille per i consigli, a presto :D :D :D
PS: dato gli impegni scolastici, dovrò rallentare un po' con gli esperimenti
Allegati
WP_20160229_001.jpg
WP_20160229_001.jpg (38.72 KiB) Osservato 16641 volte
Avatar utente
Foto UtenteElectronictube
20 1 4
 
Messaggi: 13
Iscritto il: 27 mar 2016, 12:53

Prossimo

Torna a Macchine elettriche

Chi c’è in linea

Visitano il forum: Nessuno e 8 ospiti