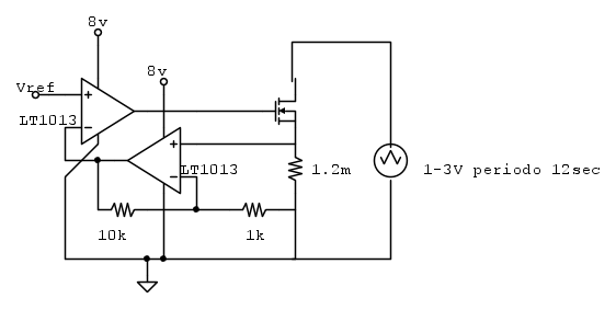
Quindi capisci da te che tra il comparatore ed il mosfet c'è bisogno del famoso regolatore di corrente...
p.s. anche perché ci serve non dissipare più potenza dello stretto necesario, e scongiurare la possibilità di andare in runaway termico
Moderatori:
carloc,
g.schgor,
BrunoValente,
IsidoroKZ


AlbertoBianchi ha scritto:Ottimo, vedo che hai centrato il punto!![]()
![]()
![]()
Quindi capisci da te che tra il comparatore ed il mosfet c'è bisogno del famoso regolatore di corrente...
p.s. anche perché ci serve non dissipare più potenza dello stretto necesario, e scongiurare la possibilità di andare in runaway termico


AlbertoBianchi ha scritto:Questo è ovvio (a volte fai dei ragionamenti che mi paiono varamente contorti...Non ti preoccupare nessuno nasce "imparato"
)
Se provi a ragionare bene su tutto quanto detto fin' ora - magari rileggiti attentamente i post - ti accorgerai che ti serve tutto il blocco del post 23, non solo OA2.
Ti do un piccolo aiuto: considera che per il blocco regolatore di corrente ti servono almeno 7-8V di alimentazione, mentre per il blocco che fa il controllo isteretico ti potrebbe bastare la vcap.
...ho provato a simulare questo circuito
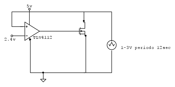
La Vref è impostata a 2v. L'uscita del comparatore OA1 è alta (7v) quando l'uscita del regolatore di corrente OA2 è bassa (inferiore a 2v). Quando l'uscita del regolatore di corrente è alta (2v) l'uscita del comparatore è bassa (5.2v circa)... devo creare l'isteresi su OA1?


AlbertoBianchi ha scritto:Con quale simulatore? (immagino LTspice per l'utilizzo di un opamp della casa)
Quale mosfet hai utilizzato per la simulazione?
AlbertoBianchi ha scritto:A prescindere che non indichi sullo schema quali sono OA1 e OA2, non capisco perché ti riferisci ai livelli in uscita con i termini "alto" e "basso" come se fosse un circuito logico quando invece si tratta di un sistema lineare e soprattutto non ci sono comparatori ma solo operazionali.
Questo circuito è adatto a regolare solamente la corrente che attraversa il mosfet, per realizzare il controllo isteretico servono ulteriori componenti...
L'operazionale che amplifica la V ai capi di Rsense guadagna 11 e non 10, e per regolare 40A con una Vref di 2V la Rsense dovrebbe essere di 4.5 mOhm.
Se hai difficoltà ad inquadrare lo schema in tutti i dettagli, prova a realizzare prima uno schema a blocchi funzionali il più particolareggiato possibile.
brunosso ha scritto: Per realizzare il controllo isteretico immagino serve un altro opamp.. o no?



Visitano il forum: Nessuno e 166 ospiti