g.schgor ha scritto:GaAsFET ha scritto:Eviterei però di togliere R4
Nel tuo schema risulta in parallelo ad R2, quindi puoi dimensionare
opportunamente questa.
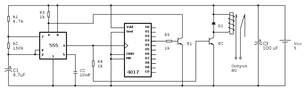
Hai ragione. Ho rivisto un po' il circuito e penso che così dovrebbe andare.
Per T1, T2 e D1 avevo pensato a classici prodotti commerciali (1N4148, 1N4007, BC237) e un relay allo stato solido non sfigurerebbe, ma accetto suggerimenti.
Per quanto riguarda la gestione dei timing, l'uscita
O3 dovrebbe cambiare stato L -> H in corrispondenza del fronte di salita del terzo impulso di clock generato dal 555, quindi la soluzione potrebbe funzionare.

- timing 4017
Non potendo fare una simulazione, non ho ancora certezza che una volta esaurito il transitorio del cambio di stato, la retroazione di
T1 (in saturazione dopo cambio di stato di O3) sul
pin 4 del 555 (reset) riesca effettivamente ad inibire il generatore di impulsi
congelando la situazione in modo stabile.
Più che altro, sulla scala dei tempi, vorrei che il terzo impulso arrivasse ad eccitare il relay prima di essere bloccato.
Ci penso ancora un po'...