Devo scegliere tra i due TA indicati nei file allegati, uno ha uscita in tensione e l'altro in corrente.
Domanda: ai fini pratici cosa è meglio?
Di cosa ho bisogno per effettuare la lettura dal sensore con uscita in corrente?
Scelta sensore di corrente
Moderatori:
g.schgor,
IsidoroKZ
11 messaggi
• Pagina 1 di 2 • 1, 2
0
voti
Probabilmente quello con uscita in tensione, semplicemente perché
a) mi è più facile a questo punto leggere una tensione su uno degli ingressi di arduino
b) perché è quello con uscita in corrente che mi mette in difficoltà.
Poi probabilmente è solo errore dei datasheet, in uscita dovrei avere per entrambi un valore di tensione entro un range dichiarato e proporzionale alla portata.
Comunque è evidente e non nascondo che sono in difficoltà con i TA e relativi circuiti di condizionamento!!!
a) mi è più facile a questo punto leggere una tensione su uno degli ingressi di arduino
b) perché è quello con uscita in corrente che mi mette in difficoltà.
Poi probabilmente è solo errore dei datasheet, in uscita dovrei avere per entrambi un valore di tensione entro un range dichiarato e proporzionale alla portata.
Comunque è evidente e non nascondo che sono in difficoltà con i TA e relativi circuiti di condizionamento!!!
-

attiliovolpe
885 1 5 12 - Expert

- Messaggi: 156
- Iscritto il: 4 nov 2009, 23:44
0
voti
Non sbagli ma sarà un errore, quel sensore anche su altri siti è dichiarato con uscita in corrente, e anche su quel datasheet sotto la figura a destra è scritto "Current output type"
-

attiliovolpe
885 1 5 12 - Expert

- Messaggi: 156
- Iscritto il: 4 nov 2009, 23:44
0
voti
Se poi devi leggere il valore con un microcontrollore, in ogni caso credo che dovrai trattare il segnale attraverso un operazionale anche solo perportare il valore da 0 a 5V, aggiustare offset ecc...
In questo caso sceglierei quello con uscita in corrente con un amplificatore a transresistenza.
In questo caso sceglierei quello con uscita in corrente con un amplificatore a transresistenza.

0
voti
Sicuramente il segnale va amplificato, ma faccio confusione col tipo di uscita.
Tralasciando un attimo l'amplificazione, per un TA con uscita in tensione leggerò in uscita una tensione proporzionale alla corrente che passa nel primario;
stessa cosa per un TA con uscita in corrente, ma come "leggo" questa corrente?
In maniera rudimentale e grossolana dove differisce il circuito di condizionamento?
Tralasciando un attimo l'amplificazione, per un TA con uscita in tensione leggerò in uscita una tensione proporzionale alla corrente che passa nel primario;
stessa cosa per un TA con uscita in corrente, ma come "leggo" questa corrente?
In maniera rudimentale e grossolana dove differisce il circuito di condizionamento?
-

attiliovolpe
885 1 5 12 - Expert

- Messaggi: 156
- Iscritto il: 4 nov 2009, 23:44
0
voti
Un link o qualcosa che illustri?
Magari una spiegazione?
Magari una spiegazione?

-

attiliovolpe
885 1 5 12 - Expert

- Messaggi: 156
- Iscritto il: 4 nov 2009, 23:44
1
voti
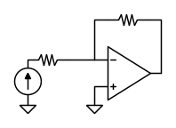
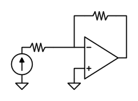
Intendevo l'utilizzo di un Opamp retroazionato e sfruttare la massa virtuale per prelevare la corrente d'uscita del sensore. Questa va tutta nel ramo di retroazione, e viene letta all'uscita dell'Opamp sotto forma di segnale di tensione.
-

slashino
378 2 5 7 - CRU - Account cancellato su Richiesta utente
- Messaggi: 528
- Iscritto il: 15 mag 2012, 17:15
11 messaggi
• Pagina 1 di 2 • 1, 2
Torna a Elettrotecnica generale
Chi c’è in linea
Visitano il forum: Google Adsense [Bot] e 99 ospiti

Elettrotecnica e non solo (admin)
Un gatto tra gli elettroni (IsidoroKZ)
Esperienza e simulazioni (g.schgor)
Moleskine di un idraulico (RenzoDF)
Il Blog di ElectroYou (webmaster)
Idee microcontrollate (TardoFreak)
PICcoli grandi PICMicro (Paolino)
Il blog elettrico di carloc (carloc)
DirtEYblooog (dirtydeeds)
Di tutto... un po' (jordan20)
AK47 (lillo)
Esperienze elettroniche (marco438)
Telecomunicazioni musicali (clavicordo)
Automazione ed Elettronica (gustavo)
Direttive per la sicurezza (ErnestoCappelletti)
EYnfo dall'Alaska (mir)
Apriamo il quadro! (attilio)
H7-25 (asdf)
Passione Elettrica (massimob)
Elettroni a spasso (guidob)
Bloguerra (guerra)


