i generatori di tensione ideali per definizione fissano la tensione ai loro capi ad un dato valore quindi qualsiasi bipolo abbia i suoi capi su un generatore di tensione ideale avrà ovviamente la tensione e la resistenza di quel generatore. Dato che il generatore è ideale e quindi ha resistenza nulla, tutto il bipolo può essere sostituito col solo generatore. Discorso ben diverso vale per un generatore di tensione reale la cui resistenza in serie no è nulla e non si può sostituire il bipolo col solo generatore come in questo caso:
Cosa eliminare quando in parallelo/serie ad un generatore
Moderatori:
g.schgor,
IsidoroKZ
34 messaggi
• Pagina 3 di 4 • 1, 2, 3, 4
0
voti
ops ci siamo sovrapposti con le risposte chiedo scusa
ibra.
Succede che maggiore sarà la corrente erogata dal generatore e maggiore sarà la caduta di tensione sulla resistenza (legge di Ohm). Se aumenta la caduta di tensione sulla resistenza diminuisce la tensione sul bipolo generatore-resistenza.
Hai idea di come funziona Thevenin?
Succede che maggiore sarà la corrente erogata dal generatore e maggiore sarà la caduta di tensione sulla resistenza (legge di Ohm). Se aumenta la caduta di tensione sulla resistenza diminuisce la tensione sul bipolo generatore-resistenza.
Hai idea di come funziona Thevenin?
0
voti
thevenin non sostituisce una parte di circuito ad un generatore di tensione reale?
1
voti
scusate se sono ignorante da far schifo ma non capisco il nesso 

0
voti
thevenin sostituisce un bipolo con un generatore di tensione reale cioè con una tensione e una resistenza in serie.
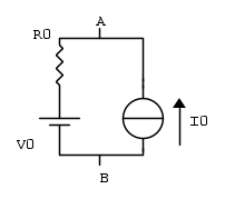
Riposto il ciruito per chiarezza:
Quello che ti stai chiedendo è: "come funziona questo piccolo pezzo di circuito? Cosa comporta quella resistenza?"
La risposta di Thevenin è: "sostituiscilo con qualcosa che conosci bene tipo... una batteria e una resistenza!"
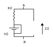
Resistenza di Thevenin: spengo tutti i generatori indipendenti (solo ed esclusivamente indipendeti) e vedo la resistenza
Si vede a occhio che è solo R0.
Tensione di Thevenin: isolo questo pezzo di circuito dal resto e vedo che tensione c'è su A e B cioè sul bipolo.
Nel nostro esempio è:
quindi il circuito si sostituisce con questi due componenti in serie di cui conosciamo benissimo il comportamento.
Spero di esserti stato utile
Riposto il ciruito per chiarezza:
Quello che ti stai chiedendo è: "come funziona questo piccolo pezzo di circuito? Cosa comporta quella resistenza?"
La risposta di Thevenin è: "sostituiscilo con qualcosa che conosci bene tipo... una batteria e una resistenza!"
Resistenza di Thevenin: spengo tutti i generatori indipendenti (solo ed esclusivamente indipendeti) e vedo la resistenza
Si vede a occhio che è solo R0.
Tensione di Thevenin: isolo questo pezzo di circuito dal resto e vedo che tensione c'è su A e B cioè sul bipolo.
Nel nostro esempio è:

quindi il circuito si sostituisce con questi due componenti in serie di cui conosciamo benissimo il comportamento.
Spero di esserti stato utile
1
voti
ok grazie mille, credo di aver capito finalmente 

34 messaggi
• Pagina 3 di 4 • 1, 2, 3, 4
Torna a Elettrotecnica generale
Chi c’è in linea
Visitano il forum: Google Adsense [Bot] e 17 ospiti

Elettrotecnica e non solo (admin)
Un gatto tra gli elettroni (IsidoroKZ)
Esperienza e simulazioni (g.schgor)
Moleskine di un idraulico (RenzoDF)
Il Blog di ElectroYou (webmaster)
Idee microcontrollate (TardoFreak)
PICcoli grandi PICMicro (Paolino)
Il blog elettrico di carloc (carloc)
DirtEYblooog (dirtydeeds)
Di tutto... un po' (jordan20)
AK47 (lillo)
Esperienze elettroniche (marco438)
Telecomunicazioni musicali (clavicordo)
Automazione ed Elettronica (gustavo)
Direttive per la sicurezza (ErnestoCappelletti)
EYnfo dall'Alaska (mir)
Apriamo il quadro! (attilio)
H7-25 (asdf)
Passione Elettrica (massimob)
Elettroni a spasso (guidob)
Bloguerra (guerra)





