Cos'è ElectroYou | Login Iscriviti

ElectroYou - la comunità dei professionisti del mondo elettrico

Problema poli circuito con operazionale

Elettronica lineare e digitale: didattica ed applicazioni

Moderatori: Foto Utentecarloc, Foto Utenteg.schgor, Foto UtenteBrunoValente, Foto UtenteIsidoroKZ

0
voti

[1] Problema poli circuito con operazionale

Messaggioda Foto UtenteStokes » 28 mag 2016, 15:33

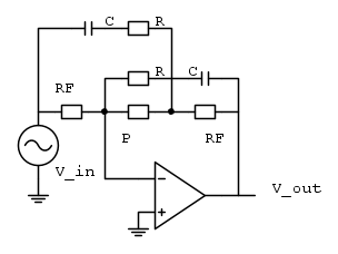
Ciao a tutti, ho un problema con questo circuito, dove l'operazionale è considerato ideale:

R=220 \Omega
RF=2200 \Omega
P=100k \Omega
C=470 nF

Ci sono due condensatori indipendenti - almeno così mi sembra - e quindi mi aspetterei due poli nella funzione di trasferimento. Simulando il circuito, invece, trovo un polo dalle parti di 3 Hz e poi uno zero che appiattisce la risposta al valore di -0.1 (-20 dB). Il guadagno in continua è -46.5.
Ho provato ad applicare il metodo delle costanti di tempo e ho effettivamente trovato un polo a bassa frequenza sui 3 Hz, ma anche un polo ad alta frequenza intorno a 770 Hz. Che fine ha fatto questo polo?
Grazie in anticipo a chiunque avrà tempo e voglia di provare a ragionarci!
Avatar utente
Foto UtenteStokes
456 1 5
Frequentatore
Frequentatore
 
Messaggi: 158
Iscritto il: 23 feb 2015, 15:04

1
voti

[2] Re: Problema poli circuito con operazionale

Messaggioda Foto Utentebanjoman » 28 mag 2016, 16:14

Il circuito ha effettivamente due poli, e anche due zeri.
Pero' un polo e uno zero sono coincidenti, e si cancellano a vicenda. Il risultato e' come se il circuito avesse solamente un polo e uno zero.
Col simulatore da solo non te ne accorgi, devi ragionarci su e farti i conti a manina.
O_/
Se funziona quasi bene, è tutto sbagliato. A.Savatteri/M.Mazza
Avatar utente
Foto Utentebanjoman
12,2k 5 11 12
G.Master EY
G.Master EY
 
Messaggi: 1623
Iscritto il: 19 set 2013, 19:27

0
voti

[3] Re: Problema poli circuito con operazionale

Messaggioda Foto UtenteStokes » 30 mag 2016, 14:31

Grazie banjoman, ho verificato facendo i conti e il polo a 770 Hz viene effettivamente cancellato da uno zero alla stessa frequenza. A proposito, esiste un metodo, anche approssimato, per trovare velocemente gli zeri una volta fissati ingresso e uscita? Qualcosa di simile al metodo delle costanti di tempo, oppure bisogna per forza passare dalla trasformata di Laplace?
Avatar utente
Foto UtenteStokes
456 1 5
Frequentatore
Frequentatore
 
Messaggi: 158
Iscritto il: 23 feb 2015, 15:04

2
voti

[4] Re: Problema poli circuito con operazionale

Messaggioda Foto Utentebanjoman » 31 mag 2016, 16:17

Sì, leggi questo thread.
La trattazione completa generalizzata di Hajimiri è la migliore che attualmente conosca (un grazie a Foto UtenteIsidoroKZ per avermela fatta conoscere) :mrgreen:
Se funziona quasi bene, è tutto sbagliato. A.Savatteri/M.Mazza
Avatar utente
Foto Utentebanjoman
12,2k 5 11 12
G.Master EY
G.Master EY
 
Messaggi: 1623
Iscritto il: 19 set 2013, 19:27


Torna a Elettronica generale

Chi c’è in linea

Visitano il forum: Nessuno e 49 ospiti