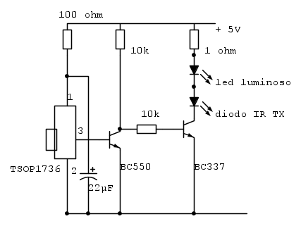
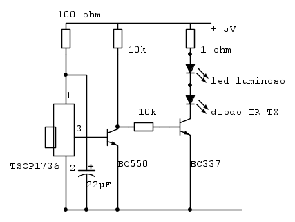
Si hai ragione, non avevo trovato il disegno adatto e avevo usato il fototransistor, ma in effetti è sbagliatissimo, ora ho corretto lo schema
Ripetitore Infrarossi
Moderatori:
carloc,
g.schgor,
BrunoValente,
IsidoroKZ
34 messaggi
• Pagina 4 di 4 • 1, 2, 3, 4
0
voti
Si hai ragione, non avevo trovato il disegno adatto e avevo usato il fototransistor, ma in effetti è sbagliatissimo, ora ho corretto lo schema
Alex
https://www.facebook.com/Elettronicaeelettrotecnica
<< vedi di pigliare arditamente in mano, il dizionario che ti suona in bocca,
se non altro è schietto e paesano.
(Giuseppe Giusti) <<
https://www.facebook.com/Elettronicaeelettrotecnica
<< vedi di pigliare arditamente in mano, il dizionario che ti suona in bocca,
se non altro è schietto e paesano.
(Giuseppe Giusti) <<
1
voti
Come è già stato detto non va bene utilizzare il TSOP, in uscita non hai modulazione e l'apparecchio che vuoi comandare filtra tutto.
-

marioursino
5.687 3 9 13 - G.Master EY

- Messaggi: 1598
- Iscritto il: 5 dic 2009, 4:32
1
voti
Ragazzi, ho trovato la soluzione !!
nel fine settimana vi posto lo schema, casomai servisse a qualcuno.
Adesso il circuito riceve il segnale del mio telecomando a 2 metri di distanza, comandando poi la centralina perfettamente !!
nel fine settimana vi posto lo schema, casomai servisse a qualcuno.
Adesso il circuito riceve il segnale del mio telecomando a 2 metri di distanza, comandando poi la centralina perfettamente !!
34 messaggi
• Pagina 4 di 4 • 1, 2, 3, 4
Chi c’è in linea
Visitano il forum: Nessuno e 36 ospiti

Elettrotecnica e non solo (admin)
Un gatto tra gli elettroni (IsidoroKZ)
Esperienza e simulazioni (g.schgor)
Moleskine di un idraulico (RenzoDF)
Il Blog di ElectroYou (webmaster)
Idee microcontrollate (TardoFreak)
PICcoli grandi PICMicro (Paolino)
Il blog elettrico di carloc (carloc)
DirtEYblooog (dirtydeeds)
Di tutto... un po' (jordan20)
AK47 (lillo)
Esperienze elettroniche (marco438)
Telecomunicazioni musicali (clavicordo)
Automazione ed Elettronica (gustavo)
Direttive per la sicurezza (ErnestoCappelletti)
EYnfo dall'Alaska (mir)
Apriamo il quadro! (attilio)
H7-25 (asdf)
Passione Elettrica (massimob)
Elettroni a spasso (guidob)
Bloguerra (guerra)



