insolito uso del 555
Moderatori:
carloc,
g.schgor,
BrunoValente,
IsidoroKZ
0
voti

"Non farei mai parte di un club che accettasse la mia iscrizione" (G. Marx)
-

claudiocedrone
21,3k 4 7 9 - Master EY

- Messaggi: 15302
- Iscritto il: 18 gen 2012, 13:36
0
voti
più che uno scacciatopi
mi sa che li attira
sembrano attratti dalle correnti elettromagnetiche
ho scoperto una trappola per topi
faccio un oscillatore royer del diametro di 3 cm. e lo metto nel quadro elettrico
quando il topo entra nel tunnel lo mando in cardiopatia
devo andare a trovare la dispersione

mi sa che li attira
sembrano attratti dalle correnti elettromagnetiche
ho scoperto una trappola per topi
faccio un oscillatore royer del diametro di 3 cm. e lo metto nel quadro elettrico
quando il topo entra nel tunnel lo mando in cardiopatia
devo andare a trovare la dispersione

0
voti
tutto a posto
era un filo della spia collegato male
l'elettricista di 30 anni fa quando ha fatto l'impianto ha dato fondo alle rimanenza di magazzino dei cavi
ha usato dei cavi da spia luminosa (quelli sottili unifilo)per collegare anche i contatti dei pulsanti
con svariati metri di lunghezza
senza poi parlare dei colori dei cavi
comunque come prima notte è andato tutto bene
non è saltato niente
ringrazio ancora tutti coloro che mi hanno consigliato sulla soluzione
PS. (g.schgor mi ha lasciato una pulce nell'orecchio)
era un filo della spia collegato male
l'elettricista di 30 anni fa quando ha fatto l'impianto ha dato fondo alle rimanenza di magazzino dei cavi
ha usato dei cavi da spia luminosa (quelli sottili unifilo)per collegare anche i contatti dei pulsanti
con svariati metri di lunghezza
senza poi parlare dei colori dei cavi
comunque come prima notte è andato tutto bene
non è saltato niente
ringrazio ancora tutti coloro che mi hanno consigliato sulla soluzione
PS. (g.schgor mi ha lasciato una pulce nell'orecchio)
Per realizzare un 555 monostabile che si attivi
sia all'apertura che alla chusura di un cointatto
ti serve un duplicatore. collegato al trigger del 555.
Se sei interessato, possiamo approfondire.
0
voti
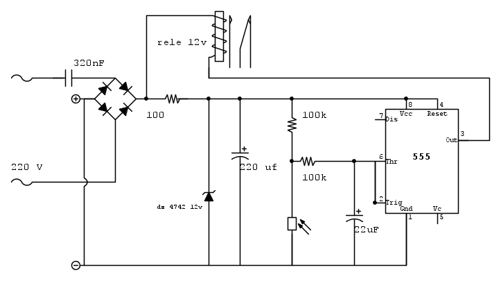
scusate se riprendo questo messaggio ma ho avuto dei problemi con il crepuscolare
più di 4/5 volte non si accendeva all'imbrunire
e l'altro giorno mi è rimasto attivato sia di giorno che di notte
riposto lo schema fatto meglio
è un crepuscolare instabile
si può modificare?
più di 4/5 volte non si accendeva all'imbrunire
e l'altro giorno mi è rimasto attivato sia di giorno che di notte
riposto lo schema fatto meglio
è un crepuscolare instabile
si può modificare?
0
voti
questo è il PCB con degli errori di trascrizione

questi i componenti

questo è il particolare

lo schema è quello sopra fatto con fidocad e molta pazienza
stò notando che manca il diodo per le extracorrenti vicino al relè
questi i componenti
questo è il particolare

lo schema è quello sopra fatto con fidocad e molta pazienza
stò notando che manca il diodo per le extracorrenti vicino al relè
0
voti
il polo + mi sembra fuori posto, di sicuro una è stata svista.
Se quel crepuscolare da nuovo funzionava e adesso no i casi sono due: o si è guastato oppure c'è qualcosa nell'impianto che non va (tipo fili rosicchiati dal topo
)
Se quel crepuscolare da nuovo funzionava e adesso no i casi sono due: o si è guastato oppure c'è qualcosa nell'impianto che non va (tipo fili rosicchiati dal topo
-

ibra
1.282 3 4 6 - CRU - Account cancellato su Richiesta utente
- Messaggi: 2100
- Iscritto il: 15 lug 2015, 0:45
Chi c’è in linea
Visitano il forum: Nessuno e 200 ospiti

Elettrotecnica e non solo (admin)
Un gatto tra gli elettroni (IsidoroKZ)
Esperienza e simulazioni (g.schgor)
Moleskine di un idraulico (RenzoDF)
Il Blog di ElectroYou (webmaster)
Idee microcontrollate (TardoFreak)
PICcoli grandi PICMicro (Paolino)
Il blog elettrico di carloc (carloc)
DirtEYblooog (dirtydeeds)
Di tutto... un po' (jordan20)
AK47 (lillo)
Esperienze elettroniche (marco438)
Telecomunicazioni musicali (clavicordo)
Automazione ed Elettronica (gustavo)
Direttive per la sicurezza (ErnestoCappelletti)
EYnfo dall'Alaska (mir)
Apriamo il quadro! (attilio)
H7-25 (asdf)
Passione Elettrica (massimob)
Elettroni a spasso (guidob)
Bloguerra (guerra)



