led con mini pannelli solari
Moderatori:
carloc,
g.schgor,
BrunoValente,
IsidoroKZ
0
voti
potreste indicarmi una coppia di pannelli da ordinare su ebay attinenti al progetto indicato e il tipo di batteria ricaricabile ..tenendo conto che userò 5 led in parallelo ad alta luminosità bianchi (quindi assorbimento pari a 20-25 ma e cdt da 3/3.2 v)
0
voti
salve ragazzi
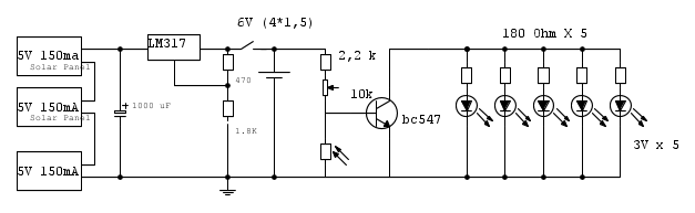
questo è il nuovo schema con la variante della fotoresistenza.....potreste dirmi se più om meno va bene....
questo è il nuovo schema con la variante della fotoresistenza.....potreste dirmi se più om meno va bene....
0
voti
Non ho riletto tutta la discussione, ma le prime cose che mi saltano agli occhi dallo schema sono che il BC547 tiene una corrente massima di 100 mA e lì siamo fuori e che le batterie da 1,5 V non sono ricaricabili, quelle ricaricabili (Ni-MH) danno 1,2 V nominali.
-

FedericoSibona
5.022 3 5 8 - Master

- Messaggi: 3951
- Iscritto il: 19 mar 2013, 11:43
0
voti
ok mi dareste una mano per capire il tipo di transistor e pile da adoperare ?
0
voti
fox1968 ha scritto:...il tipo di transistor...
Non è tanto il tipo di transistor quanto il circuito che così fatto non può funzionare.
Il transistor deve essere in serie ai led, così è in parallelo e non si capisce da dove viene la tensione di alimentazione.
Se quello che funziona basta non lo tocca' sennò te lassa!
0
voti
Con l'ultimo schema puoi mettere qualsiasi transistor, perché come ho detto prima, si tratta di un circuito a risparmio energetico: la corrente nei led al massimo è quella di perdita tra base e collettore.
Ovvero: guarda bene lo schema - dove sta l'alimentazione dei LED?
Le batterie se ricaricabili, possono essere:
- alcaline ricaricabili - 1.5V . Non sono comuni. Escluderei
- NiCd 1.2V . Comuni e facilmente reperibili. Caricabili con un semplice generatore di corente costante
- NiMh 1.2V comuni e facilmente reperibili. Caricabili con un circuito adatto.
- LiIon- LiPo - ecc. facilmente reperibili. Caricabili senza problemi, ma con un ic specifico tra i tanti disponibili
Se escludiamo le prime perché, sostanzialmente, prodotte da 1 o due brand e non di uso comune, tutte le altre vanno bene. Probabilmente le più facili da trattare senza cure eccessive sono le NiCd.
Transistor: da solo non serve a nulla. Restando allo schema di cui sopra, ovvero con un capo dei led a massa, dovrà essere uno switch high side in grado di portare la corrente necessaria ai led. Probabilmente un MOSFET P (VP0109,LP0701, ecc.). Esempio
http://electronics.stackexchange.com/qu ... ide-switch
a cui va aggiunto il comando della fotoresistenza.
Usando un BJT,
http://www.opencircuits.com/Basic_Circu ... ing_Blocks
ci vorrà qualcosa da almeno 500mA. Tanto per dirne uno 2N2222
Però il problema è che se prima non afferri la materia che stai trattando, vai a caso.
Ovvero: guarda bene lo schema - dove sta l'alimentazione dei LED?
Le batterie se ricaricabili, possono essere:
- alcaline ricaricabili - 1.5V . Non sono comuni. Escluderei
- NiCd 1.2V . Comuni e facilmente reperibili. Caricabili con un semplice generatore di corente costante
- NiMh 1.2V comuni e facilmente reperibili. Caricabili con un circuito adatto.
- LiIon- LiPo - ecc. facilmente reperibili. Caricabili senza problemi, ma con un ic specifico tra i tanti disponibili
Se escludiamo le prime perché, sostanzialmente, prodotte da 1 o due brand e non di uso comune, tutte le altre vanno bene. Probabilmente le più facili da trattare senza cure eccessive sono le NiCd.
Transistor: da solo non serve a nulla. Restando allo schema di cui sopra, ovvero con un capo dei led a massa, dovrà essere uno switch high side in grado di portare la corrente necessaria ai led. Probabilmente un MOSFET P (VP0109,LP0701, ecc.). Esempio
http://electronics.stackexchange.com/qu ... ide-switch
a cui va aggiunto il comando della fotoresistenza.
Usando un BJT,
http://www.opencircuits.com/Basic_Circu ... ing_Blocks
ci vorrà qualcosa da almeno 500mA. Tanto per dirne uno 2N2222
Però il problema è che se prima non afferri la materia che stai trattando, vai a caso.
-

Brianz
5.828 5 10 - CRU - Account cancellato su Richiesta utente
- Messaggi: 858
- Iscritto il: 24 mar 2016, 11:27
0
voti
Invece del transistor in che punto del circuito?
Se lo usi per la fotoresistenza, ok. Ma penso meglio un comparatore tipo LM311.
Ovviamente non ci piloti direttamente i LED.
perché? perché che questi IC non trattano una corrente sufficiente.
Ci comanderai la base dell'high side switch o come altro vuoi risolvere la cosa.
Se lo usi per la fotoresistenza, ok. Ma penso meglio un comparatore tipo LM311.
Ovviamente non ci piloti direttamente i LED.
perché? perché che questi IC non trattano una corrente sufficiente.
Ci comanderai la base dell'high side switch o come altro vuoi risolvere la cosa.
-

Brianz
5.828 5 10 - CRU - Account cancellato su Richiesta utente
- Messaggi: 858
- Iscritto il: 24 mar 2016, 11:27
Chi c’è in linea
Visitano il forum: Nessuno e 261 ospiti

Elettrotecnica e non solo (admin)
Un gatto tra gli elettroni (IsidoroKZ)
Esperienza e simulazioni (g.schgor)
Moleskine di un idraulico (RenzoDF)
Il Blog di ElectroYou (webmaster)
Idee microcontrollate (TardoFreak)
PICcoli grandi PICMicro (Paolino)
Il blog elettrico di carloc (carloc)
DirtEYblooog (dirtydeeds)
Di tutto... un po' (jordan20)
AK47 (lillo)
Esperienze elettroniche (marco438)
Telecomunicazioni musicali (clavicordo)
Automazione ed Elettronica (gustavo)
Direttive per la sicurezza (ErnestoCappelletti)
EYnfo dall'Alaska (mir)
Apriamo il quadro! (attilio)
H7-25 (asdf)
Passione Elettrica (massimob)
Elettroni a spasso (guidob)
Bloguerra (guerra)




