led con mini pannelli solari
Moderatori:
carloc,
g.schgor,
BrunoValente,
IsidoroKZ
0
voti
0
voti
Netto miglioramento, ma, come ho detto chiaramente prima, NON puoi pilotare direttamente 100mA di LED con l'uscita di un ic che ha una massima corrente di 50mA.
Devi farlo seguire da un transistor come buffer.
Devi farlo seguire da un transistor come buffer.
-

Brianz
5.828 5 10 - CRU - Account cancellato su Richiesta utente
- Messaggi: 858
- Iscritto il: 24 mar 2016, 11:27
0
voti
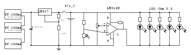
sto trovando un po di difficoltà:
1 - I pannelli erogano al max 150 ma le batterie (ricaricabili) sono 4 pile AA stilo 2800mAh 1,2 v - per caricarle serve 1/10 della capacità quindi 0,28A ..come posso prevedere che la carica sia completa ?
2 - la fotocellula al buio segna 2M ohm
3- mi aiutereste a piazzare il transistor ?
1 - I pannelli erogano al max 150 ma le batterie (ricaricabili) sono 4 pile AA stilo 2800mAh 1,2 v - per caricarle serve 1/10 della capacità quindi 0,28A ..come posso prevedere che la carica sia completa ?
2 - la fotocellula al buio segna 2M ohm
3- mi aiutereste a piazzare il transistor ?
1
voti
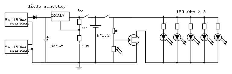
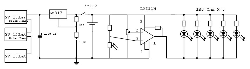
Senza complicarsi troppo la vita, per il crepuscolare potresti adottare questo schema:
I valori omessi devono naturalmente adattarsi alla fotoresistenza ed ai led in tuo possesso.
Poi alcune osservazioni:
Ti e' stato detto che e' meglio lavorare in switching quando, come nel caso, il rendimento e' determinante alla buona riuscita del progetto ma tu continui ad insistere su un lineare che, per di piu' con quei valori fornisce solo 6V di tensione (salvo tolleranze dei resistori) quando, per caricare 5 batterie da 1.2V servono almeno 7V.
Al tuo posto opterei per qualcosa di questo genere che, oltre ad essere limitabile in corrente e' anche a buon mercato.
Per quanto attiene i pannelli non capisco poi perche' adoperarne 3 in serie da 6V invece di prenderne uno soltanto da 12V ed un po' piu' performante, ad esempio questo.

I valori omessi devono naturalmente adattarsi alla fotoresistenza ed ai led in tuo possesso.
Poi alcune osservazioni:
Ti e' stato detto che e' meglio lavorare in switching quando, come nel caso, il rendimento e' determinante alla buona riuscita del progetto ma tu continui ad insistere su un lineare che, per di piu' con quei valori fornisce solo 6V di tensione (salvo tolleranze dei resistori) quando, per caricare 5 batterie da 1.2V servono almeno 7V.
Al tuo posto opterei per qualcosa di questo genere che, oltre ad essere limitabile in corrente e' anche a buon mercato.
Per quanto attiene i pannelli non capisco poi perche' adoperarne 3 in serie da 6V invece di prenderne uno soltanto da 12V ed un po' piu' performante, ad esempio questo.

marco
0
voti
1.- le carichi con una corrente molto minore . Non è il massimo, ma non ci sono problemi.
Se vuoi un sistema di carica che abbia indicatori, automatismi, fine carica, ecc. devi usare una cosa ben più complicata del 317
2 & 3. - in rete trovi un sacco di articoli sui comparatori
ad es.
http://home.cogeco.ca/~rpaisley4/Comparators.html
dove ci sono anche esempi di transistor buffer o high side
o segui i consigli di marco438
Se vuoi un sistema di carica che abbia indicatori, automatismi, fine carica, ecc. devi usare una cosa ben più complicata del 317
2 & 3. - in rete trovi un sacco di articoli sui comparatori
ad es.
http://home.cogeco.ca/~rpaisley4/Comparators.html
dove ci sono anche esempi di transistor buffer o high side
o segui i consigli di marco438
-

Brianz
5.828 5 10 - CRU - Account cancellato su Richiesta utente
- Messaggi: 858
- Iscritto il: 24 mar 2016, 11:27
0
voti
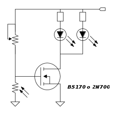
marco438 ha scritto:Senza complicarsi troppo la vita, per il crepuscolare potresti adottare questo schema:
così elimino lm311 ...
Ed eliminiamo anche il quoting inutile; non farebbe male leggere le regole del forum.
0
voti
potrebbe andare
Marco438 potresti spiegarmi il componente che mi hai consigliato ?
0
voti
Si tratta di un regolatore switching che, in pratica, svolge le stesse funzioni ( e anche di piu') del tuo circuito lineare con LM317 ma con un rendimento decisamente migliore; quindi regola la tensione tramite uno dei due trimmer e limita la corrente di ricarica delle batterie con il secocndo anche se, se insisti su quei pannelli, la cosa risulterebbe inutile.
Per chiarire meglio la cosa e visto che pare tu non lo sappia anche se l'ho detto piu' volte, per caricare una batteria serve una tensione superiore a quella nominale delle batterie e la corrente di ricarica deve essere limitata normalmente a circa 1/10 della capacita' della batteria stessa. Esempio classico quello della batteria auto di nominali 12V e capacita 45Ah, si ricarica con 13.8V ad una corrente di 4,5A.

P.S. Dimenticavo: se disponi di pannelli da 150mA e supposto che stiano al sole pieno per 10 ore al giorno, per ricaricare quelle batterie ti serviranno circa 3 giorni, forse quattro.
Per chiarire meglio la cosa e visto che pare tu non lo sappia anche se l'ho detto piu' volte, per caricare una batteria serve una tensione superiore a quella nominale delle batterie e la corrente di ricarica deve essere limitata normalmente a circa 1/10 della capacita' della batteria stessa. Esempio classico quello della batteria auto di nominali 12V e capacita 45Ah, si ricarica con 13.8V ad una corrente di 4,5A.

P.S. Dimenticavo: se disponi di pannelli da 150mA e supposto che stiano al sole pieno per 10 ore al giorno, per ricaricare quelle batterie ti serviranno circa 3 giorni, forse quattro.
marco
0
voti
ok ho ordinato il componente che mi consigli .... se vuoi mi fai vedere le modifiche allo schema ? ....ah dimenticavo ...consigliami le batterie...
Chi c’è in linea
Visitano il forum: Nessuno e 53 ospiti

Elettrotecnica e non solo (admin)
Un gatto tra gli elettroni (IsidoroKZ)
Esperienza e simulazioni (g.schgor)
Moleskine di un idraulico (RenzoDF)
Il Blog di ElectroYou (webmaster)
Idee microcontrollate (TardoFreak)
PICcoli grandi PICMicro (Paolino)
Il blog elettrico di carloc (carloc)
DirtEYblooog (dirtydeeds)
Di tutto... un po' (jordan20)
AK47 (lillo)
Esperienze elettroniche (marco438)
Telecomunicazioni musicali (clavicordo)
Automazione ed Elettronica (gustavo)
Direttive per la sicurezza (ErnestoCappelletti)
EYnfo dall'Alaska (mir)
Apriamo il quadro! (attilio)
H7-25 (asdf)
Passione Elettrica (massimob)
Elettroni a spasso (guidob)
Bloguerra (guerra)





