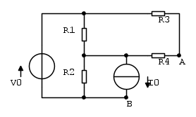
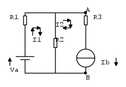
Dovrei calcolare la tensione ai nodi A e B del seguente circuito:
Dati:

Ho provato a risolverlo usando il principio di sovrapposizione.
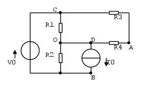
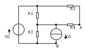
Considerando I0 spento (interruttore aperto), la resistenza equivalente vista ai capi C e B del generatore di tensione V0 sarebbe:
![R_{CB}=R_2+[R_1//(R_3+R_4)]=2295,65\Omega R_{CB}=R_2+[R_1//(R_3+R_4)]=2295,65\Omega](/forum/latexrender/pictures/7173cfdb0274cd62f8e4c6776b81ff9e.png)
ottengo, quindi, un circuito formato da una maglia singola con V0 e la resistenza equivalente, percorsa dalla corrente
. Ora, calcolo la tensione ai capi di R2 (O è i morsetto tra R1 e R2):
Ora, dall'eq. delle tensioni della prima maglia ottengo:

dalla seconda maglia:


Ne segue che,
e quindi 
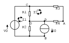
Ora considero V0 spento (cortocircuito), la resistenza equivalente vista dai nodi D e B ai capi di I0 è data da:
![R_{DB}=R_2//[R_1//(R_4+R_3)]=572.72\Omega R_{DB}=R_2//[R_1//(R_4+R_3)]=572.72\Omega](/forum/latexrender/pictures/725a7b21d44fef21993f88c3c6e6998a.png)
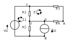
Il circuito è paragonabile ad un generatore di corrente parallelo a R2, che è a sua volta parallelo a R1, a sua volta parallelo alla serie R3+R4. Usando il partitore di correnti, calcolo la corrente che attraversa la serie R3+R4:

allora

In conclusione

E' corretto quello che ho fatto? Qualcuno potrebbe darmi la sua opinione?
Grazie!

Elettrotecnica e non solo (admin)
Un gatto tra gli elettroni (IsidoroKZ)
Esperienza e simulazioni (g.schgor)
Moleskine di un idraulico (RenzoDF)
Il Blog di ElectroYou (webmaster)
Idee microcontrollate (TardoFreak)
PICcoli grandi PICMicro (Paolino)
Il blog elettrico di carloc (carloc)
DirtEYblooog (dirtydeeds)
Di tutto... un po' (jordan20)
AK47 (lillo)
Esperienze elettroniche (marco438)
Telecomunicazioni musicali (clavicordo)
Automazione ed Elettronica (gustavo)
Direttive per la sicurezza (ErnestoCappelletti)
EYnfo dall'Alaska (mir)
Apriamo il quadro! (attilio)
H7-25 (asdf)
Passione Elettrica (massimob)
Elettroni a spasso (guidob)
Bloguerra (guerra)



ed
?
è sbagliato













. 


).