Alimentatore stabilizzato 45V
24 messaggi
• Pagina 2 di 3 • 1, 2, 3
0
voti
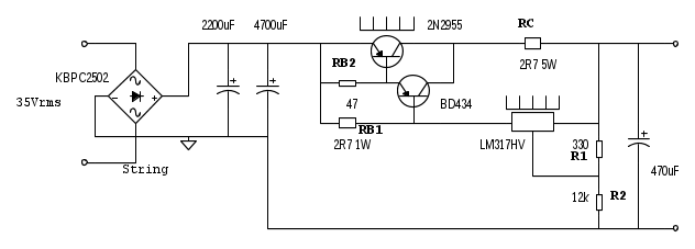
Ho corretto lo schema, volevo cancellare i post intermedi, inutili, che sporcano il thread, ma non posso. Magari invoco
admin per ripulire i post intermedi che parlano dello schema sbagliato. Grazie.
-

Candy
32,5k 7 10 13 - CRU - Account cancellato su Richiesta utente
- Messaggi: 10123
- Iscritto il: 14 giu 2010, 22:54
0
voti
ma in [1] dichiara che il trasformatore che ha è da 35 V

"Non farei mai parte di un club che accettasse la mia iscrizione" (G. Marx)
-

claudiocedrone
21,3k 4 7 9 - Master EY

- Messaggi: 15302
- Iscritto il: 18 gen 2012, 13:36
0
voti
Hai provato a dare un'occhiata al regolatore LM2576HV? 60V Max in ingresso, 57V in uscita con corrente max di 3A. (L'induttore, "la parte critica", puoi recuperarlo tranquillamente da un atx).
Ciao.
Qui il datasheet:
http://www.ti.com/lit/ds/symlink/lm2576hv.pdf
Ciao.
Qui il datasheet:
http://www.ti.com/lit/ds/symlink/lm2576hv.pdf
0
voti
Hai provato a dare un'occhiata al regolatore LM2576HV? 60V Max in ingresso, 57V in uscita con corrente max di 3A. (L'induttore, "la parte critica", puoi recuperarlo tranquillamente da un atx).
Ciao.
Qui il datasheet:
http://www.ti.com/lit/ds/symlink/lm2576hv.pdf
ottimo spunto !
Tuttavia vorrei dare maggiore importanza all'alimentatore lineare,in quanto necessito di un ripple molto basso ,sebbene nel DS del LM2576HV è riportato un'induttore e un condensatore low esr per ridurre di un decimo il ripple..quindi non lo cestinerei ,anche perché di induttori da atx ne ho un casino! e non ho mai realizzato alimentatori switching,visto gli accorgimenti che necessitano!
e non dovrebbe essere eccessivo il calore da dissipare,altrimenti avrei scelto da subito la soluzione switching..
quindi andiamo con LM317HV...dicevo prima,vorrei capire come sono stati dimensionati i componenti ( il punto di lavoro Q),la pappa pronta è buona,ma a me non piace mangiarla senza conoscerla!
grazie..
0
voti
come ho già detto,vorrei capire come sono stati dimensionati i due resistori di base e quello in uscita ai collettori dei due transistor pnp...anche una foto dei calcoli mi andrebbe bene,vorrei imparare.
ma il resistore da 47 ohm quanta potenza deve dissipare?
ma il resistore da 47 ohm quanta potenza deve dissipare?
0
voti
Quindi vorrei conoscere il dimensionamento di RB1,RB2 e RC...senza fretta,grazie.
1
voti
Anche siglare decentemente uno schema gia` fatto e` chiedere troppo! Mah!
Allora:
1) Ho dimensionato RB1 per fare in modo che gia` con una corrente di caqrico di circa 0,5 A il bypass inizi a lavorare. Quindi ho brutalmente calcolato la resistenza utile per soddisfare
che fa qualcosa come 2,4. Quindi sono passato a 2,7. Quindi ora grossomodo la corrente in RB1 e' nota: poco meno di 0,5 A, il resto eventualmente passa nel bypass. Quindi mezzo ampere, il suo quadrato fa 0,25, che equivale ad un quarto. Quindi: un quarto per due virgola sette mi sembra ci sita bene dentro un watt.2) Ho optato per mettere un transistor di bypass tipo 2N2955, facilmente reperibile. Pero` ha un hfe minimo basso. Forse inferiore a 30, quindi ho preferito mettergli un rinforzo di base, con una configurazione darlighton. Per non lasciare flottante la base di Q2 ho allora messo la RB2. Ho semplicemente moltiplicato per 20 circa il valore di RB1. A naso. Mi piaceva 47, e fine del dimensionamento di RB2.
3) R3 l'ho messa con due funzioni. L'intento e la speranza era di garantire almeno 5 V tra emitter di Q2 ed uscita e, per non farli bruciare tutti al transistor di bypass, ho ragionato che con una corrente di bypass di 1 A, la resistenza si mangi almeno 3 V circa. 1 A passa dal bypass; 1/2 A passa dal regolatore. Approssimazioni e margini vari, l'alimentatore eroga circa 2 A. Se del caso, R3 la si puo` ridurre un poco, anche fino alla meta`. La seconda funzione e' una protezione al corto circuito. La presenza di R3 forza il circuito a dissipare l'energia di corto su di questa, e non sui transistor, riducendone sofferenza e rallentando la morte.
-

Candy
32,5k 7 10 13 - CRU - Account cancellato su Richiesta utente
- Messaggi: 10123
- Iscritto il: 14 giu 2010, 22:54
24 messaggi
• Pagina 2 di 3 • 1, 2, 3
Torna a Costruzione, riparazione, riutilizzo
Chi c’è in linea
Visitano il forum: Nessuno e 14 ospiti

Elettrotecnica e non solo (admin)
Un gatto tra gli elettroni (IsidoroKZ)
Esperienza e simulazioni (g.schgor)
Moleskine di un idraulico (RenzoDF)
Il Blog di ElectroYou (webmaster)
Idee microcontrollate (TardoFreak)
PICcoli grandi PICMicro (Paolino)
Il blog elettrico di carloc (carloc)
DirtEYblooog (dirtydeeds)
Di tutto... un po' (jordan20)
AK47 (lillo)
Esperienze elettroniche (marco438)
Telecomunicazioni musicali (clavicordo)
Automazione ed Elettronica (gustavo)
Direttive per la sicurezza (ErnestoCappelletti)
EYnfo dall'Alaska (mir)
Apriamo il quadro! (attilio)
H7-25 (asdf)
Passione Elettrica (massimob)
Elettroni a spasso (guidob)
Bloguerra (guerra)




