Buongiorno.
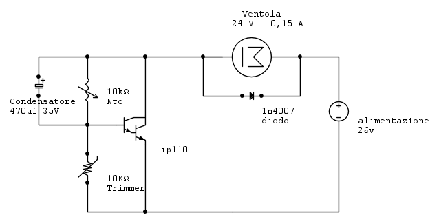
Avrei bisogno di avere dei consigli per migliorare questo circuito che ho costruito per termostatare una ventola in un alimentatore. Lo schema e la progettazione non è una mia idea, me lo ha fornito una persona molto gentile che gestisce un sito internet. Il circuito è stato provato in breadboard, alimentando la breadboard a 26 volt, simulando così la fonte d''alimentazione da cui preleverò la tensione necessaria per far funzionare il circuito. Questa fonte attualmente sta alimentando una ventola a 24 volt, che serve per raffreddare un dissipatore su cui sono montati dei transistor di potenza. Per monitorare i parametri della temperatura e della tensione della ventola in uscita ho usato un voltmetro, e la termocoppia del tester, così da avere un raffronto diretto tra temperatura in relazione al tensione in uscita. Per regolare la tensione minima e massima viene usato un trimmer da 10kohm. Il circuito va bene, ma ha qualche limitazione. Regolando il trimmer è possibile regolare il tensione minimo con la temperatura base/ambiente (28 gradi regolazione da 3 a 16 volt), ma non è possibile regolare il tensione quando la temperatura sale (si riescono ad ottenere massimo 23 volt a 80/85 gradi). Il problema è proprio questo. Non riesco ad ottenere 24 volt a qualsiasi temperatura. Anche a 100 gradi il massimo che si riesce ad avere sono 23,2 volt.
Quello che vorrei ottenere se possibile è un ottenere 24 volt ad una temperatura di 60 gradi circa, lasciando invariata la tensione minima a temperatura ambiente, tensione che dovrebbe essere superiore a 6 volt, per lasciare comunque la ventola accesa al minimo.
Aiuto per circuito termostato ventola 24 V
Moderatori:
carloc,
g.schgor,
BrunoValente,
IsidoroKZ
13 messaggi
• Pagina 1 di 2 • 1, 2
0
voti
Non otterrai mai 24 V esatti, se utilizzo un BJT, anche in darlington, ci sarà sempre la perdita della tensione di saturazione
. Potresti passare ad un n-MOS ma bisogna rivedere il circuito che lo pilota.
Cambia molto avere quel volt in più? E sei sicuro che ci siano proprio 24 V al generatore? Mi sembra molto come caduta sul transistor.
. Potresti passare ad un n-MOS ma bisogna rivedere il circuito che lo pilota.Cambia molto avere quel volt in più? E sei sicuro che ci siano proprio 24 V al generatore? Mi sembra molto come caduta sul transistor.
-

marioursino
5.687 3 9 13 - G.Master EY

- Messaggi: 1598
- Iscritto il: 5 dic 2009, 4:32
0
voti
Per alimentare il circuito utilizzo un alimentatore regolato a 26,4 volt. Ho impostato questa tensione perché da dove prenderò l'alimentazione il tensione è questo. Se per esempio bypasso il sensore ntc, eliminandolo e ponticellandolo nella breadboard, ottengo 24,4 volt alla ventola. Avevo pensato anche io che la tensione fosse assorbita dal transistor, ma facendo questa prova mì è venuto il dubbio che ci sia qualche problema.
il discordo del volt in più non è un problema, il problema è che i 23 volt riesco ad ottenerli solo con la sonda a 84 gradi, temperatura che il dissipatore non raggiungerà mai. Ho fatto una prova per vedere quanto scaldasse il dissipatore, mettendo sotto sforzo l'alimentatore attraverso cortocircuito sadico, facendogli erogare 5A per diverso tempo, e il dissipatore arriva al massimo a 70 gradi( risultato ottenuto con coperchio aperto e senza circolazione forzata, percui poco preciso)
Se riuscissi a ottenere 23 volt a 60/70 gradi sarebbe perfetto. Perché ora come ora a 60/70 gradi stiamo sui 14/16 volt. Poi da 70 gradi in poi fa un picco e aumenta fino a 23V massimi e 84 gradi. A 100 gradi aumenta fino a 23,4. Se invece bypasso il termistore ntc da 10k arriva a 24,4V..
Non è possibile inserire un relè per esempio? Ho qualche relè da PCB, magari potrei postare i dati per vedere se sono adattabili?
il discordo del volt in più non è un problema, il problema è che i 23 volt riesco ad ottenerli solo con la sonda a 84 gradi, temperatura che il dissipatore non raggiungerà mai. Ho fatto una prova per vedere quanto scaldasse il dissipatore, mettendo sotto sforzo l'alimentatore attraverso cortocircuito sadico, facendogli erogare 5A per diverso tempo, e il dissipatore arriva al massimo a 70 gradi( risultato ottenuto con coperchio aperto e senza circolazione forzata, percui poco preciso)
Se riuscissi a ottenere 23 volt a 60/70 gradi sarebbe perfetto. Perché ora come ora a 60/70 gradi stiamo sui 14/16 volt. Poi da 70 gradi in poi fa un picco e aumenta fino a 23V massimi e 84 gradi. A 100 gradi aumenta fino a 23,4. Se invece bypasso il termistore ntc da 10k arriva a 24,4V..
Non è possibile inserire un relè per esempio? Ho qualche relè da PCB, magari potrei postare i dati per vedere se sono adattabili?
-

Lextheac3
3 2 - CRU - Account cancellato su Richiesta utente
- Messaggi: 24
- Iscritto il: 18 apr 2016, 13:08
0
voti
marioursino ha scritto:Se riuscissi a ottenere 23 volt a 60/70 gradi sarebbe perfetto. Perché ora come ora a 60/70 gradi stiamo sui 14/16 volt. Poi da 70 gradi in poi fa un picco e aumenta fino a 23V massimi e 84 gradi. A 100 gradi aumenta fino a 23,4. Se invece bypasso il termistore ntc da 10k arriva a 24,4V..
secondo me, ti conviene procedere per tentativi.
Io metterei una resistenza da 50Kohm in parallelo a ntc che potrebbe servire a pseudolinearizzarla
nella zona di regolazione. Un altro sistema potrebbe essere aggiungere 10k in serie al trimmer.
Giocando su questi valori, prima o poi dovresti raggiungere una regolazione soddisfacente.
Purtroppo il sistema di regolazione che hai scelto non è dei migliori in quanto a linerarità.
0
voti
Io invece farei molto diversamente. Io farei un circuito completamente diverso: massima tensione alla ventola gia` sui 50 gradi e, ferma, al limite e se possibile, sui 10 gradi, grossomodo.
Un volt in piu` od in meno alla ventola non cambiano la vita, ma ricorda che la ventola fa girare aria a temperatura ambiente e, se questa e` gia alta di suo, non raffredda nulla.
Un volt in piu` od in meno alla ventola non cambiano la vita, ma ricorda che la ventola fa girare aria a temperatura ambiente e, se questa e` gia alta di suo, non raffredda nulla.
-

Candy
32,5k 7 10 13 - CRU - Account cancellato su Richiesta utente
- Messaggi: 10123
- Iscritto il: 14 giu 2010, 22:54
0
voti
-

Lextheac3
3 2 - CRU - Account cancellato su Richiesta utente
- Messaggi: 24
- Iscritto il: 18 apr 2016, 13:08
0
voti
Se volete vi elenco la lista dei MOS e degli altri transistor che ho a disposizione.
-

Lextheac3
3 2 - CRU - Account cancellato su Richiesta utente
- Messaggi: 24
- Iscritto il: 18 apr 2016, 13:08
1
voti
Non ho bisogno di dati. Dico che e` tutto uno sforzo inutile, tentare di regolare la velocita` di una ventola in funzione della temperatura del dissipatore? Quello che deve preoccupare e` la temperatura di giunzione. 70 gradi? 50 gradi? Numeri. Pero` l'esperienza mi dice che un dissipatore a 70 gradi e` troppo. Dove sara` la giunzione? Lo diranno i calcoli.
Quindi, se io fossi in te, farei questi benedetti calcoli. Ma solo tu li puoi fare. Io non conosco l'essere del tuo problema.
Poi, io non sono un esperto di regolazione. Ma tu stai facendo un controllo di velocita ventola in funzione della temperatura, solo proporzionale. Io lo farei invece un poco diverso. Vuoi farlo proporzionale? Ha un suo senso logico. Un PID e` troppo? Ci sta. Ma allora mi curerei di tenere ben freddo il dissipatore, quindi massima velocita` gia` con una temperatura di 50 gradi circa.
Quindi, se io fossi in te, farei questi benedetti calcoli. Ma solo tu li puoi fare. Io non conosco l'essere del tuo problema.
Poi, io non sono un esperto di regolazione. Ma tu stai facendo un controllo di velocita ventola in funzione della temperatura, solo proporzionale. Io lo farei invece un poco diverso. Vuoi farlo proporzionale? Ha un suo senso logico. Un PID e` troppo? Ci sta. Ma allora mi curerei di tenere ben freddo il dissipatore, quindi massima velocita` gia` con una temperatura di 50 gradi circa.
-

Candy
32,5k 7 10 13 - CRU - Account cancellato su Richiesta utente
- Messaggi: 10123
- Iscritto il: 14 giu 2010, 22:54
0
voti
Percui accetto tutti i consigli. Se mi dici che per capire come termostatare una ventola devo capire come calcolare la temperatura di giunzione lo faccio ben volentieri. Per quanto sono riuscito a capire la temperatura di giunzione è un calcolo che va effettuato tenendo in considerazione 4 parametri. la temperatura tra il cip in silicio all'interno del 2n3055, il case metallico del 2n3055, la temperatura tra case e dissipatore e la temperatura ambiente. Tra questi 4 elementi ci sono dei valori espressi in resistenza, che sono in funzione dello scambio termico che i materiali offrono.
Io posso fornirti i dati del 2n3055, che posso reperire dal produttore. Posso anche arrivare a calcolare i dati delle due resistenze termiche che vengono fuori dal 2n3055 in serie nel dissipatore. Posso calcolare la resistenza termica del dissipatore e della pasta termica che c'è tra i transistor e il dissipatore e posso darti la temperatura ambientale e calcolare il flusso di aria e lo scambio termico. Se c'è bisogno di questa mole di dati per accendere una ventola a 24 volt a 60 gradi sul dissipatore, per me va bene. Ma credo che ci sia un metodo più semplice, o perlomeno lo spero.

-

Lextheac3
3 2 - CRU - Account cancellato su Richiesta utente
- Messaggi: 24
- Iscritto il: 18 apr 2016, 13:08
13 messaggi
• Pagina 1 di 2 • 1, 2
Chi c’è in linea
Visitano il forum: Nessuno e 48 ospiti

Elettrotecnica e non solo (admin)
Un gatto tra gli elettroni (IsidoroKZ)
Esperienza e simulazioni (g.schgor)
Moleskine di un idraulico (RenzoDF)
Il Blog di ElectroYou (webmaster)
Idee microcontrollate (TardoFreak)
PICcoli grandi PICMicro (Paolino)
Il blog elettrico di carloc (carloc)
DirtEYblooog (dirtydeeds)
Di tutto... un po' (jordan20)
AK47 (lillo)
Esperienze elettroniche (marco438)
Telecomunicazioni musicali (clavicordo)
Automazione ed Elettronica (gustavo)
Direttive per la sicurezza (ErnestoCappelletti)
EYnfo dall'Alaska (mir)
Apriamo il quadro! (attilio)
H7-25 (asdf)
Passione Elettrica (massimob)
Elettroni a spasso (guidob)
Bloguerra (guerra)

