Cos'è ElectroYou | Login Iscriviti

ElectroYou - la comunità dei professionisti del mondo elettrico

esercizio amplificatore BJT piccoli segnali.

Elettronica lineare e digitale: didattica ed applicazioni

Moderatori: Foto Utentecarloc, Foto Utenteg.schgor, Foto UtenteBrunoValente, Foto UtenteIsidoroKZ

0
voti

[1] esercizio amplificatore BJT piccoli segnali.

Messaggioda Foto UtenteGuaffo » 4 lug 2016, 18:03

Ciao a tutti, finalmente sono riuscito a parlare col mio docente e delineare a grandi linee gli argomenti trattati nel corso di Elettronica1. Ne è uscito che devo studiare anche i modelli a piccolo segnale, cosa che ho fatto in questi ultimi giorni studiando su del materiale che mi ha passato il docente stesso.

Ora mi trovo a dover approcciare per la prima volta gli esercizi relativi e faccio parecchia fatica...

Un esercizio d'esame è questo:
Immagine

Metto anche il circuito in FidoCadJ:


Per i punti A, C e D, credo si debbano usare i parametri g, in particolare:

g_o=\frac{i_c}{V_{CE}}|_{V_{BE}=0}

ma non ho ben capito come...
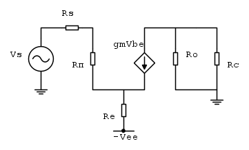
Nel punto B, il circuito equivalente potrebbe somigliare molto vagamente a questo:



Ho usato il simbolo del generatore di corrente dc solo perché non ho trovato quello romboidale.

Nel punto E, non ho ben capito cosa si chiede.

Qualcuno mi da una mano?
Avatar utente
Foto UtenteGuaffo
50 5
New entry
New entry
 
Messaggi: 97
Iscritto il: 12 giu 2016, 15:51

0
voti

[2] Re: esercizio amplificatore BJT piccoli segnali.

Messaggioda Foto UtenteGuaffo » 4 lug 2016, 21:49

Ho modificato il circuito equivalente. Questo dovrebbe essere un po' più corretto:

Avatar utente
Foto UtenteGuaffo
50 5
New entry
New entry
 
Messaggi: 97
Iscritto il: 12 giu 2016, 15:51

0
voti

[3] Re: esercizio amplificatore BJT piccoli segnali.

Messaggioda Foto UtenteStokes » 4 lug 2016, 22:05

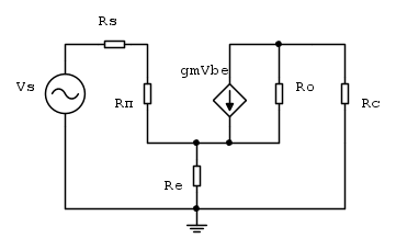
Mi sembra sbagliato, R0 non è in parallelo a Rc sul segnale ma si trova tra emettitore e collettore! E poi -Vee sul segnale è una 'massa', come Vcc del resto
Avatar utente
Foto UtenteStokes
456 1 5
Frequentatore
Frequentatore
 
Messaggi: 158
Iscritto il: 23 feb 2015, 15:04

0
voti

[4] Re: esercizio amplificatore BJT piccoli segnali.

Messaggioda Foto UtenteGuaffo » 4 lug 2016, 22:14

Quendi al posto di Vee metto un'altra terra? e Ro come lo collego?
Avatar utente
Foto UtenteGuaffo
50 5
New entry
New entry
 
Messaggi: 97
Iscritto il: 12 giu 2016, 15:51

0
voti

[5] Re: esercizio amplificatore BJT piccoli segnali.

Messaggioda Foto UtenteStokes » 4 lug 2016, 22:25

Sì devi metterlo a '''''''terra''''''''' :roll:
La resistenza di Early la devi mettere in parallelo al generatore di corrente, per qualunque configurazione, perché modellizza proprio il fatto che in zona attiva quel generatore di corrente non è ideale.
Avatar utente
Foto UtenteStokes
456 1 5
Frequentatore
Frequentatore
 
Messaggi: 158
Iscritto il: 23 feb 2015, 15:04

0
voti

[6] Re: esercizio amplificatore BJT piccoli segnali.

Messaggioda Foto UtenteGuaffo » 4 lug 2016, 22:37

Ok, allora il circuito equivalente corretto è questo:



Per gli altri punti dell'esercizio mi sai dare qualche dritta?
Avatar utente
Foto UtenteGuaffo
50 5
New entry
New entry
 
Messaggi: 97
Iscritto il: 12 giu 2016, 15:51

1
voti

[7] Re: esercizio amplificatore BJT piccoli segnali.

Messaggioda Foto UtenteStokes » 4 lug 2016, 22:45

Beh intanto mi sembra che nel testo non ci sia il valore della tensione di Early (o di lambda) quindi immagino che si possa eliminare R0 considerandola infinta. A quel punto per calcolare il guadagno di tensione un modo intelligente è applicare il teorema di Thevenin staccando Re.
Avatar utente
Foto UtenteStokes
456 1 5
Frequentatore
Frequentatore
 
Messaggi: 158
Iscritto il: 23 feb 2015, 15:04

0
voti

[8] Re: esercizio amplificatore BJT piccoli segnali.

Messaggioda Foto UtenteGuaffo » 5 lug 2016, 0:05

Stokes ha scritto: A quel punto per calcolare il guadagno di tensione un modo intelligente è applicare il teorema di Thevenin staccando Re.

Intendi applicare Thevenin rispetto ai morsetti A e B di Re per ricongiungerlo poi con l'altra parte del circuito?
Ma per calcolare Rc e Re?
Avatar utente
Foto UtenteGuaffo
50 5
New entry
New entry
 
Messaggi: 97
Iscritto il: 12 giu 2016, 15:51

1
voti

[9] Re: esercizio amplificatore BJT piccoli segnali.

Messaggioda Foto Utentefaberz » 5 lug 2016, 7:50

Per il calcolo di Rc ed Re non hai bisogno del modello di piccolo segnale, le devi calcolare in continua. Ti basta imporre che la corrente di collettore sia di 1mA e utilizzando il β e la Vbe trovi i valori delle resistenze. Scusa se scrivo così, ma sono da cellulare.

Per quanto riguarda l'analisi di piccolo segnale, il vostro professore che metodi di analisi vi ha spiegato?
Avatar utente
Foto Utentefaberz
170 2 6
Frequentatore
Frequentatore
 
Messaggi: 138
Iscritto il: 4 giu 2016, 9:15

1
voti

[10] Re: esercizio amplificatore BJT piccoli segnali.

Messaggioda Foto UtenteIlGuru » 5 lug 2016, 8:40

faberz ha scritto:Ti basta imporre che la corrente di collettore sia di 1mA e utilizzando il β e la Vbe trovi i valori delle resistenze.


Inoltre sai anche che V_{cc} + V_{ee} - R_c \times I_c  - R_e \times I_e = 6 V

Conosci \beta, conosci I_c quindi puoi ricavare I_b, I_e e di conseguenza R_c ed R_e
\Gamma\nu\tilde{\omega}\theta\i\ \sigma\epsilon\alpha\upsilon\tau\acute{o}\nu
Avatar utente
Foto UtenteIlGuru
5.482 2 10 13
G.Master EY
G.Master EY
 
Messaggi: 1924
Iscritto il: 31 lug 2015, 23:32

Prossimo

Torna a Elettronica generale

Chi c’è in linea

Visitano il forum: Nessuno e 48 ospiti