Cos'è ElectroYou | Login Iscriviti

ElectroYou - la comunità dei professionisti del mondo elettrico

[Progetto] Alimentatore da banco

Progettazione collaborativa: dall'idea alla formazione del gruppo di lavoro per la realizzazione di un prodotto finito.

Moderatore: Foto Utentebrabus

0
voti

[111] Re: [Progetto] Alimentatore da banco

Messaggioda Foto Utenteedgar » 6 lug 2016, 21:15

diaretto ha scritto:Semplicemente volevo prendere due (o uno integrato) strumenti di basso costo, ed avere una precisione accettabile, quella di uno strumento "cinese" ovviamente.

Mi sono trovato bene con questo tipo di voltmetro a 5 cifre. Costa pochissimo ed è ragionevolmente preciso. Ne esiste anche una versione con autorange a prezzi simili.
Avatar utente
Foto Utenteedgar
10,0k 4 5 8
Master
Master
 
Messaggi: 5229
Iscritto il: 15 set 2012, 22:59

0
voti

[112] Re: [Progetto] Alimentatore da banco

Messaggioda Foto Utentediaretto » 7 lug 2016, 9:11

Grazie per il link, però da quello che ho capito strumenti a 3 fili si stava cercando di non prenderli, ma sinceramente mi sono un po' perso nel discorso.

Alla fine gli strumenti doppi che hanno 5 fili è come se avessero 3 fili per strumento ma col GND in comune, quindi cosa cambia tra due strumenti separati a 3 fili e uno doppio a 5 fili? :oops:

In ogni caso, a parte i miei deliri mattutini, mi ha risposto il venditore di questo: http://www.ebay.it/itm/281397186684 dicendo: "It can only be used with all 5 wires". Quindi direi che potrebbe fare al caso nostro, che ne dite?
Avatar utente
Foto Utentediaretto
26 1 5
Frequentatore
Frequentatore
 
Messaggi: 141
Iscritto il: 27 apr 2016, 20:09

0
voti

[113] Re: [Progetto] Alimentatore da banco

Messaggioda Foto Utentemarco438 » 7 lug 2016, 9:19

Non penso sia cosi' importante che lo strumento abbia tre o cinque fili; prendi quello che ti piace di piu'. :mrgreen:
Anche il discorso dell'alimentazione separata mi pare complicare le cose visto che disponi, dopo il ponte, di una tensione utile per l'alimentazione degli strumenti.
Cerca di non complicarti la vita.
marco
Avatar utente
Foto Utentemarco438
37,1k 7 11 13
-EY Legend-
-EY Legend-
 
Messaggi: 16323
Iscritto il: 24 mar 2010, 15:09
Località: Versilia

0
voti

[114] Re: [Progetto] Alimentatore da banco

Messaggioda Foto Utentediaretto » 7 lug 2016, 9:22

Sono pienamente d'accordo! :mrgreen: Aspetto ancora qualche parere entro stasera poi ordino l'affarino, tanto per 6 euro non muore nessuno in ogni caso :ok:
Avatar utente
Foto Utentediaretto
26 1 5
Frequentatore
Frequentatore
 
Messaggi: 141
Iscritto il: 27 apr 2016, 20:09

0
voti

[115] Re: [Progetto] Alimentatore da banco

Messaggioda Foto Utentediaretto » 7 lug 2016, 10:26

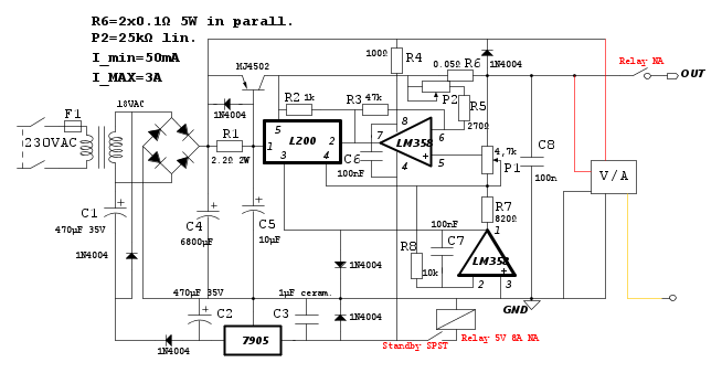
Ecco l'ultima versione dello schema:

-Ho messo i collegamenti dello strumento con i colori, spero siano corretti :mrgreen:
-Ho aggiunto un fusibile sul primario del trasformatore
-Ho aggiunto il pulsante bipolare che accende/spenge l'intero alimentatore



Domanda: il fusibile da quanto andrebbe preso? Sicuramente ritardato e non fast.

Poi avrei da chiedere un chiarimento, il diodo in alto nello schema, in pratica sta fra emettitore e collettore del transistor, che funzione ha?
Avatar utente
Foto Utentediaretto
26 1 5
Frequentatore
Frequentatore
 
Messaggi: 141
Iscritto il: 27 apr 2016, 20:09

0
voti

[116] Re: [Progetto] Alimentatore da banco

Messaggioda Foto UtenteBrunoValente » 7 lug 2016, 10:27

edgar ha scritto:Mi sono trovato bene con questo tipo di voltmetro a 5 cifre. Costa pochissimo ed è ragionevolmente preciso. Ne esiste anche una versione con autorange a prezzi simili.

Interessante ma mi pare che la foto non corrisponda alle caratteristiche: il punto dovrebbe essere posizionato tra la seconda e la terza cifra, non tra la prima e la seconda, altrimenti come farebbe ad avere una risoluzione di 0.001V e un fondo scala di 30.000V? Confermi?

Hai sottomano il link a quello con autorange?
Avatar utente
Foto UtenteBrunoValente
39,6k 7 11 13
G.Master EY
G.Master EY
 
Messaggi: 7796
Iscritto il: 8 mag 2007, 14:48

0
voti

[117] Re: [Progetto] Alimentatore da banco

Messaggioda Foto UtenteBrunoValente » 7 lug 2016, 11:07

diaretto ha scritto:Domanda: il fusibile da quanto andrebbe preso? Sicuramente ritardato e non fast.

Domanda semplice, risposta complicata almeno per me: andrebbe dimensionato per la massima potenza in gioco ma deve sopportare il picco di corrente all'accensione che io non so stimare perché dipende da molti fattori e molto dalla qualità del trasformatore.

Se il trasformatore fosse ideale e se capitasse di accendere l'interruttore proprio mentre la sinusoide della tensione di rete è al picco allora la corrente sarebbe infinita e tra questa situazione ideale e quella reale c'è di mezzo tutto, quindi...

In questi casi mi regolo scegliendo un valore corrispondente a 1.5 volte la potenza massima, poi, in seguito, se all'accensione qualche volta salta, allora aumento il valore... ma non so se è il modo corretto di procedere, aspetta altri pareri.
diaretto ha scritto:Poi avrei da chiedere un chiarimento, il diodo in alto nello schema, in pratica sta fra emettitore e collettore del transistor, che funzione ha?


Serve ad evitare che durante lo spegnimento il valore della tensione di ingresso possa diventare inferiore a quello della tensione di uscita, cosa che capiterebbe con carichi fortemente capacitivi.

E' una condizione pericolosa per l'integrato che non sopporta una tensione inversa tra ingresso e uscita, nel datasheet dell'L200 trovi informazioni al riguardo.
Avatar utente
Foto UtenteBrunoValente
39,6k 7 11 13
G.Master EY
G.Master EY
 
Messaggi: 7796
Iscritto il: 8 mag 2007, 14:48

0
voti

[118] Re: [Progetto] Alimentatore da banco

Messaggioda Foto UtenteFedericoSibona » 7 lug 2016, 13:03

Direi di iniziare a mettere un fusibile da 0,50 A ritardato. Se in qualche occasione, all'accensione, dovesse bruciare, sostituiscilo con uno da 0,63 A ;-)
Avatar utente
Foto UtenteFedericoSibona
5.022 3 5 8
Master
Master
 
Messaggi: 3951
Iscritto il: 19 mar 2013, 11:43

0
voti

[119] Re: [Progetto] Alimentatore da banco

Messaggioda Foto Utenteedgar » 7 lug 2016, 13:32

BrunoValente ha scritto:nteressante ma mi pare che la foto non corrisponda alle caratteristiche: il punto dovrebbe essere posizionato tra la seconda e la terza cifra, non tra la prima e la seconda, altrimenti come farebbe ad avere una risoluzione di 0.001V e un fondo scala di 30.000V?

Credo abbiano messo la foto dell'amperometro, scorrendo l'inserzione si vede anche il modello con il punto al posto giusto :ok:
Hai sottomano il link a quello con autorange?

Il primo che ho trovato ma ce ne sono certamente altri. Il venditore da cui li ho acquistati a suo tempo non li ha più in lista
Avatar utente
Foto Utenteedgar
10,0k 4 5 8
Master
Master
 
Messaggi: 5229
Iscritto il: 15 set 2012, 22:59

0
voti

[120] Re: [Progetto] Alimentatore da banco

Messaggioda Foto Utentediaretto » 7 lug 2016, 18:32

Avevo letto su un sito di una marca di trasfo che per il loro 100VA consigliano un fusibile da 1A, ma possiamo anche partire più bassi, ne compro 4-5 cosi via via aumento se dovesse saltare, più che altro non vorrei che si rovinasse qualcosa a furia di far saltare fusibili.

Secondo voi altri componenti "di sicurezza" sull'alimentatore quali potrebbero essere? Vi ricordo che sono mooooolto sbadato. #-o
Avatar utente
Foto Utentediaretto
26 1 5
Frequentatore
Frequentatore
 
Messaggi: 141
Iscritto il: 27 apr 2016, 20:09

PrecedenteProssimo

Torna a Crowd Design

Chi c’è in linea

Visitano il forum: Nessuno e 27 ospiti