da
alesvega » 9 lug 2016, 17:29
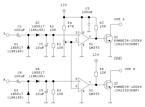
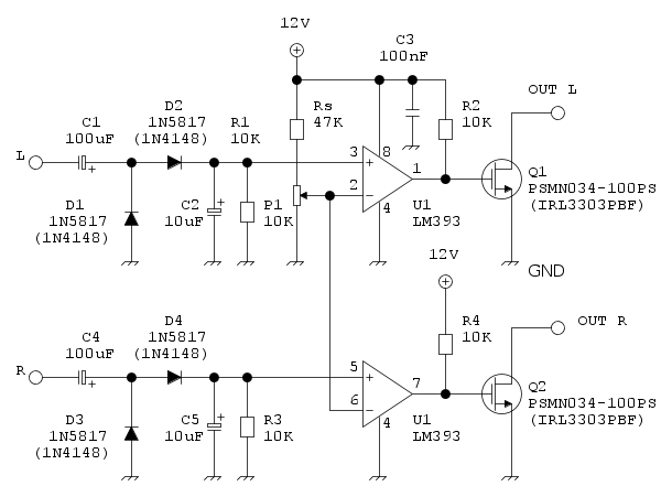
salve, sono nuovo nel forum ma vi seguo da un po', poco tempo fa mi è venuta l'idea di mettere dei led a ritmo di musica in camera mia, ho già visto delle guide nel forum ma non ho capito delle cose, vorrei fare il secondo impianto di questa pagina:
http://www.electroyou.it/tardofreak/wik ... -di-musica .
il progetto più ricercato per intenderci, prima di tutto volevo capire se le strisce led si accendono e spendono soltanto o variano la loro illuminazione, poi non capisco dove si devono posizionare le strisce led.
purtroppo sono ancora alle prime armi con queste cose, spero che mi possiate aiutare, grazie a tutti
