Come ti è già stato detto, diminuisci il numero di quei diodi di caduta finché ti trovi la corrente prevista in uscita, e poi ne togli ancora uno per compensare le varie tolleranze e variazioni dovute a riscaldamento dei componenti e garantire così il funzionamento nelle condizioni peggiori
Ricarica batterie nimh con lm317 problema
Moderatori:
carloc,
g.schgor,
BrunoValente,
IsidoroKZ
20 messaggi
• Pagina 2 di 2 • 1, 2
0
voti
E poi la caduta di tensione sui diodi è funzione della corrente che li attraversa. Misurando le tensioni a vuoto fai notevoli errori.
Come ti è già stato detto, diminuisci il numero di quei diodi di caduta finché ti trovi la corrente prevista in uscita, e poi ne togli ancora uno per compensare le varie tolleranze e variazioni dovute a riscaldamento dei componenti e garantire così il funzionamento nelle condizioni peggiori
Come ti è già stato detto, diminuisci il numero di quei diodi di caduta finché ti trovi la corrente prevista in uscita, e poi ne togli ancora uno per compensare le varie tolleranze e variazioni dovute a riscaldamento dei componenti e garantire così il funzionamento nelle condizioni peggiori
-

FedericoSibona
5.022 3 5 8 - Master

- Messaggi: 3951
- Iscritto il: 19 mar 2013, 11:43
0
voti
il 317 dissiperà grosso modo un paio di watt, un piccolo dissipatore lo metterei, se non c'è già.
-

FedericoSibona
5.022 3 5 8 - Master

- Messaggi: 3951
- Iscritto il: 19 mar 2013, 11:43
2
voti
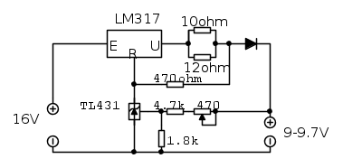
Giustamente devi togliere tutti i diodi in serie all'ingresso ma così facendo hai un inconveniente: la carica non si ferma quando la tensione della batteria arriva al valore finale e devi quindi intervenire in tempo a spegnere altrimenti la batteria si danneggia.
Se ti va potresti provare questo
Con i valori riportati dovrebbe fermarsi a 9.6V, il potenziometro ti permette di spostare leggermente questo valore e devi regolarlo prima di collegare la batteria misurando il valore della tensione in uscita con un tester preciso.
Se dovesse oscillare credo si debba aggiungere un condensatore da 100nF tra catodo e controllo del TL431
Se ti va potresti provare questo
Con i valori riportati dovrebbe fermarsi a 9.6V, il potenziometro ti permette di spostare leggermente questo valore e devi regolarlo prima di collegare la batteria misurando il valore della tensione in uscita con un tester preciso.
Se dovesse oscillare credo si debba aggiungere un condensatore da 100nF tra catodo e controllo del TL431
Ultima modifica di
claudiocedrone il 16 lug 2016, 17:53, modificato 1 volta in totale.
Motivazione: Corretto valore tensione in ingresso
Motivazione: Corretto valore tensione in ingresso
-

BrunoValente
39,6k 7 11 13 - G.Master EY

- Messaggi: 7796
- Iscritto il: 8 mag 2007, 14:48
1
voti
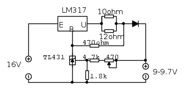
Perdonami Bruno, ma la tensione in ingresso nel nostro caso, togliendo i diodi di caduta, non sarà 11 V , ma circa 16 V.
Il resto ovviamente non cambia, ma la tensione di uscita, per delle Ni-MH, la limiterei a 9,2/9,3 V, 1,6 V per elemento a fine carica mi sembrano troppi
Il resto ovviamente non cambia, ma la tensione di uscita, per delle Ni-MH, la limiterei a 9,2/9,3 V, 1,6 V per elemento a fine carica mi sembrano troppi
-

FedericoSibona
5.022 3 5 8 - Master

- Messaggi: 3951
- Iscritto il: 19 mar 2013, 11:43
0
voti

"Non farei mai parte di un club che accettasse la mia iscrizione" (G. Marx)
-

claudiocedrone
21,3k 4 7 9 - Master EY

- Messaggi: 15302
- Iscritto il: 18 gen 2012, 13:36
0
voti
FedericoSibona ha scritto:Perdonami Bruno, ma la tensione in ingresso nel nostro caso, togliendo i diodi di caduta, non sarà 11 V , ma circa 16 V.
Il resto ovviamente non cambia, ma la tensione di uscita, per delle Ni-MH, la limiterei a 9,2/9,3 V, 1,6 V per elemento a fine carica mi sembrano troppi
In effetti non mi sono preoccupato della tensione, ho dato per buono il valore riportato nello schema originale che è appunto di 9.6V.
Confesso di non aver mai avuto a che fare con la carica di quel tipo di batterie, ho letto ora qualcosa in merito ed effettivamente 1.6V ad elemento sembra che siano troppi.
Da quello che ho capito i carica batterie non guardano il valore della tensione di uscita per decidere quando smettere la carica ma guardano la variazione della tensione di uscita: quando la variazione si inverte vuol dire che la carica è terminata...quindi mi pare anche di capire che la mia soluzione non sia molto utile.
claudiocedrone ha scritto::-) Corretto io![]()
Non capisco, corretto cosa?
-

BrunoValente
39,6k 7 11 13 - G.Master EY

- Messaggi: 7796
- Iscritto il: 8 mag 2007, 14:48
0
voti
Ah, sì, ho capito, avevo lasciato 11V in ingresso.
Anche se serve a poco riporto lo schema con i valori corretti per avere da 9V a 9.7V in uscita
Anche se serve a poco riporto lo schema con i valori corretti per avere da 9V a 9.7V in uscita
-

BrunoValente
39,6k 7 11 13 - G.Master EY

- Messaggi: 7796
- Iscritto il: 8 mag 2007, 14:48
0
voti
Aggiungo per completezza rispetto al post di
BrunoValente che i caricabatterie per Ni-MH e Ni-Cd di un certo livello hanno impostabile appunto il cosiddetto "delta peak" (unità di misura in mV, valore comune di 10-15mV) che determina quando il caricabatterie debba staccare la carica.
Non appena legge un picco che superi quel valore la carica termina, ovviamente per rendere più evidente il picco (visto che le Ni-MH hanno una curva di carica abbastanza piatta) è meglio caricare a correnti più elevate, superando 0,5C (cioè 0,5 volte la capacità della cella) che è un po' basso come valore e caricare sugli 0,8C circa.
Questo è quel che ricordo di quando facevo modellismo e baloccavo con queste cose (13 anni, quindi capitemi il poco che sapevo e che ricordo).
Non appena legge un picco che superi quel valore la carica termina, ovviamente per rendere più evidente il picco (visto che le Ni-MH hanno una curva di carica abbastanza piatta) è meglio caricare a correnti più elevate, superando 0,5C (cioè 0,5 volte la capacità della cella) che è un po' basso come valore e caricare sugli 0,8C circa.
Questo è quel che ricordo di quando facevo modellismo e baloccavo con queste cose (13 anni, quindi capitemi il poco che sapevo e che ricordo).

1
voti
Allora, il delta peak richiede un circuito che rilevi lo zero (o valore negativo) della derivata della funzione della tensione di carica dV/dt, e lo hanno i caricabatteria più evoluti.
È più che vero che le Ni-MH hanno un delta peak meno accentuato delle Ni-Cd, ma è anche vero che sopportano meno bene le cariche ad alta corrente.
Comunque i sensori più correnti dei caricabatteria meno sofisticati sono il timer ed il sensore di temperatura
È più che vero che le Ni-MH hanno un delta peak meno accentuato delle Ni-Cd, ma è anche vero che sopportano meno bene le cariche ad alta corrente.
Comunque i sensori più correnti dei caricabatteria meno sofisticati sono il timer ed il sensore di temperatura
-

FedericoSibona
5.022 3 5 8 - Master

- Messaggi: 3951
- Iscritto il: 19 mar 2013, 11:43
20 messaggi
• Pagina 2 di 2 • 1, 2
Chi c’è in linea
Visitano il forum: Nessuno e 232 ospiti

Elettrotecnica e non solo (admin)
Un gatto tra gli elettroni (IsidoroKZ)
Esperienza e simulazioni (g.schgor)
Moleskine di un idraulico (RenzoDF)
Il Blog di ElectroYou (webmaster)
Idee microcontrollate (TardoFreak)
PICcoli grandi PICMicro (Paolino)
Il blog elettrico di carloc (carloc)
DirtEYblooog (dirtydeeds)
Di tutto... un po' (jordan20)
AK47 (lillo)
Esperienze elettroniche (marco438)
Telecomunicazioni musicali (clavicordo)
Automazione ed Elettronica (gustavo)
Direttive per la sicurezza (ErnestoCappelletti)
EYnfo dall'Alaska (mir)
Apriamo il quadro! (attilio)
H7-25 (asdf)
Passione Elettrica (massimob)
Elettroni a spasso (guidob)
Bloguerra (guerra)




