Ricorda che gli LM dissipano in calore la potenza "in eccesso", cioè esattamente I x (Vout-Vin).
Io farei così...costruzione modulare...
Prima monti solo LM per avere Vout= 13,1V.
Lo attacchi al DC-DC e ci colleghi una batteria GIA' CARICA.
Poi abbassi la Vout del DC-DC fino ad ottenere un leggero calo dei 13,1V, poi rialzi un minimo la Vout del DC-DC.
In tal modo minimizzi il dV e le dissipazioni, e a batteria scarica provi a collegare il tutto controllando che la corrente in eccesso non sia troppo elevata (max 0,5A direi)
Se dovessi misurare I troppo elevate a batt scarica aggiungi la parte di limitazione in corrente regolando di nuovo il DC-DC.
Insomma..un po' di prove e misure servono a capire meglio come funzionano questi semplici circuiti, quanto scaldano nelle varie configurazioni... e se serve proprio tutto quello che si ha in mente.
Considera che gli LM sono protetti in temperatura, quindi se passa una corrente eccessiva si "spegnerà" per un po' facendo da "fusibile" ripristinabile
Carica tampone per batteria al piombo, dubbi sulle tensioni
Moderatori:
carloc,
g.schgor,
BrunoValente,
IsidoroKZ
25 messaggi
• Pagina 2 di 3 • 1, 2, 3
0
voti
grazie richiurci per la tua pazienza nel rispondermi
sei gentilissimo ...
ma quest aultima tua risposta non ho capito ... ma in pratica mi dici di usare solo un regolatore di tensione bassa di 13,1 (quindi sotto alla soglia dichiarata dal costruttore 13,8) in modo da fare a meno della regolazione in corrente ?
In effetti per caricare una semplice batteria, vorrei evitare di alzare la tensione da 12 a 20 e poi riabassarla con due lm317 mi pare uno spreco eccessivo di energia ...
sei gentilissimo ...ma quest aultima tua risposta non ho capito ... ma in pratica mi dici di usare solo un regolatore di tensione bassa di 13,1 (quindi sotto alla soglia dichiarata dal costruttore 13,8) in modo da fare a meno della regolazione in corrente ?
In effetti per caricare una semplice batteria, vorrei evitare di alzare la tensione da 12 a 20 e poi riabassarla con due lm317 mi pare uno spreco eccessivo di energia ...
0
voti
si è solo un'idea, anche per lavorare per gradi.
Con alimentatori "analogici" (trasformatori) si può usare la loro resistenza interna come limitazione, in ogni caso se regoli al minimo la tensione di uscita del dc-dc con batt carica (corrente uscita nulla) con batteria scarica la corrente più elevata potrebbe far "sedere" la catena di alimentazione a autolimitare la I max.
Essendoci un DC-DC in mezzo non è detto funzioni...ma tentar non nuoce.
Ripeto, LM è limitato, e con 3V di caduta e 0,5A (1,5W) senza radiatore andrà velocemente in blocco, non rischi niente
Con alimentatori "analogici" (trasformatori) si può usare la loro resistenza interna come limitazione, in ogni caso se regoli al minimo la tensione di uscita del dc-dc con batt carica (corrente uscita nulla) con batteria scarica la corrente più elevata potrebbe far "sedere" la catena di alimentazione a autolimitare la I max.
Essendoci un DC-DC in mezzo non è detto funzioni...ma tentar non nuoce.
Ripeto, LM è limitato, e con 3V di caduta e 0,5A (1,5W) senza radiatore andrà velocemente in blocco, non rischi niente
0
voti
ok ora pero vado a letto sono troppo stanco per provar equalcosa ... sono andato io in blocco :) ci riprovo domani
.,,, vi faccio sapere magari mi viene qualche soluzione a mente fresca che mi semplifica tutto ...
.,,, vi faccio sapere magari mi viene qualche soluzione a mente fresca che mi semplifica tutto ...

1
voti
Mah, restando sul lineare, esiste il regolatore L200 che ha anche una semplicissima regolazione di corrente e sembra fatto apposta per tali applicazioni 
-

FedericoSibona
5.022 3 5 8 - Master

- Messaggi: 3951
- Iscritto il: 19 mar 2013, 11:43
0
voti
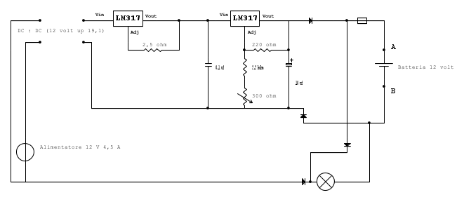
Allora lo schema da me modificato e corretto grazie alle vostre risposte è questo.
Ora il circuito funziona bene e settando il trimmer riesco ad ottenere una tensione a piacere da 13,0 v a 14,30 V, io lo impostato a 13,6 cioè la via di mezzo tra 13,5 e 13,8, i puntali del tester lo messi sui punti A e B con batteria inserita.
Anche la corrente se apro il circuito risulta di 500 mA, anche se penso di aumetare la resistenza da 5 watt di 2,5 ohm e portarla a 5 ohm, cosi ho una carica più lenta e più dolce da 200 300 ma, tanto l'eventualita che vada via la corrente non è alta e quindi puo stare anche 2 3 giorni per ricaricarsi.
Dalle prove fatte finora la batteria si carica e se tolgo la corrente questa tramite i diodi entra immediatamente in funzione sul carico, i due LM317 non sembrano soffrire, toccandoli con le mani sembrano freddi, in fondo devono dissipare dai miei calcoli solo 3 W (ma dal datasheet ne possono reggere 14) ... ho messo un aletta anche se piccola (giusto epr anche se non serviva)...
Ora pero provo a scaricare un bel po la batteria e vedo cosa succede con una carica più lunga ...
ho risolto la conessione ai carichi collegandoli direttamente al generatore e alla battaria
senza usare LM317 (visto anche che non mi serve stabilizzata la corrente su questi carichi) ho usato allo scopo due semplici diodi, inoltre ho messo un fusibile vicino alla batteria per evitare che bruci per conessioni errate o altro, questo è il circuito magari ci saranno ancora degli errori da correggere :
ora mi vado a far euna passseggiata ... aspetto critiche al circuito come sempre ....
*ps gia con queste modifiche (inversione degli LM317 e aumeto della tensione sul DC
C a 19 volt) a reso il circuito molto stabile prima le tensioni non riuscivo assolutamente a regolarle e a stabilizzarle corettamente ... avvolte sembravano impazzire ... (ah sul diodo anche a circuito aperto non si verifica più quellos trano fenomeno, che invece di diminuire aumeta ....
ora tutto ok
)
Per gli L200 mm vorrei usare gli LM317 che insieme agli Lm338 ne ho una marea a casa ho comprato anche gli LT1804 che mia rriveranno dalla cina con basso drop out ma non mi sembra il caso di sprecarli in questa situazione visto anche che dalle mie prime prove gli LM317 non sembrano soffrire ...
Ora il circuito funziona bene e settando il trimmer riesco ad ottenere una tensione a piacere da 13,0 v a 14,30 V, io lo impostato a 13,6 cioè la via di mezzo tra 13,5 e 13,8, i puntali del tester lo messi sui punti A e B con batteria inserita.
Anche la corrente se apro il circuito risulta di 500 mA, anche se penso di aumetare la resistenza da 5 watt di 2,5 ohm e portarla a 5 ohm, cosi ho una carica più lenta e più dolce da 200 300 ma, tanto l'eventualita che vada via la corrente non è alta e quindi puo stare anche 2 3 giorni per ricaricarsi.
Dalle prove fatte finora la batteria si carica e se tolgo la corrente questa tramite i diodi entra immediatamente in funzione sul carico, i due LM317 non sembrano soffrire, toccandoli con le mani sembrano freddi, in fondo devono dissipare dai miei calcoli solo 3 W (ma dal datasheet ne possono reggere 14) ... ho messo un aletta anche se piccola (giusto epr anche se non serviva)...
Ora pero provo a scaricare un bel po la batteria e vedo cosa succede con una carica più lunga ...
ho risolto la conessione ai carichi collegandoli direttamente al generatore e alla battaria
senza usare LM317 (visto anche che non mi serve stabilizzata la corrente su questi carichi) ho usato allo scopo due semplici diodi, inoltre ho messo un fusibile vicino alla batteria per evitare che bruci per conessioni errate o altro, questo è il circuito magari ci saranno ancora degli errori da correggere :
ora mi vado a far euna passseggiata ... aspetto critiche al circuito come sempre ....
*ps gia con queste modifiche (inversione degli LM317 e aumeto della tensione sul DC
)Per gli L200 mm vorrei usare gli LM317 che insieme agli Lm338 ne ho una marea a casa ho comprato anche gli LT1804 che mia rriveranno dalla cina con basso drop out ma non mi sembra il caso di sprecarli in questa situazione visto anche che dalle mie prime prove gli LM317 non sembrano soffrire ...
0
voti
Al di là del piacere di realizzare qualcosa di funzionante, esistono anche, per caricare piccole batterie, oggetti di questo tipo http://www.ebay.it/itm/DC-DC-Step-Up-St ... Swq5lTon0I
-

FedericoSibona
5.022 3 5 8 - Master

- Messaggi: 3951
- Iscritto il: 19 mar 2013, 11:43
0
voti
non ho tempo per analizzarlo a fondo.... se ho capito bene comunque la batteria fornirà anche eventuali picchi di assorbimento dai carichi, evitando stress per gli LM.
Non capisco il filo in basso col diodo, mi sembra si possa eliminare....
Non capisco il filo in basso col diodo, mi sembra si possa eliminare....
1
voti
Affidarsi a tensione e corrente limitate dal sottodimensionamento del trasformatore non mi pare cosa corretta. Se il trasformatore lavora in sovraccarico per tempi non indifferenti salirà di temperatura e potrebbe anche "bruciarsi".
C'è da dire che, per carica in tampone o standby di batterie Pb-gel (a circa 13,6 V), la limitazione di corrente non è così importante. Ad esempio la Yuasa la prevede solo per la carica ciclica.
C'è da dire che, per carica in tampone o standby di batterie Pb-gel (a circa 13,6 V), la limitazione di corrente non è così importante. Ad esempio la Yuasa la prevede solo per la carica ciclica.
-

FedericoSibona
5.022 3 5 8 - Master

- Messaggi: 3951
- Iscritto il: 19 mar 2013, 11:43
25 messaggi
• Pagina 2 di 3 • 1, 2, 3
Chi c’è in linea
Visitano il forum: Nessuno e 128 ospiti

Elettrotecnica e non solo (admin)
Un gatto tra gli elettroni (IsidoroKZ)
Esperienza e simulazioni (g.schgor)
Moleskine di un idraulico (RenzoDF)
Il Blog di ElectroYou (webmaster)
Idee microcontrollate (TardoFreak)
PICcoli grandi PICMicro (Paolino)
Il blog elettrico di carloc (carloc)
DirtEYblooog (dirtydeeds)
Di tutto... un po' (jordan20)
AK47 (lillo)
Esperienze elettroniche (marco438)
Telecomunicazioni musicali (clavicordo)
Automazione ed Elettronica (gustavo)
Direttive per la sicurezza (ErnestoCappelletti)
EYnfo dall'Alaska (mir)
Apriamo il quadro! (attilio)
H7-25 (asdf)
Passione Elettrica (massimob)
Elettroni a spasso (guidob)
Bloguerra (guerra)



