ho un problema con un alimentatore che non riesco a capire. l'ali in questione a circa 25 anni, è da 13,5V e 3A con schema classico: trasformatore da 25V alternati, ponte di diodi, condensatore di livellamento da 2200 microfarad, un regolatore da 12Vdi cui non ricordo la sigla, condensatore finale e due diodi per ingannare il regolatore, e fargli alzare la tensione di uscita. i primi tempi, lo usavo per provare le autoradio con relativi altoparlanti, che in teoria avrebbero dovuto assorbire più di 3 ampere, e non ho mai avuto problemi.
poi un giorno mi serviva l'avvitatore, che come al solito aveva la vita la batteria scarica e ho avuto la bella idea di attaccarlo all'alimentatore, che è saltato.
l'ho aperto, e constatato che il trasformatore andava, i condensatori e diodi sembravano a posto, quindi ho decretato la morte del regolatore, che quindi ho smontato e l'ho messo da parte in attesa di passare dal mio spacciatore che purtroppo era a 25 km da casa mia e ci passavo raramente.
quando finalmente ho avuto l'occasione di passare, l'individuo del negozio mi ha rifilato un 7812 dicendo che era uguale (ma non era quello in origine) e dopo averlo montato e constatato che funzionava, ho riposto l'alimentatore nel cassetto.
la volta successiva che ne ho avuto bisogno, l'accendo, provo a testare la tensione, e di nuovo mi segnava 25V, come era successo quando era saltato la prima volta.
al che ho rimesso via alimentatore ed è rimasto nel cassetto per quasi 10 anni.
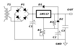
nel frattempo, girovagando su internet, sono capitato sul sito di Vittorio Crapella, e vedendo lo schema relativo ad un caricabatterie regolabile, sono finito sul sito di adrirobot, dove ho trovato lo schema per un alimentatore variabile col 317 (http://www.adrirobot.it/elettronica/lm3 ... lm_317.htm), e mi è venuta la voglia di farne uno ma mi mancava suddetto regolatore, quindi ho rimandato in attesa di prenderne uno.
un paio di mesi, fa smontando un alimentatore di un vecchio computer mi sono trovato un 7812, e per scrupolo ho provato a montarlo sul vecchio alimentatore; l'ho acceso e funzionava.
neanche una settimana dopo, ho ritrovato tra i rottami, un vecchio caricabatterie che avevo costruito anni fa e che aveva il 317, e quindi mi sono messo all'opera per costruire l'alimentatore variabile.
L'unica cosa che non specificava sul sito, e neanche su quelli su cui ho trovato schemi simili, riguardava il condensatore di livellamento, che non sapevo se lasciare o no; qui ad esempio c'è solo quello, invece del solito 100uF: http://digilander.libero.it/nick47/vrg1.htm.
sul momento pensavo di sostituirlo con uno da 960 microfarad, poi ho lasciato quello che c'era, e poi il mio dubbio era sul condensatore C3; sul sito di adrirobot c'è scritto che va bene anche un poliestere e io ho messo uno come quello in foto.
Ebbene, dopo aver montato tutto e controllato i collegamenti, l'ho acceso e testato, e funzionava.
il giorno dopo, volevo usarlo, ed era saltato di nuovo; mi sono trovato coi soliti 25V in uscita, quindi niente regolazione.
ho ricontrollato tutti i collegamenti, che sono a posto; l'unica cosa che è rimasta dal vecchio alimentatore, è il trasformatore e il condensatore di livellamento e il resto tutto sostituito. quindi mi e vi chiedo: può essere che uno di questi due componenti possa essere guasto, anche se apparentemente non sembra?
perché altrimenti non riesco a capire questa moria di regolatori; d'accordo che sono usati però mi sembra incredibile che alla prima prova funzionano e poi saltano così, senza applicargli nessun carico.


Elettrotecnica e non solo (admin)
Un gatto tra gli elettroni (IsidoroKZ)
Esperienza e simulazioni (g.schgor)
Moleskine di un idraulico (RenzoDF)
Il Blog di ElectroYou (webmaster)
Idee microcontrollate (TardoFreak)
PICcoli grandi PICMicro (Paolino)
Il blog elettrico di carloc (carloc)
DirtEYblooog (dirtydeeds)
Di tutto... un po' (jordan20)
AK47 (lillo)
Esperienze elettroniche (marco438)
Telecomunicazioni musicali (clavicordo)
Automazione ed Elettronica (gustavo)
Direttive per la sicurezza (ErnestoCappelletti)
EYnfo dall'Alaska (mir)
Apriamo il quadro! (attilio)
H7-25 (asdf)
Passione Elettrica (massimob)
Elettroni a spasso (guidob)
Bloguerra (guerra)








