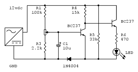
buongiorno a tutti. ho visto questo schema su internet, è un indicatore di batteria scarica.
http://www.ilprogettista.it/web/wp-content/uploads/2010/02/8.pdf
visto che conosco un po' di teoria ma poca pratica chiedo a voi:
- mi pare che il circuito funzioni lo stesso anche senza C1, D1 e R5.. per cui, qual è la funzione di questi tre elementi? il diodo forse serve come protezione...ma R5 e C1?
- come faccio praticamente a regolare il trimmer per impostare a 11.5 (ad esempio) la tensione di soglia per far accendere il led? tenendo presente che ho un alimentatore a 12v, posso inserirgli in serie un diodo? oppure...calcolare l'impedenza del circuito in ingresso e mettere una resistenza in serie ai 12v?
grazie a chi vorrà aiutarmi a capire meglio.
Aiuto per interpretazione circuito stato batteria
Moderatori:
carloc,
g.schgor,
BrunoValente,
IsidoroKZ
12 messaggi
• Pagina 1 di 2 • 1, 2
0
voti
Buongiorno a te.
Il diodo serve per generare una caduta di tensione di circa 0,6 V, una volta polarizzato da R5.
Per la posizione in cui è messo, introduce una retroazione positiva che rende la commutazione (accensione del led) più decisa (non graduale).
In realtà credo che R5 si potrebbe omettere, visto che D1 è già polarizzato da altre correnti (una piuttosto scarsa) che lo attraversano. Eventualmente riduci la resistenza sul collettore del primo transistor a 4700 - 10000 ohm.
C1 dovrebbe servire a filtrare veloci picchi o disturbi sull'alimentazione per non far accendere il led a causa loro. Non credo che sia molto efficace, tanto vale toglierlo.
Comunque non è un circuito che mi piace. È poco preciso, la soglia dipende dalla temperatura... Insomma una porcheriola.
Ti raccomando di disegnarlo con FidoCadJ e inserirlo nella discussione, sia perché ci permetti di modificarlo, sia perché eviti che in futuro sparisca seguendo le sorti del documento esterno che hai indicato.
Metti uno o più diodi in serie al positivo e una resistenza di carico che chiuda il circuito verso il negativo, in modo da far scorrere sui diodi un po' di corrente (10-20 mA). Una resistenza tra 680 e 1000 ohm dovrebbe andar bene.
Misura con un tester digitale la tensione ai capi della resistenza, aggiungendo il numero di diodi necessario ad ottenere la tensione desiderata.
Poi collega il circuito da tarare ai capi della resistenza.
talpa ha scritto:- mi pare che il circuito funzioni lo stesso anche senza C1, D1 e R5.. per cui, qual è la funzione di questi tre elementi? il diodo forse serve come protezione...ma R5 e C1?
Il diodo serve per generare una caduta di tensione di circa 0,6 V, una volta polarizzato da R5.
Per la posizione in cui è messo, introduce una retroazione positiva che rende la commutazione (accensione del led) più decisa (non graduale).
In realtà credo che R5 si potrebbe omettere, visto che D1 è già polarizzato da altre correnti (una piuttosto scarsa) che lo attraversano. Eventualmente riduci la resistenza sul collettore del primo transistor a 4700 - 10000 ohm.
C1 dovrebbe servire a filtrare veloci picchi o disturbi sull'alimentazione per non far accendere il led a causa loro. Non credo che sia molto efficace, tanto vale toglierlo.
Comunque non è un circuito che mi piace. È poco preciso, la soglia dipende dalla temperatura... Insomma una porcheriola.
Ti raccomando di disegnarlo con FidoCadJ e inserirlo nella discussione, sia perché ci permetti di modificarlo, sia perché eviti che in futuro sparisca seguendo le sorti del documento esterno che hai indicato.
talpa ha scritto:- come faccio praticamente a regolare il trimmer per impostare a 11.5 (ad esempio) la tensione di soglia per far accendere il led? tenendo presente che ho un alimentatore a 12 V, posso inserirgli in serie un diodo? oppure...calcolare l'impedenza del circuito in ingresso e mettere una resistenza in serie ai 12 V?
Metti uno o più diodi in serie al positivo e una resistenza di carico che chiuda il circuito verso il negativo, in modo da far scorrere sui diodi un po' di corrente (10-20 mA). Una resistenza tra 680 e 1000 ohm dovrebbe andar bene.
Misura con un tester digitale la tensione ai capi della resistenza, aggiungendo il numero di diodi necessario ad ottenere la tensione desiderata.
Poi collega il circuito da tarare ai capi della resistenza.
Ultima modifica di
WALTERmwp il 11 ago 2016, 1:40, modificato 1 volta in totale.
Motivazione: Modificato titolo per darne contenuto significativo
Motivazione: Modificato titolo per darne contenuto significativo
Big fan of ⋮ƎlectroYou! Ausili per disabili e anziani su ⋮ƎlectroYou
Caratteri utili: À È É Ì Ò Ó Ù α β γ δ ε η θ λ μ π ρ σ τ φ ω Ω º ª ² ³ √ ∛ ∜ ₀ ₁ ₂ ₃ ₄ ₅ ₆ ∃ ∄ ∆ ∈ ∉ ± ∓ ∾ ≃ ≈ ≠ ≤ ≥
Caratteri utili: À È É Ì Ò Ó Ù α β γ δ ε η θ λ μ π ρ σ τ φ ω Ω º ª ² ³ √ ∛ ∜ ₀ ₁ ₂ ₃ ₄ ₅ ₆ ∃ ∄ ∆ ∈ ∉ ± ∓ ∾ ≃ ≈ ≠ ≤ ≥
0
voti
grazie GuidoB. ora mi procuro il programma che dicevi.
nel frattempo ti chiedo:
...quindi devo lasciare questa resistenza di cui parli in parallelo al circuito o posso toglierla e lasciare semplicemente alimentatore-diodi-circuito?
e a cosa serve questa resistenza? intendo, una volta che ho posizionato i diodi non so già quanto sarà la caduta di potenziale ai capi del circuito?
grazie ancora
nel frattempo ti chiedo:
Metti uno o più diodi in serie al positivo e una resistenza di carico che chiuda il circuito verso il negativo, in modo da far scorrere sui diodi un po' di corrente (10-20 mA). Una resistenza tra 680 e 1000 ohm dovrebbe andar bene.
Misura con un tester digitale la tensione ai capi della resistenza, aggiungendo il numero di diodi necessario ad ottenere la tensione desiderata.
Poi collega il circuito da tarare ai capi della resistenza.
...quindi devo lasciare questa resistenza di cui parli in parallelo al circuito o posso toglierla e lasciare semplicemente alimentatore-diodi-circuito?
e a cosa serve questa resistenza? intendo, una volta che ho posizionato i diodi non so già quanto sarà la caduta di potenziale ai capi del circuito?
grazie ancora
1
voti
ibra, l'ho già costruito e funziona ma volevo anche capire, non solo copiare
1
voti
0
voti
Comunque non è un circuito che mi piace. È poco preciso, la soglia dipende dalla temperatura... Insomma una porcheriola.
Se il buon
Provalo per bene e soprattutto mettilo sotto stress termico

-

ibra
1.282 3 4 6 - CRU - Account cancellato su Richiesta utente
- Messaggi: 2100
- Iscritto il: 15 lug 2015, 0:45
0
voti
ecco, ibra, proprio questa frase di
GuidoB mi interessa...dice che la soglia dipende dalla temperatura. quindi in teoria è possibile farne uno in modo che la soglia sia indipendente dalla temperatura?
invece tu cosa intendi per stress termico? lo devo lasciare acceso molto tempo e vedere quanto scalda?
grazie
invece tu cosa intendi per stress termico? lo devo lasciare acceso molto tempo e vedere quanto scalda?
grazie
0
voti
tu cosa intendi per stress termico? lo devo lasciare acceso molto tempo e vedere quanto scalda?
sì anche... ma per stress termico intendevo anche una grossa interferenza esterna tipo un phon sparato sul tuo circuito, giusto per vedere quanto si sposta la soglia di intervento che fa accendere il led
-

ibra
1.282 3 4 6 - CRU - Account cancellato su Richiesta utente
- Messaggi: 2100
- Iscritto il: 15 lug 2015, 0:45
12 messaggi
• Pagina 1 di 2 • 1, 2
Chi c’è in linea
Visitano il forum: Google [Bot] e 283 ospiti

Elettrotecnica e non solo (admin)
Un gatto tra gli elettroni (IsidoroKZ)
Esperienza e simulazioni (g.schgor)
Moleskine di un idraulico (RenzoDF)
Il Blog di ElectroYou (webmaster)
Idee microcontrollate (TardoFreak)
PICcoli grandi PICMicro (Paolino)
Il blog elettrico di carloc (carloc)
DirtEYblooog (dirtydeeds)
Di tutto... un po' (jordan20)
AK47 (lillo)
Esperienze elettroniche (marco438)
Telecomunicazioni musicali (clavicordo)
Automazione ed Elettronica (gustavo)
Direttive per la sicurezza (ErnestoCappelletti)
EYnfo dall'Alaska (mir)
Apriamo il quadro! (attilio)
H7-25 (asdf)
Passione Elettrica (massimob)
Elettroni a spasso (guidob)
Bloguerra (guerra)


