Cos'è ElectroYou | Login Iscriviti

ElectroYou - la comunità dei professionisti del mondo elettrico

Attivare rele con NPN usato come interruttore inverso

Elettronica lineare e digitale: didattica ed applicazioni

Moderatori: Foto Utentecarloc, Foto Utenteg.schgor, Foto UtenteBrunoValente, Foto UtenteIsidoroKZ

0
voti

[31] Re: Attivare rele con NPN usato come interruttore inverso

Messaggioda Foto Utentefloppinoo » 17 ago 2016, 11:57

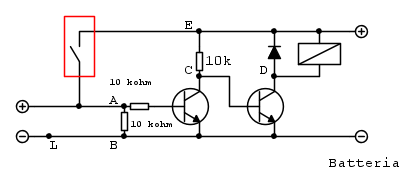
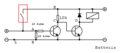
Allora ho fatto le misurazioni sia con interruttore aperto e chiuso su vari punti :


In pratica ho messo il puntale nero sempre nel punto L ...
e poi misuravo queste tensioni spotando quello rosso nei 4 punti indicati :

A circuito aperto :
A = 0 volt
C = 1,1 volt
D = 0,5 volt
E = 12,5 V

A circuito chiuso :
A = 0,7 volt
C = 0 volt
D = 12,5 volt
E = 12,5 volt

Il circuito quando apro l'interruttore bisogna aspettare 2 secondi affinche il rele carichi la bobbina e commuta e nella commutazione il rele vibra oscilla .
invece quando l'interruttore è chiuso la commutazione avviene correttamente è velocemente e il rele non vibra.


*ps (lo so ma ho comunque provato), anche in questo caso se sostituisco solo la resistenza di 10 kohm con una da 2,2 kohm cioè quella tra A e B (quella che va alla Gnd), il rele commuta velocemente e in maniera corretta senza vibrare.

*Ps sostituendo i PNP con gli NPN (e mi scuso con Bruno per la mia grossolana distrazione :oops: )... ora non ho più quella tensione di ritorno :ok:

L'ultima domanda posso lascia quella resistenza da 2,2 kohm per non far vibrare il rele oppure l'errore va ricercato altrove ?
Avatar utente
Foto Utentefloppinoo
205 1 3 7
Sostenitore
Sostenitore
 
Messaggi: 508
Iscritto il: 24 lug 2010, 9:26

1
voti

[32] Re: Attivare rele con NPN usato come interruttore inverso

Messaggioda Foto Utenteelfo » 17 ago 2016, 12:48

floppinoo ha scritto:In pratica ho messo il puntale nero sempre nel punto L ...
e poi misuravo queste tensioni spotando quello rosso nei 4 punti indicati :

A circuito aperto :
A = 0 volt OK
C = 1,1 volt NO BBBUONO (dovrebbe essere ~ 0.65 V (vedi figure sotto)
D = 0,5 volt OK
E = 12,5 V OK

A circuito chiuso :
A = 0,7 volt NO BBBUONO (forse volevi dire/misurare il punto X? - vedi figure sotto)
C = 0 volt NO BBBUONO (dovrebbe essere poco sopra lo 0 V, ma non 0 V - vedi figure sotto)
D = 12,5 volt OK
E = 12,5 volt OK


Il valore della tensione misurata al punto C e' quello piu' "sballato"
Devi misurare il punto C in 3 punti :-) nelle due condizioni interruttore aperto /chiuso (quindi 6 misure in totale)

1) collettore di Q1
2) base di Q2
3) capo "inferiore" della resistanza da 10 kohm (quella collegata a Q1 (collettore) e Q2 (base))

Finche' non si risolve il "punto C" e' inutile fare altre prove (a caso)

Negli schemi sottostanti sono riportate le tensioni "giuste"

Avatar utente
Foto Utenteelfo
6.819 4 5 7
G.Master EY
G.Master EY
 
Messaggi: 2828
Iscritto il: 15 lug 2016, 13:27

0
voti

[33] Re: Attivare rele con NPN usato come interruttore inverso

Messaggioda Foto UtenteBrunoValente » 17 ago 2016, 13:31

Che tipo di relè stai utilizzando? Ne conosci le caratteristiche? Puoi fare una foto?
Avatar utente
Foto UtenteBrunoValente
39,6k 7 11 13
G.Master EY
G.Master EY
 
Messaggi: 7796
Iscritto il: 8 mag 2007, 14:48

0
voti

[34] Re: Attivare rele con NPN usato come interruttore inverso

Messaggioda Foto Utentefloppinoo » 17 ago 2016, 14:17

Il rele è questo uguale uguale stesse sigle e marca e stessi valori .... della songle

http://www.ebay.com/itm/New-10PCS-SONGLE-Power-Relay-SRD-12VDC-SL-C-Mini-DC-12V-10A-PCB-Type-T73-/370761802232



Rated load: 10A 250VAC/28VDC,10A 125VAC/28VDC,10A 125VAC/28VDC
Contact resistance: <=100m (ohm)
Electrical life: 100,000
Mechanical life: 10,000,000
Coil rated voltage: 3-48VDC
Coil power: 0.36W, 0.45W
Coil pick-up voltage: <=75%
Coil drop-out voltage: >=10%
Ambient temperature: -25 degrees Celsius to +70 degrees Celsius
Coil and contacts:1500VAC/min
Contact and contacts: 1000VAC/min
Insulation resistance: >=100M ohm
Mounting form: PCB
Weight : 10g
Outline dimensions19.6MM*15.4MM*15.5MM


elfo mi indichi meglio i 3 punti ?
Ma nelle misurazioni il puntale nero devo tenerlo sempre in L ?

(forse volevi dire/misurare il punto X? - vedi figure sotto)
si esatto A sarrebbe X
Avatar utente
Foto Utentefloppinoo
205 1 3 7
Sostenitore
Sostenitore
 
Messaggi: 508
Iscritto il: 24 lug 2010, 9:26

0
voti

[35] Re: Attivare rele con NPN usato come interruttore inverso

Messaggioda Foto Utenteelfo » 17 ago 2016, 14:27

floppinoo ha scritto:elfo mi indichi meglio il terzo punto
3) capo "inferiore" della resistanza da 10 kohm (quella collegata a Q1 (collettore) e Q2 (base))
perche non ho capito dove si trova gli altri due lo capito ma questo non l'ho capito se me lo dici ti faccio subito le misurazioni


devi "toccare" - con il puntale del voltmetro - il capo della resistenza ( fisicamente la resistenza e non un punto "vicino" collegato con un filo) che e' collegato a Q1 (collettore) e Q2 base.

Gli altri due punti sono il piedino corrispondente al collettore di Q1 e il piedino corrispondente alla base di Q2

Puntale nero sempre in L
Avatar utente
Foto Utenteelfo
6.819 4 5 7
G.Master EY
G.Master EY
 
Messaggi: 2828
Iscritto il: 15 lug 2016, 13:27

0
voti

[36] Re: Attivare rele con NPN usato come interruttore inverso

Messaggioda Foto Utentefloppinoo » 17 ago 2016, 14:48

ho fatto le misurazioni se chiuso restituiscono tutti 1
se aperto i 3 punti restituiscono un valore 0

raga pero mi sono accorto che il problema non è il circuito , ma naturalmente
qualche fesseria fatta da me :D , in pratica dal generatore io ci collego uno step UP infatti staccando lo step Up il rele commuta normalmente e non vibra più.
Raga una domanda da ignorantone, ma la resistenza del circuito di bruno tra A e B (tra positivo e negativo del generatore) quella da 10 K a cosa serve, perché ho provato a toglierla e il rele commuta ugualmente ?
Ultima modifica di Foto Utentefloppinoo il 17 ago 2016, 14:59, modificato 1 volta in totale.
Avatar utente
Foto Utentefloppinoo
205 1 3 7
Sostenitore
Sostenitore
 
Messaggi: 508
Iscritto il: 24 lug 2010, 9:26

0
voti

[37] Re: Attivare rele con NPN usato come interruttore inverso

Messaggioda Foto Utenteelfo » 17 ago 2016, 14:59

Devo ammettere di *non* aver capito nulla (per mia sola incapacita').

floppinoo ha scritto:ho fatto le misurazioni se chiuso restituiscono tutti 1
se aperto i 3 punti restituiscono un valore 0

1 in che unita' di misura?

0 in che unita' di misura?
floppinoo ha scritto: in pratica dal generatore io ci collego uno step UP infatti staccando lo step Up il rele commuta normalmente e non vibra più, ora per ovviare al problema ho messo un diodo tra il generatore e lo step up sul polo positivo (naturalmente ho alzato di 0,7 volt lo step up) in questo caso il rele commuta normalmente e non vibra ....

Cosa c'entra il generatore se il rele' ci mette tot secondi a scattare e vibra anche con l'interruttore all'ingresso (ed il generatore scollegato)?
Avatar utente
Foto Utenteelfo
6.819 4 5 7
G.Master EY
G.Master EY
 
Messaggi: 2828
Iscritto il: 15 lug 2016, 13:27

0
voti

[38] Re: Attivare rele con NPN usato come interruttore inverso

Messaggioda Foto Utentefloppinoo » 17 ago 2016, 15:00

un attimino che mi prendo un po di tempo e scrivo la situazione .... :D in maniera più chiara xd xd
Avatar utente
Foto Utentefloppinoo
205 1 3 7
Sostenitore
Sostenitore
 
Messaggi: 508
Iscritto il: 24 lug 2010, 9:26

0
voti

[39] Re: Attivare rele con NPN usato come interruttore inverso

Messaggioda Foto Utentefloppinoo » 17 ago 2016, 15:09

le misure fatte da me sono in volt

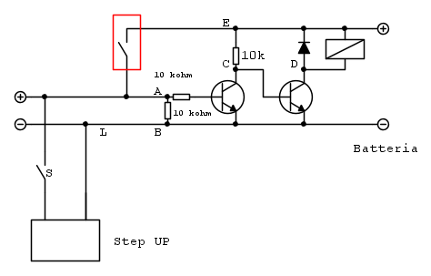
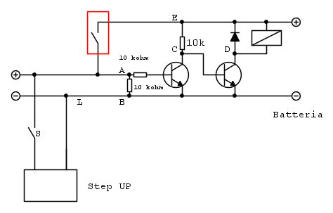
in pratica io ho disegnato solo una parte del circuito ma il circuito prevede anche uno step up collegato al generatore ... in questo modo :



In pratica se supponiamo che ci sia un interruttore S tra step up e generatore, se è chiuso il rele mi da quei due problemi cioè commuta a rilento e vibra, se invece apro l'interruttore S, i due problemi non si presentano più , in pratica per risolvere tutto ho messo un diodo invece dell'interruttore e ora sembra funzinare tutto perfettamente anche con le resistenze da 10 K ohm ....

In pratica quello che mi dava problema era lo step-up, penso che il condesatore sullo step up da 220 uf, quando staccavo il generatore si scaricava sul rele rallentando l'innesco dei transistor
e quindi facendolo vibrare ....
Avatar utente
Foto Utentefloppinoo
205 1 3 7
Sostenitore
Sostenitore
 
Messaggi: 508
Iscritto il: 24 lug 2010, 9:26

0
voti

[40] Re: Attivare rele con NPN usato come interruttore inverso

Messaggioda Foto Utentealev » 17 ago 2016, 15:12

Domanda magari da incompetente: non sarebbe più semplice eliminare lo step-up ed utilizzare un relè adeguato :?:
Avatar utente
Foto Utentealev
5.990 2 9 12
free expert
 
Messaggi: 6282
Iscritto il: 19 lug 2010, 14:38
Località: Altrove

PrecedenteProssimo

Torna a Elettronica generale

Chi c’è in linea

Visitano il forum: Nessuno e 88 ospiti