Shika93 ha scritto:Volevo evitare di mettere a sistema le equazioni di

e

e fare mille conti.
Ahime', ti toccano

Le equazioni che hai scritto sono giuste, bisogna ancora combinarle fra di loro.
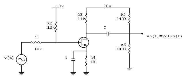
Tanto per cominciare per trovare il bias point devi aprire tutti i condensatori, cortocircuitare gli induttori ed azzerare i generatori (indipendenti) di segnale. Il circuito si riduce al seguenteo
La maglia rossa e` quella da percorrere per risolvere il circuito, ricordando che

e` una incognita al pari di

.
Questo e` il metodo lungo, molti passaggi si possono saltare. L'equazione alla maglia e`
e contiene due incognite, la tensione gate source e la corrente di drain. L'altra equazione e` quella del MOS in zona satura (si
suppone che sia in zona satura, poi alla fine si verifica se lo era davvero.

Due equazioni, due incognite! Ci siamo! Sfortunatamente non e` un sistema lineare, e quindi bisogna andare di sostituzioni. Si puo` ricavare VGS oppure ID dalla prima e sostituirlo nella seconda equazione, e si ottiene

e sostituendo nell'equazione del MOS da`

Equazione di secondo grado, risolvi trovi due soluzioni. Calcoli il valore di VGS con ciascuna di queste due soluzioni, quello che viene minore della tensione di soglia e` da scartare. In questo circuito la soluzione da scartare e` sempre la maggiore delle due ID. Ma abituati a fare le verifiche, perche' non tutti i circuiti sono cosi`.
Oppure ricavi ID dalla prima e quazione e sostituisci nella seconda

ottenendo

Ancora una equazione di secondo grado, risolvi, scarti la soluzione con VGS minore della tensione di soglia, poi avendo la VGS giusta con una delle due equazioni calcoli ID.
Una volta trovata ID, devi verificare che il MOS sia proprio in zona satura: calcoli la VDS e verifichi che sia maggiore di VGS-Vt. Se non lo fosse, ricominci da capo usando l'equazione del MOS in zona triodo.