
Se va bene un quasi-tuttologo (ovvero che non sa bene nulla ma si impiccia di tutto un po') e non molto esperto...

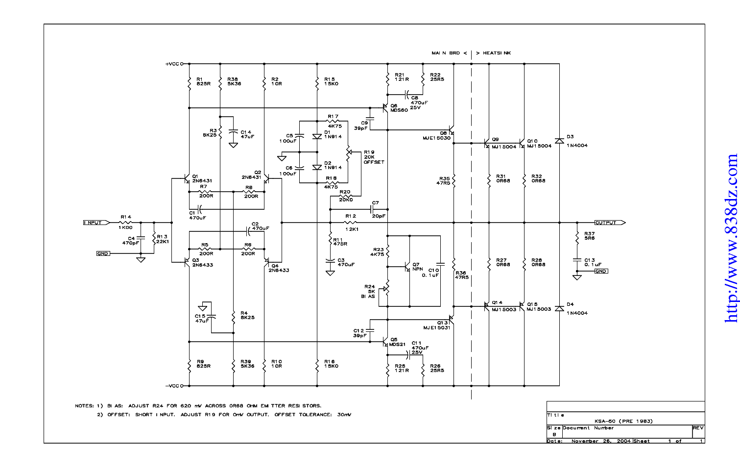
... non serve alcun disaccoppiamento in uscita perché in quella configurazione detta
simmetria complementare, la quale necessita di
alimentazione duale, le tensioni di polarizzazione e alimentazione, essendo eguali ed opposte di segno, si annullano e non vi è alcuna tensione in uscita (0 V); in realtà date le tolleranze dei componenti, dispersione dei parametri etc. una certa tensione potrebbe presentarsi comunque e allora per ovviare a ciò è presente un circuito di bilanciamento (D1,D2 e componenti di contorno) mediante il quale, regolando il trimmer R19, come descritto nella nota 2 dello schema (offset) si ottiene l'annullamento della
tensione di offset (ad essere pignoli qualche mV di sbilanciamento non genera danni e infatti, nella nota, è specificato il limite di tale tensione, "offset tolerance", di 30 mV). Aggiungo che quello è uno schema classico per gli amplificatori audio,
la classe di funzionamento è
AB1; (inoltre,se si vuole stare tranquilli, sarebbe bene adottare un circuitino di protezione degli speaker che li disconnetta al presentarsi di una tensione continua perché, in malaugurato caso di cedimento dei finali, la tensione di alimentazione si riversebbe sulle bobine mandandole al creatore...

).
P.s. Emilio, benvenuto sul forum; i corsivi non li ho messi a caso ma sono spunti per la ricerca sul web, Google e Wikipedia non vanno in ferie

, googla figliuolo, googla

.
"Non farei mai parte di un club che accettasse la mia iscrizione" (G. Marx)