Alimentatore fotovoltaico portatile
Moderatori:
carloc,
g.schgor,
BrunoValente,
IsidoroKZ
1 messaggio
• Pagina 1 di 1
0
voti
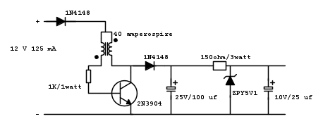
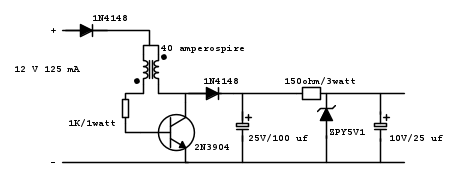
Salve, in questi giorni mi frullava in testa un progetto per alimentare una power bank utilizzando un pannellino fotovoltaico da 1,5 watt. Avevo in mente di utilizzare un Joule thief subito a valle del pannello per ottenere una tensione decente anche con poca luce e, successivamente, un regolatore di tensione con un semplice zener (5 V). La bobina del Joule Thief l'avevo pensata con rapporto 1:1. Ho fatto alcuni test con un altro NPN (BD241B) alimentandolo con una pila da 9 volt. Ho ottenuto, in uscita, quasi 800 V e il transistor fischiava. Per attenuare il fischio ho pensato di cambiare la resistenza alla base con una da 100 kohm ma nulla, la tensione in uscita è diminuita a 40 volt e il fischio è rimasto. Vorrei capire, quindi, cosa ho sbagliato e le eventuali formule per ottenere i valori dei componenti giusti per la mia idea. Per quanto riguarda il dimensionamento della parte stabilizzata con zener ho seguito questa guida http://www.microst.it/Tutorial/zener_4.html . Vi ringrazio in anticipo per il tempo dedicatomi.
1 messaggio
• Pagina 1 di 1
Chi c’è in linea
Visitano il forum: Nessuno e 60 ospiti

Elettrotecnica e non solo (admin)
Un gatto tra gli elettroni (IsidoroKZ)
Esperienza e simulazioni (g.schgor)
Moleskine di un idraulico (RenzoDF)
Il Blog di ElectroYou (webmaster)
Idee microcontrollate (TardoFreak)
PICcoli grandi PICMicro (Paolino)
Il blog elettrico di carloc (carloc)
DirtEYblooog (dirtydeeds)
Di tutto... un po' (jordan20)
AK47 (lillo)
Esperienze elettroniche (marco438)
Telecomunicazioni musicali (clavicordo)
Automazione ed Elettronica (gustavo)
Direttive per la sicurezza (ErnestoCappelletti)
EYnfo dall'Alaska (mir)
Apriamo il quadro! (attilio)
H7-25 (asdf)
Passione Elettrica (massimob)
Elettroni a spasso (guidob)
Bloguerra (guerra)
