Cos'è ElectroYou | Login Iscriviti

ElectroYou - la comunità dei professionisti del mondo elettrico

LM386 aiuto su funzionamento.

Elettronica lineare e digitale: didattica ed applicazioni

Moderatori: Foto Utentecarloc, Foto Utenteg.schgor, Foto UtenteBrunoValente, Foto UtenteIsidoroKZ

0
voti

[1] LM386 aiuto su funzionamento.

Messaggioda Foto Utentelucaking » 29 set 2016, 7:40

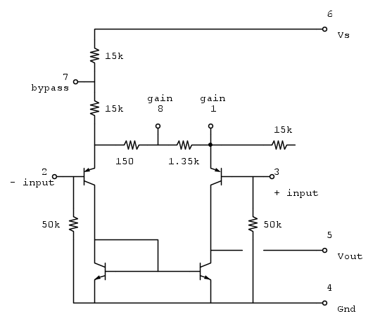
Su spunto di questo thread , ho voluto approfondire il funzionamento di suddetto componente.

Se ho ben capito la parte di destra dello schema dovrebbe funzionare da finale e quindi per per quanto riguarda il funzionamento dell' operazionale vero e proprio non dovrebbe interessarmi.

I dubbi principali li ho sull' uso dei due condensatori da 0,1 uF che si devono usare per guadagni maggiori a 20.
Sia il il datasheet che Foto UtentePiercarlo nell' altro thread, spiegano che il condensatore tra il pin 1 e 8 servono per bypassare il resistore da 1,35k interno all' integrato.
Nel datasheet si legge inoltre che per ottenere guadagni diversi si puo inserire in serie a suddetto condensatore un resistore.
La cosa che non capisco è: un condesatore carico non corrisponde ad un circuito aperto?
In questa condizione la corrente non passa comunque per il resestore da 1,35k?

L' altro dubbio riguarda l' uso del condesatore o del corto tra il pin 7 e massa.
Foto UtentePiercarlo lo ha definito una sorta di filtro per l' ingresso dell' operazionale, il datasheet dice che serve per bypassare l' ingresso inutilizzato.
Immagino siano due modi per dire la stessa cosa, ma mi piacerebbe capirne il perche.
Avatar utente
Foto Utentelucaking
1.651 4 5 8
Expert
Expert
 
Messaggi: 1445
Iscritto il: 29 mag 2015, 14:28

2
voti

[2] Re: LM386 aiuto su funzionamento.

Messaggioda Foto UtentePixy » 29 set 2016, 8:58

lucaking ha scritto:
I dubbi principali li ho sull' uso dei due condensatori da 0,1 uF che si devono usare per guadagni maggiori a 20.

La cosa che non capisco è: un condesatore carico non corrisponde ad un circuito aperto?
In questa condizione la corrente non passa comunque per il resestore da 1,35k?



Si, passa sempre dal resistore da 1,35 kohm che costituisce la rete di polarizzazione, ma il condensatore "avvicina" gli emetittori per quanto riguarda il segnale aumentando il guadagno senza modificare la rete di polarizzazione
Non si può avvicinare gli emettitori bypassando la resistenza interna semplicemente con un' altra resistenza esterna, perché questo modificherebbe la rete di polarizzazione.
Infatti, anche se vuoi modificare il guadagno a piacere con un resistore esterno ai pin 1 e 8 lo devi fare mettendo sempre in serie il condensatore da 10 u F.
Probabilmente con guadagni diversi da 20 o 200 , forse si modifica anche la risposta in frequenza a causa delle rete RC posta fra questi due pin.
Però per riportare la risposta in frequenza a quella voluta, poi si può mettere una rete RC fra il pin 5 di uscita e il in 1 reazionando negativamente l' amplificatore

comunque, maggiori dettagli, penso te li possono dare altri utenti più capaci nel settore audio del sottoscritto che può darsi anche che abbia fatto errori di valutazione

P.S.
Prima ho scritto un' inesattezza.
La rete RC del guadagno non influenza la risposta in frequenza, perché, come si vede anche negli schemi del datasheet, usa sempre il condensatore da 10 uF che ha una reattanza capacitiva trascurabile anche alle basse frequenze
Scusa..
Ultima modifica di Foto UtentePixy il 29 set 2016, 9:58, modificato 1 volta in totale.
Avatar utente
Foto UtentePixy
559 2 7
Expert EY
Expert EY
 
Messaggi: 478
Iscritto il: 20 nov 2012, 20:14

0
voti

[3] Re: LM386 aiuto su funzionamento.

Messaggioda Foto UtenteEcoTan » 29 set 2016, 9:03

lucaking ha scritto: un condesatore carico non corrisponde ad un circuito aperto?

No, alle frequenze che ci interessano può corrispondere a un corto circuito.
Bel lavoro in Fidocad.

OOps.. quod abundat..
Avatar utente
Foto UtenteEcoTan
7.720 4 12 13
Expert EY
Expert EY
 
Messaggi: 5424
Iscritto il: 29 gen 2014, 8:54

1
voti

[4] Re: LM386 aiuto su funzionamento.

Messaggioda Foto UtentePiercarlo » 29 set 2016, 13:40

Il condensatore sul piedino 7 serve a filtrare l'ALIMENTAZIONE dello stadio di ingresso e non l'ingresso in quanto tale! Occhio...

Ciao
Piercarlo
Avatar utente
Foto UtentePiercarlo
24,0k 6 11 13
G.Master EY
G.Master EY
 
Messaggi: 6722
Iscritto il: 30 mar 2010, 19:23
Località: Milano

0
voti

[5] Re: LM386 aiuto su funzionamento.

Messaggioda Foto Utentelucaking » 29 set 2016, 16:33

Ecco, lo sapevo, mi sono infilato in una bega piu grossa di me.... #-o

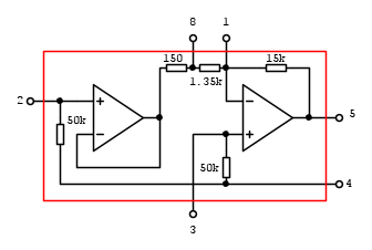
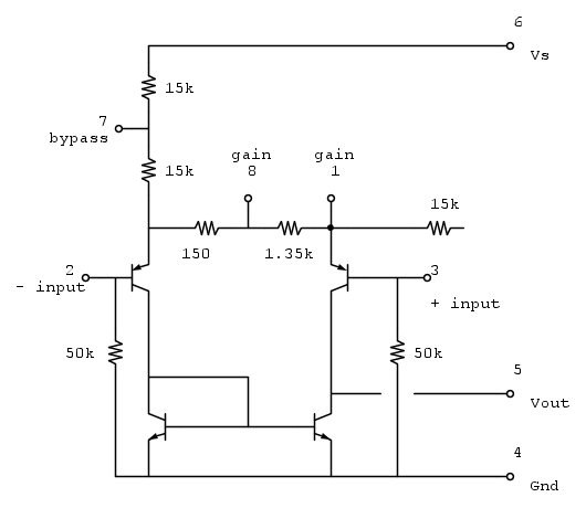
Per provare capirci qualcosa di piu, posso analizzare il circuito cosi semplificato?
Se si, dove collego il resistore da 15K volante?

Questo dovrebbe essere l'amplificatore differenziale alla base dell' integrato giusto?

Foto UtenteEcoTan: Hai visto che lo schema in fidocad è tornato utile.(spero....) :D
Avatar utente
Foto Utentelucaking
1.651 4 5 8
Expert
Expert
 
Messaggi: 1445
Iscritto il: 29 mag 2015, 14:28

2
voti

[6] Re: LM386 aiuto su funzionamento.

Messaggioda Foto UtenteBrunoValente » 29 set 2016, 18:47

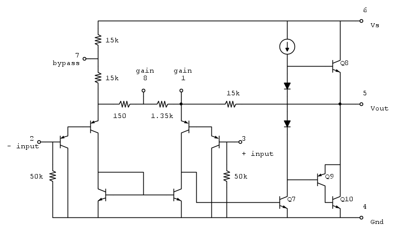
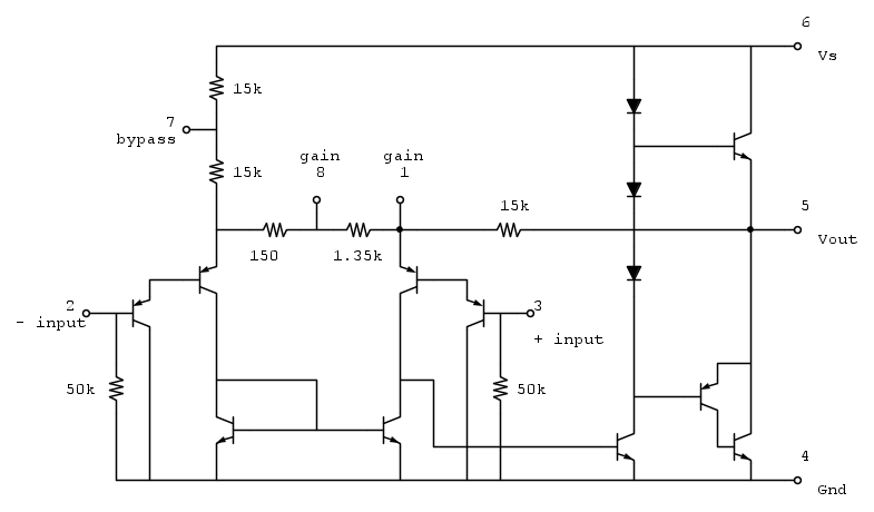
Occhio! nel primo schema ti sei confuso: il primo diodo in alto a destra non è un diodo, controlla il datasheet, è un generatore di corrente, altrimenti il transistor finale NPN non avrebbe modo di funzionare.
Avatar utente
Foto UtenteBrunoValente
39,6k 7 11 13
G.Master EY
G.Master EY
 
Messaggi: 7796
Iscritto il: 8 mag 2007, 14:48

1
voti

[7] Re: LM386 aiuto su funzionamento.

Messaggioda Foto UtenteBrunoValente » 29 set 2016, 19:01

Il resistore da 15k porta indietro il segnale di uscita per la controreazione.

Se l'ingresso al pin 2 è cortocircuitato al riferimento si vede facilmente che la corrente in uscita a quello che tu in quest'ultimo schema chiami 5, che non è il pin 5 dell'integrato, dipende dal contributo additivo della tensione di uscita dell'integrato dove si collega la R da 15k (perché entra in emettitore) e dal contributo sottrattivo della tensione di ingresso al pin 3 (perché entra in base).

Ad arrivare alla vera uscita c'è ancora di mezzo il pilota che inverte e lo stadio finale che non inverte, quindi complessivamente c'è un'inversione netta e perciò il contributo all'uscita del segnale di reazione che arriva dalla R da 15k è in controfase, come deve essere in una controreazione.
Avatar utente
Foto UtenteBrunoValente
39,6k 7 11 13
G.Master EY
G.Master EY
 
Messaggi: 7796
Iscritto il: 8 mag 2007, 14:48

0
voti

[8] Re: LM386 aiuto su funzionamento.

Messaggioda Foto Utentelucaking » 29 set 2016, 20:28


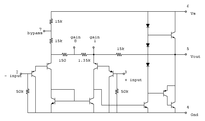
Posto lo schema corretto perche non posso piu modificarlo e poi mi scuso ma devo arrendermi, ho fatto il passo piu lungo della gamba. :(

Alla fine non mi torna neanche il funzionamento dello stadio finale.
Mi sembrava un finale a simmetria complementare, ma Q10 mi manda in confusione.
Giusto per sapermi orientare negli studi, qual è nello schema il pilota (concetto a me ancora oscuro)?
Avatar utente
Foto Utentelucaking
1.651 4 5 8
Expert
Expert
 
Messaggi: 1445
Iscritto il: 29 mag 2015, 14:28

2
voti

[9] Re: LM386 aiuto su funzionamento.

Messaggioda Foto UtenteBrunoValente » 29 set 2016, 20:39

Q7 è il pilota che inverte il segnale, mentre Q9 e Q 10, collegati in quella particolare configurazione, si comportano sostanzialmente come un transistor PNP, quindi lo stadio finale è a simmetria complementare e perciò non inverte il segnale, Q8 NPN sopra e Q9+Q10 PNP sotto.

Se ti può aiutare nei ragionamenti, il circuito orientativamente si comporta come se dentro fosse fatto così

Avatar utente
Foto UtenteBrunoValente
39,6k 7 11 13
G.Master EY
G.Master EY
 
Messaggi: 7796
Iscritto il: 8 mag 2007, 14:48

1
voti

[10] Re: LM386 aiuto su funzionamento.

Messaggioda Foto UtenteIsidoroKZ » 29 set 2016, 22:13

Vogliamo un'analisi approfondita di Foto Utentecarloc!
Per usare proficuamente un simulatore, bisogna sapere molta più elettronica di lui
Plug it in - it works better!
Il 555 sta all'elettronica come Arduino all'informatica! (entrambi loro malgrado)
Se volete risposte rispondete a tutte le mie domande
Avatar utente
Foto UtenteIsidoroKZ
121,2k 1 3 8
G.Master EY
G.Master EY
 
Messaggi: 21059
Iscritto il: 17 ott 2009, 0:00

Prossimo

Torna a Elettronica generale

Chi c’è in linea

Visitano il forum: Nessuno e 347 ospiti