Ciao a tutti, son qui per chiedere qualche lume sui triac, soprattutto per la combinazione citata nel titolo. Le mie conoscenze su questi componenti sono puramente scolastiche perché in pratica non li ho mai usati e, ora, mi trovo di fronte alla necessità di farne uso per venire a capo di alcuni problemi di un alimentatore.
L'alimentatore è il famigerato PS-305D Longwei (in origine: i marchi con cui viene venduto in giro sono invece una infinità) di produzione cinese, che ho acquistato attratto dal suo basso prezzo e anche un po' per l'estetica (che è quasi l'unica cosa davvero a posto di questo alimentatore...), pensando peraltro che i suoi relativamente noti difetti fossero cose abbastanza da poco.
Purtroppo non è così; accanto a immani porcherie come (per dirne una) non aver protetto i driver dei relè dalle sovratensioni delle bobine o il pietoso dissipatore deo finali. ve ne è una decisamente fetente che è proprio l'uso che ne è stato fatto dei relè stessi (commutare i secondari del trasformatore) che, brasandosi i contatti dopo qualche tempo (meno di due anni da quel che ho visto in rete) tende a diventare un inesorabile "circuit killer".
La questione richiede degli interventi preventivi: 1) si dota ciascun secondario commutato di un proprio raddrizzatore in modo che i relè commutino delle tensioni già raddrizzate e filtrate 2) sostituiscono i relè con dei triac pilotati con dei fotoaccoppiatori. La prima è forse la soluzione più economica ma ha il grosso inconveniente di non risolvere realmente il problema ma soltanto rimandarlo ad una scadenza più lontana nel tempo. La seconda non è molto più costosa ma sicuramente è più complessa; inoltre richiede che i triac siano in grado di gestire le correnti di carica dei condensatori (circa 10 miila uF) che non sono proprio piccole.
Voi cosa mi consigliereste?
Cao
Piercarlo
TRIAC e diodi in serie - Sostituzione relè
Moderatori:
carloc,
g.schgor,
BrunoValente,
IsidoroKZ
13 messaggi
• Pagina 1 di 2 • 1, 2
0
voti
Intanto il TRIAC va inserito in serie ad un circuito in c.a., perche` l'unico modo di aprirlo, e` che si interrompa la corrente circolante con altri dispositivi. La c.a. lo fa gia` in modo naturale. In c.c. (cosa che mi sembra di capire), forse e` meglio impiegare un mosfet, dimensionamento permettendo.
Nel caso del TRIAC poi, la commutazioni di circuiti diversi, deve tenere conto di un tempo morto di commutazione molto piu` lungo, proprio perche` l'atteso del passaggio a zero della corrente richiede tutto il tempo di una semionda in c.a.
Se le correnti in gioco sono molto forti, poi, il TRIAC diventa difficile da dissipare. Non impossibile, ma ha solitamente una c.d.t. che si aggira tra 1.5 V e 2 V, che con pochi ampere di corrente, diventa una potenza importante da dissipare. In c.c. a parita` di corrente, si riesce a ridurre sensibilmente la potenza dissipata.
Pero`, mi domando: ma neanche con degli snubber si riescono a salvaguardare i rele`?
Non riesci a postare un estratto dello schema di questi alimentatori?
Nel caso del TRIAC poi, la commutazioni di circuiti diversi, deve tenere conto di un tempo morto di commutazione molto piu` lungo, proprio perche` l'atteso del passaggio a zero della corrente richiede tutto il tempo di una semionda in c.a.
Se le correnti in gioco sono molto forti, poi, il TRIAC diventa difficile da dissipare. Non impossibile, ma ha solitamente una c.d.t. che si aggira tra 1.5 V e 2 V, che con pochi ampere di corrente, diventa una potenza importante da dissipare. In c.c. a parita` di corrente, si riesce a ridurre sensibilmente la potenza dissipata.
Pero`, mi domando: ma neanche con degli snubber si riescono a salvaguardare i rele`?
Non riesci a postare un estratto dello schema di questi alimentatori?
-

CarloCoriolano
1.446 3 4 7 - ---
- Messaggi: 1023
- Iscritto il: 24 mag 2016, 13:08
2
voti
Ti propongo 3 soluzioni:
1) considerare i rele' "materiale di consumo" e cambiarli periodicamente, ad es 1 volta l'anno.
Ovviamente devi fare delle modifiche all'alimentatore (ad es zoccolare i rele') in modo che la loro sostituzione *non* e' piu' complicata che sostituire una lampadina ad incandescenza.
2) mettere in parallelo ai contatti del rele un SCR/Triac che commuti al passaggio "dello zero" e solo successivamente il rele chiude i contatti.
questa soluzione e(ra)' stata adottata dalla HP in uno switch di rete interfacciato da un computer e documentata in un HP Journal (a memoria) a cavallo degli anni 70/80. Se mi dai del tempo e sei interessato cerco di trovare il riferimento preciso.
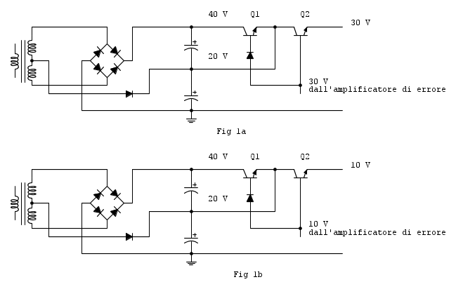
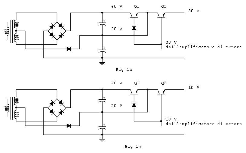
3) modificare l'alimentatore - eliminando i rele' - come da schema di principio qui sotto.
La commutazione viene gestita dai transistor.
Nella Fig 1a (trascuriamo le Vbe e le cadute sui diodi) avendo in base 30 V tutti e due i transistor Q1 e Q2 sono accesi
Nella Fig 1b (trascuriamo c.s.) avendo in base 10 V solo Q2 e' acceso e la tensione che deve "dissipare" e' solo i 20 V.
Sotto un particolare di uno schema "reale" di un alimentatore 40 V 10 A - realizzato nei primi anni 80 secondo lo schema di principio di cui sopra - e' nell'immagine qui sotto: l'ho scattata al volo con il cellulare ma, se ti interessa, posso farti la scansione del circuito completo e piu' leggibile (sono diversi fogli A3).
1) considerare i rele' "materiale di consumo" e cambiarli periodicamente, ad es 1 volta l'anno.
Ovviamente devi fare delle modifiche all'alimentatore (ad es zoccolare i rele') in modo che la loro sostituzione *non* e' piu' complicata che sostituire una lampadina ad incandescenza.
2) mettere in parallelo ai contatti del rele un SCR/Triac che commuti al passaggio "dello zero" e solo successivamente il rele chiude i contatti.
questa soluzione e(ra)' stata adottata dalla HP in uno switch di rete interfacciato da un computer e documentata in un HP Journal (a memoria) a cavallo degli anni 70/80. Se mi dai del tempo e sei interessato cerco di trovare il riferimento preciso.
3) modificare l'alimentatore - eliminando i rele' - come da schema di principio qui sotto.
La commutazione viene gestita dai transistor.
Nella Fig 1a (trascuriamo le Vbe e le cadute sui diodi) avendo in base 30 V tutti e due i transistor Q1 e Q2 sono accesi
Nella Fig 1b (trascuriamo c.s.) avendo in base 10 V solo Q2 e' acceso e la tensione che deve "dissipare" e' solo i 20 V.
Sotto un particolare di uno schema "reale" di un alimentatore 40 V 10 A - realizzato nei primi anni 80 secondo lo schema di principio di cui sopra - e' nell'immagine qui sotto: l'ho scattata al volo con il cellulare ma, se ti interessa, posso farti la scansione del circuito completo e piu' leggibile (sono diversi fogli A3).
0
voti
elfo ha scritto:questa soluzione e(ra)' stata adottata dalla HP in uno switch di rete interfacciato da un computer e documentata in un HP Journal (a memoria) a cavallo degli anni 70/80.
HP 14570A
HP Journal Dec 1982
http://www.hpl.hp.com/hpjournal/pdfs/Is ... 982-12.pdf
0
voti
Nel corso della giornata, mentre sbrigavo altre cose, ci ho pensato un po' su e mi son reso conto che questo alimentatore è sostanzialmente un cesso e a rimetterlo a posto sul serio vorrebbe dire riprogettarlo e amen.
Alcune cose però credo si possano fare: 1) raddrizzare e filtrare separatamente le tensioni fornire dai secondari e solo a questo punto commutarle con i relè. 2) verificare lo schema e apportare eventuali correzioni.
I finali e il dissipatore sono già stati rivisto; i finali sono diventati 4 - sempre 2N3055 ma "H" e di produzione Motorola, provenienti da un alimentatore "serio" che alimentava uno scanner a tamburo Crossifield di oltre 25 anni fa.
Infine una curiosità di cui vorrei avere qualche dettaglio in più: l'alimentatore/caricabattere da cui è stato copiato 'sto mostriciattolo è un Lodestar di produzione taiwanese che lo produceva e vendeva all'incirca negli anni 80 ed è finito pure tra i cimeli segnalati dal Radiomuseum. Avete qualche dritta in più?
@CarloCoriolano - Uno straccio di schema (peraltro quasi del tutto privo di valori) lo si trova in questo thread. Gli altri che ci sono in giro non c'enrano niente.
Ciao
Piercarlo
In allegato ho raccolto in un unico pdf i tre schemi di EEVV che sono gli unici che sembrano avere qualche senso con quello che c'è denro a questo alimentatore; ovviamente sono disegnati "in cinese"...
Alcune cose però credo si possano fare: 1) raddrizzare e filtrare separatamente le tensioni fornire dai secondari e solo a questo punto commutarle con i relè. 2) verificare lo schema e apportare eventuali correzioni.
I finali e il dissipatore sono già stati rivisto; i finali sono diventati 4 - sempre 2N3055 ma "H" e di produzione Motorola, provenienti da un alimentatore "serio" che alimentava uno scanner a tamburo Crossifield di oltre 25 anni fa.
Infine una curiosità di cui vorrei avere qualche dettaglio in più: l'alimentatore/caricabattere da cui è stato copiato 'sto mostriciattolo è un Lodestar di produzione taiwanese che lo produceva e vendeva all'incirca negli anni 80 ed è finito pure tra i cimeli segnalati dal Radiomuseum. Avete qualche dritta in più?
@CarloCoriolano - Uno straccio di schema (peraltro quasi del tutto privo di valori) lo si trova in questo thread. Gli altri che ci sono in giro non c'enrano niente.
Ciao
Piercarlo
In allegato ho raccolto in un unico pdf i tre schemi di EEVV che sono gli unici che sembrano avere qualche senso con quello che c'è denro a questo alimentatore; ovviamente sono disegnati "in cinese"...
- Allegati
-
Power Supply - PS-305D.pdf- (57.64 KiB) Scaricato 147 volte
0
voti
Infatti li ho già visti e non c'entrano nulla. Da qualche parte vi è scritto che si tratta dello schema di un HY3005, che devo ancora vedere se è almeno in parte imparentato con quello che sto studiando/riparando.
Ciao
Piercarlo
Ciao
Piercarlo
0
voti
Ho guardato lo schema, e, come dici tu, se non fosse per il mobiletto, non varrebbe la pena perderci tempo sopra.
Cosa arriva in base a Q107? E da dove?
Per il resto, una domanda: il rele` che piu` di tutti si usura, e quello che commuta la tensione maggiore? Od anche il suo compare?
Cosa arriva in base a Q107? E da dove?
Per il resto, una domanda: il rele` che piu` di tutti si usura, e quello che commuta la tensione maggiore? Od anche il suo compare?
-

CarloCoriolano
1.446 3 4 7 - ---
- Messaggi: 1023
- Iscritto il: 24 mag 2016, 13:08
0
voti
CarloCoriolano ha scritto:Per il resto, una domanda: il rele` che piu` di tutti si usura, e quello che commuta la tensione maggiore? Od anche il suo compare?
Difficile dirlo senza far prove. In realtà a intuire che potessero essere i relè che fondono i contatti ci sono arrivato io (e spero pure qualcun altro... altrimenti l'elettronica è davvero messa male!), mettendo insieme un po' di segnalazioni di guasti strani e il fatto che vi sono secondari DI POTENZA commutati appunto da relè.
Quanto a Q107 probabilmente i diodi sono riportati all'incontrario (ma è da controllare perché ci sono segnalazioni che affermano che i finali non hanno mai scaldato... Mah!).
Ciao
Piercarlo
(Pensare che 'sto coso l'ho preso per sostituire il mio vecchio alimentatore che, dopo essere stato completamente rifatto - non era una cinesata ma una "Italianata de napule" altrettanto degna... - cominciava, dopo vent'anni di onesto servizio da "rifatto", a tirare le cuoia, soprattutto il trasformatore)
0
voti
Difficile capire lo schema senza valori. I due relè commutano con soglie di tensione diverse? Ed il trigger è fatto dal transistor a dx? Che tensioni ci sono ai terminali a.c.?
Immagino che i relè abbiano il contatto in scambio, rendendo normale il fatto che brucino in breve tempo. Per tenere quelcircuitoi relè commutatori dovrebbero comandarne dei secondi, ciascuno con un solo polo c.a., interbloccati tra loro conun contatto n.c. per dare un tempomorto di commutazione
Immagino che i relè abbiano il contatto in scambio, rendendo normale il fatto che brucino in breve tempo. Per tenere quelcircuitoi relè commutatori dovrebbero comandarne dei secondi, ciascuno con un solo polo c.a., interbloccati tra loro conun contatto n.c. per dare un tempomorto di commutazione
-

CarloCoriolano
1.446 3 4 7 - ---
- Messaggi: 1023
- Iscritto il: 24 mag 2016, 13:08
13 messaggi
• Pagina 1 di 2 • 1, 2
Chi c’è in linea
Visitano il forum: Majestic-12 [Bot] e 44 ospiti

Elettrotecnica e non solo (admin)
Un gatto tra gli elettroni (IsidoroKZ)
Esperienza e simulazioni (g.schgor)
Moleskine di un idraulico (RenzoDF)
Il Blog di ElectroYou (webmaster)
Idee microcontrollate (TardoFreak)
PICcoli grandi PICMicro (Paolino)
Il blog elettrico di carloc (carloc)
DirtEYblooog (dirtydeeds)
Di tutto... un po' (jordan20)
AK47 (lillo)
Esperienze elettroniche (marco438)
Telecomunicazioni musicali (clavicordo)
Automazione ed Elettronica (gustavo)
Direttive per la sicurezza (ErnestoCappelletti)
EYnfo dall'Alaska (mir)
Apriamo il quadro! (attilio)
H7-25 (asdf)
Passione Elettrica (massimob)
Elettroni a spasso (guidob)
Bloguerra (guerra)



