Salve, avrei bisogno di una mano sul seguente esercizio.
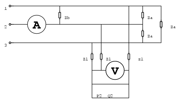
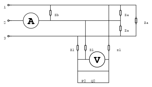
Per il circuito trifase in figura, alimentato da una terna simmetrica diretta di tensioni, si trovi l'indicazione dell' amperometro A.
Dati : V=380 V, Za=(12+10j) Ω, Zb=(15+8j)Ω, Zl= impedenza di una rete elettirca con i seguenti parametri = lunghezza l=300m ; sezione S = 6mm^2 ; resistività ρ= 1,7E-8 Ωm ; reattanza p.u.l. Xpul=0,8 Ω/km
Ho provato a calcolare Zl ottenendo 0,85+0,8j , è corretto?
esercizio trifase
Moderatori:
g.schgor,
IsidoroKZ
13 messaggi
• Pagina 1 di 2 • 1, 2
0
voti
Potrebbe indicarmi quali errori ho commesso nello svolgimento dell'esercizio?
Ho prima di tutto trasformato le impedenze Za da triangolo stella, per cui Za =4+3,33j. Poi noti P2 =12kw ,Q2=10kvar e la tensione inditcata dal wattmetro ho ricavato la corrente IL=23.7 A
=23.7 A.Poi ho calcolato la tensione agente sull'impedenza Zl , El=|Zl|*Il=
=21 V. Ho ricavato la tensione E1 come somma di quella agente su Zl e sul carico 2 ,ottenendo E1= 21+219=240 V. Nota quest'ultima divindola per il modulo dell'impedenza Za ho ricavato la corrente Ia=46.1 A. Nota la tensione di linea E1 ho ricavato la tensione concatenata
=416V. A questo punto ho ricavato
=24,5 A.Quindi, infine, Iamp =-24,5+46.1+23.7=45.3 A
Ho prima di tutto trasformato le impedenze Za da triangolo stella, per cui Za =4+3,33j. Poi noti P2 =12kw ,Q2=10kvar e la tensione inditcata dal wattmetro ho ricavato la corrente IL=23.7 A
=23.7 A.Poi ho calcolato la tensione agente sull'impedenza Zl , El=|Zl|*Il=
=21 V. Ho ricavato la tensione E1 come somma di quella agente su Zl e sul carico 2 ,ottenendo E1= 21+219=240 V. Nota quest'ultima divindola per il modulo dell'impedenza Za ho ricavato la corrente Ia=46.1 A. Nota la tensione di linea E1 ho ricavato la tensione concatenata
=416V. A questo punto ho ricavato
=24,5 A.Quindi, infine, Iamp =-24,5+46.1+23.7=45.3 A-

pietro1990
3 3 - Messaggi: 33
- Iscritto il: 8 giu 2016, 19:53
0
voti
pietro1990 ha scritto:Poi ho calcolato la tensione agente sull'impedenza Zl , El=|Zl|*Il==21 V. Ho ricavato la tensione E1 come somma di quella agente su Zl e sul carico 2 ,ottenendo E1= 21+219=240 V.
Intanto qui.
La caduta su Zl non si calcola in quel modo né si somma aritmeticamente a quella agente sul carico 2.
Ti conviene applicare il metodo delle potenze (Boucherot) quindi calcolare potenza attiva e reattiva su Zl, aggiungerle a potenza attiva e reattiva del carico 2, quindi, nota la corrente che hai ricavato su Zl, ricavare la tensione a monte ddi essa
0
voti
Ho ricavato Pl= 3*R*Il^2= 3*0,85* (23,7^2)=1432 W e Ql=3*X*Il^2=3*0,24*23.7^2=404 var. Quindi sommando ho ricavato Ptot= Pl+P2=13432 W , Qtot=Ql+Q2=10404 var. E' corretto?
-

pietro1990
3 3 - Messaggi: 33
- Iscritto il: 8 giu 2016, 19:53
0
voti
Ho calcolato Ptot= Pl+P2=13432 W e Qtot= Ql+Q2=10404 var.Da
=3*E1*IL ,ho ricavato E1=239 V.Posto E1=239e^(j0°), E2=239e^(-j120°), E3=239e^(-j240°), ho ricavato
= arctan (10404/13432)=37.8°.A questo punto ho ricavato I1L=23,7e^(-j37.8°), I2L=23,7e^(-j157,8°), I3L=23,7e^(-j277,8°). Posto E1=(12+10j)* I1a, ho ricavato
= 46 e^(-j40°). Quindi ho posto I1a=46e^(-j40°), I2a=46e^(-j160°), I3a=46e^(-j280°). Poi ho calcolato
=414e^(j30°), e
=24,4e^(j2°). Quindi I2=-Ib+I2l+I2a =93e^(-j164°) , da cui la lettura dell'amperometro é 93 A
=3*E1*IL ,ho ricavato E1=239 V.Posto E1=239e^(j0°), E2=239e^(-j120°), E3=239e^(-j240°), ho ricavato
= arctan (10404/13432)=37.8°.A questo punto ho ricavato I1L=23,7e^(-j37.8°), I2L=23,7e^(-j157,8°), I3L=23,7e^(-j277,8°). Posto E1=(12+10j)* I1a, ho ricavato
= 46 e^(-j40°). Quindi ho posto I1a=46e^(-j40°), I2a=46e^(-j160°), I3a=46e^(-j280°). Poi ho calcolato
=414e^(j30°), e
=24,4e^(j2°). Quindi I2=-Ib+I2l+I2a =93e^(-j164°) , da cui la lettura dell'amperometro é 93 A-

pietro1990
3 3 - Messaggi: 33
- Iscritto il: 8 giu 2016, 19:53
0
voti
Ho calcolato
e
.Da
,ho ricavato
.Posto
,
,
, ho ricavato
.A questo punto ho ricavato
,
,
. Posto
, ho ricavato
. Quindi ho posto
,
,
. Poi ho calcolato
, e
. Quindi
, da cui la lettura dell'amperometro é 93 A.
Mi scuso , non ero riuscito ad inserire tutte le formule in LaTeX adesso ho corretto
e
.Da
,ho ricavato
.Posto
,
,
, ho ricavato
.A questo punto ho ricavato
,
,
. Posto
, ho ricavato
. Quindi ho posto
,
,
. Poi ho calcolato
, e
. Quindi
, da cui la lettura dell'amperometro é 93 A.Mi scuso , non ero riuscito ad inserire tutte le formule in LaTeX adesso ho corretto
Ultima modifica di
pietro1990 il 3 ott 2016, 16:57, modificato 1 volta in totale.
-

pietro1990
3 3 - Messaggi: 33
- Iscritto il: 8 giu 2016, 19:53
0
voti
) che si usa per indicare la convoluzione; usa "\times" (
) o "\cdot" (
) 
"Non farei mai parte di un club che accettasse la mia iscrizione" (G. Marx)
-

claudiocedrone
21,3k 4 7 9 - Master EY

- Messaggi: 15302
- Iscritto il: 18 gen 2012, 13:36
13 messaggi
• Pagina 1 di 2 • 1, 2
Torna a Elettrotecnica generale
Chi c’è in linea
Visitano il forum: Nessuno e 47 ospiti

Elettrotecnica e non solo (admin)
Un gatto tra gli elettroni (IsidoroKZ)
Esperienza e simulazioni (g.schgor)
Moleskine di un idraulico (RenzoDF)
Il Blog di ElectroYou (webmaster)
Idee microcontrollate (TardoFreak)
PICcoli grandi PICMicro (Paolino)
Il blog elettrico di carloc (carloc)
DirtEYblooog (dirtydeeds)
Di tutto... un po' (jordan20)
AK47 (lillo)
Esperienze elettroniche (marco438)
Telecomunicazioni musicali (clavicordo)
Automazione ed Elettronica (gustavo)
Direttive per la sicurezza (ErnestoCappelletti)
EYnfo dall'Alaska (mir)
Apriamo il quadro! (attilio)
H7-25 (asdf)
Passione Elettrica (massimob)
Elettroni a spasso (guidob)
Bloguerra (guerra)



