esercizio trifase
Moderatori:
g.schgor,
IsidoroKZ
13 messaggi
• Pagina 2 di 2 • 1, 2
0
voti
devi racchiuderlo ulteriormente tra parentesi graffe, altrimenti la parentesi finale ")" ti viene "normale" (punta il cursore sul latex che ho scritto io e ti appare la sintassi) esterna all'apice; idem per i pedici; o per meglio dire, in generale, quando un apice o un pedice sono composti da più di un carattere, occorre racchiuderli tra parentesi graffe.

P.s. Le parentesi graffe mi hanno fatto dannare poiché non le trovavo sulla tastiera, ho chiesto lumi in proposito e ho scoperto che erano praticamente "intese" come maiuscolo delle parentesi quadre... e quindi per ottenerle bastava aggiungere lo shift ai tasti da premere per ottenere le quadre... { } { } { } { }
"Non farei mai parte di un club che accettasse la mia iscrizione" (G. Marx)
-

claudiocedrone
21,3k 4 7 9 - Master EY

- Messaggi: 15303
- Iscritto il: 18 gen 2012, 13:36
0
voti
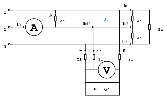
Ho svolto i calcoli utilizzando prevalentemete Boucherot, tranne per la somma vettoriale finale, ed inserendo le dovute indicazioni delle grandezze nello schema e trovo in pratica il risultato che anche tu
pietro1990 hai trovato




Assumendo a fase zero la tensione stellata





Assumendo a fase zero la tensione stellata


13 messaggi
• Pagina 2 di 2 • 1, 2
Torna a Elettrotecnica generale
Chi c’è in linea
Visitano il forum: Nessuno e 93 ospiti

Elettrotecnica e non solo (admin)
Un gatto tra gli elettroni (IsidoroKZ)
Esperienza e simulazioni (g.schgor)
Moleskine di un idraulico (RenzoDF)
Il Blog di ElectroYou (webmaster)
Idee microcontrollate (TardoFreak)
PICcoli grandi PICMicro (Paolino)
Il blog elettrico di carloc (carloc)
DirtEYblooog (dirtydeeds)
Di tutto... un po' (jordan20)
AK47 (lillo)
Esperienze elettroniche (marco438)
Telecomunicazioni musicali (clavicordo)
Automazione ed Elettronica (gustavo)
Direttive per la sicurezza (ErnestoCappelletti)
EYnfo dall'Alaska (mir)
Apriamo il quadro! (attilio)
H7-25 (asdf)
Passione Elettrica (massimob)
Elettroni a spasso (guidob)
Bloguerra (guerra)


