Problema con LED in parallelo
Moderatori:
carloc,
g.schgor,
BrunoValente,
IsidoroKZ
17 messaggi
• Pagina 1 di 2 • 1, 2
0
voti
Buongiorno a tutti.
Come da titolo sto avendo problemi con alcuni led in parallelo. Per la precisione sto utilizzando dei led RGY SMD inseriti in segnali ferroviari.
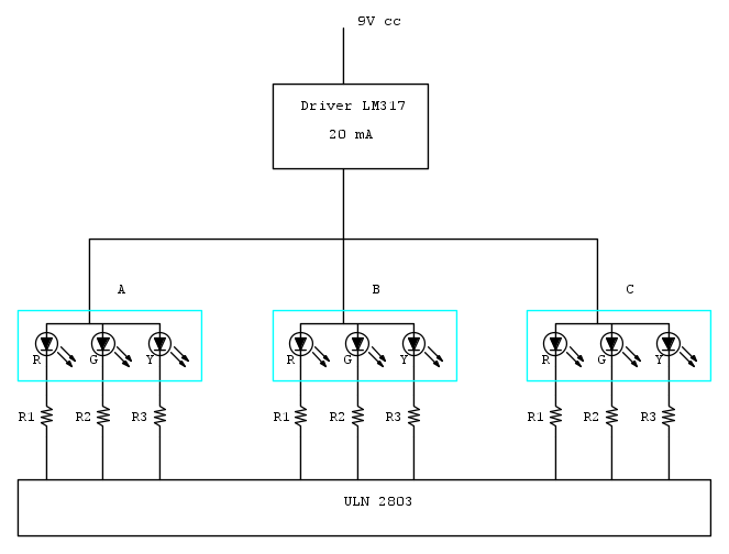
Il problema è il seguente: su un segnale ho tre led (A,B,C). Il normale funzionamento prevede che ogni led deve essere acceso mostrando un solo colore. Il led SMD al suo interno ha i tre led con il positivo in comune e le tre uscite singole per il negativo.
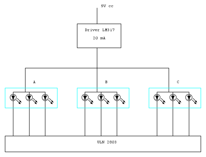
Per alimentare i led utilizzo un driver costituito da un LM317 con cui limito e impongo la corrente all'interno del circuito a circa 20mA.
I negativi dei led sono collegati ad un ULN2803 che provvede ad accendere o spegnere i led secondo le direttive impartite dal controllore.
In generale lo schema è il seguente:
ora capita questo:
- se pongo i tre led A, B, C tutti e tre con lo stesso colore (rosso o verde) non ho nessun problema.
- se pongo A e B a rosso e C a verde, il led C si illumina pochissimo (quasi spento) mentre A e B sono a piena luminosità.
- se pongo A,B,C a verde e successivamente uno dei tre lo pongo a rosso, i due led che prima erano verdi si illuminano poco (quasi spenti) mentre il restante a rosso si accende bene.
Lo stesso comportamento ce l'ho anche se tolgo l' ULN2803 e collego i negativi direttamente all'alimentazione.
Ho trovato una soluzione alimentando ogni singolo led con un driver.
Volevo però cercare una soluzione lasciando un solo driver ogni 3 led.
Qualcuno può darmi una mano?
Le caratteristiche dei led sono:
If = 20mA
Vf (rosso) = 1.9 - 2.0
Vf (giallo) = 2.0 - 2.1
Vf (verde) = 3.0 - 3.1
PS. Non ho fatto prove utilizzando il l'alternaza di un colore con il giallo perché per nell'utilizzo specifico il giallo non è un colore che dovrò usare.
Come da titolo sto avendo problemi con alcuni led in parallelo. Per la precisione sto utilizzando dei led RGY SMD inseriti in segnali ferroviari.
Il problema è il seguente: su un segnale ho tre led (A,B,C). Il normale funzionamento prevede che ogni led deve essere acceso mostrando un solo colore. Il led SMD al suo interno ha i tre led con il positivo in comune e le tre uscite singole per il negativo.
Per alimentare i led utilizzo un driver costituito da un LM317 con cui limito e impongo la corrente all'interno del circuito a circa 20mA.
I negativi dei led sono collegati ad un ULN2803 che provvede ad accendere o spegnere i led secondo le direttive impartite dal controllore.
In generale lo schema è il seguente:
ora capita questo:
- se pongo i tre led A, B, C tutti e tre con lo stesso colore (rosso o verde) non ho nessun problema.
- se pongo A e B a rosso e C a verde, il led C si illumina pochissimo (quasi spento) mentre A e B sono a piena luminosità.
- se pongo A,B,C a verde e successivamente uno dei tre lo pongo a rosso, i due led che prima erano verdi si illuminano poco (quasi spenti) mentre il restante a rosso si accende bene.
Lo stesso comportamento ce l'ho anche se tolgo l' ULN2803 e collego i negativi direttamente all'alimentazione.
Ho trovato una soluzione alimentando ogni singolo led con un driver.
Volevo però cercare una soluzione lasciando un solo driver ogni 3 led.
Qualcuno può darmi una mano?
Le caratteristiche dei led sono:
If = 20mA
Vf (rosso) = 1.9 - 2.0
Vf (giallo) = 2.0 - 2.1
Vf (verde) = 3.0 - 3.1
PS. Non ho fatto prove utilizzando il l'alternaza di un colore con il giallo perché per nell'utilizzo specifico il giallo non è un colore che dovrò usare.
0
voti
Prova a misurare la tensione all'uscita del generatore di corrente costante, troverai sicuramente la tensione del led con minore VF della terna, che non permette a quelli con VF maggiore di accendersi completamente.
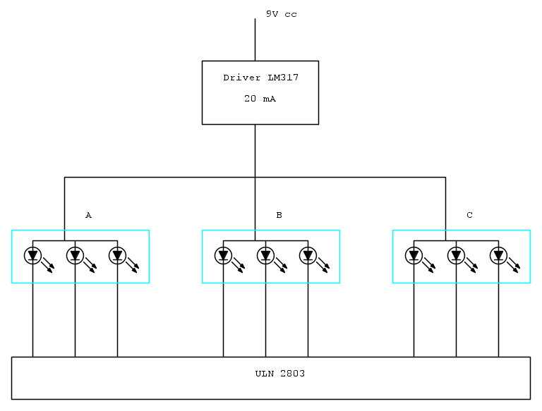
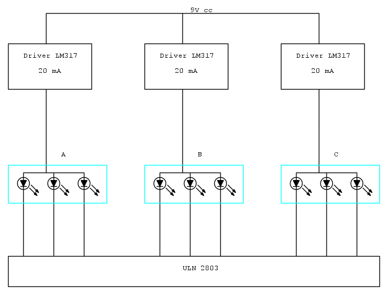
Soluzioni:
Complicata
Semplice:
Soluzioni:
Complicata
Semplice:
1
voti
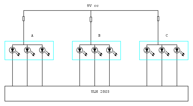
Visto che parti da 9V, al posto del regolatore a corrente costante con il 317, metti una resistenza da 1kohm per ogni terna di led, come ha indicato
edgar. Se vuoi cambiare il livello di luce, cambia il valore della resistenza da un minimo di 390ohm a salire.
Per usare proficuamente un simulatore, bisogna sapere molta più elettronica di lui
Plug it in - it works better!
Il 555 sta all'elettronica come Arduino all'informatica! (entrambi loro malgrado)
Se volete risposte rispondete a tutte le mie domande
Plug it in - it works better!
Il 555 sta all'elettronica come Arduino all'informatica! (entrambi loro malgrado)
Se volete risposte rispondete a tutte le mie domande
0
voti
Grazie per le risposte.
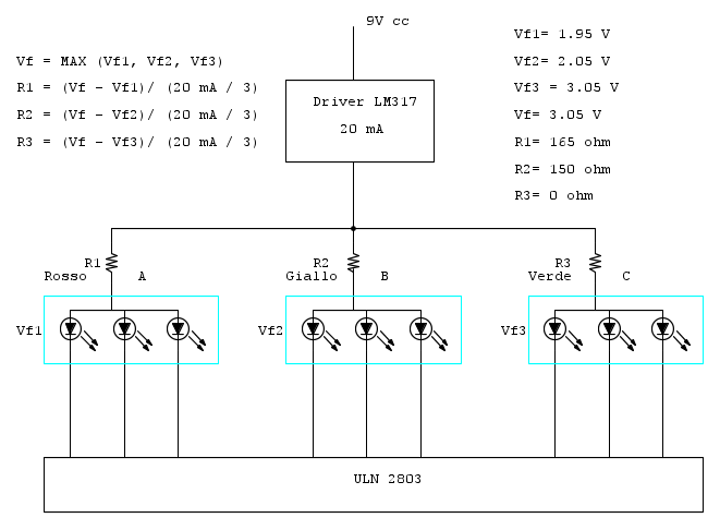
avevo pensato anche io alla resistenza. Apporterei però la modifica al circuito di edgar e al posto della resistenza sul positivo (di ogni ramo) ne metterei 3 (una per ogni negativo) in modo da dimensionare correttamente la corrente circolante in ogni led alle Vf rispettive.
Avevo ipotizzato la soluzione del driver regolatore di corrente perché volevo stare "tranquillo". I led sono da 1.4 mm x 1.4 mm e montati all'interno di segnali la cui dimensione è di 4mm. Non posso permettermi di bruciare un led a causa di una variazione sulla tensione di alimentazione che tramite le resistenze mi causerebbe un aumento / diminuzione della corrente circolante nel led. Con il driver invece sono tranquillo che anche se per un caso fortuito la tensione dovesse arrivare a 24 V i led continuerebbero a funzionare correttamente.
La soluzione "complicata" di edgar l'ho già provata e funziona benissimo. Avevo chiesto solo per evitare di "sprecare" un driver per ogni led.
Per g.schgor:
Il driver sostanzialmente è come da schema allegato (con LM317). Il valore della resistenza è di circa 70 ohm in modo da forzare in uscita circa 20mA. So bene che questi si dividerranno per il numero di led in parallelo ma nonostante ciò quando tutti e tre i led sono accesi, la luminosità è soddisfacente.
avevo pensato anche io alla resistenza. Apporterei però la modifica al circuito di edgar e al posto della resistenza sul positivo (di ogni ramo) ne metterei 3 (una per ogni negativo) in modo da dimensionare correttamente la corrente circolante in ogni led alle Vf rispettive.
Avevo ipotizzato la soluzione del driver regolatore di corrente perché volevo stare "tranquillo". I led sono da 1.4 mm x 1.4 mm e montati all'interno di segnali la cui dimensione è di 4mm. Non posso permettermi di bruciare un led a causa di una variazione sulla tensione di alimentazione che tramite le resistenze mi causerebbe un aumento / diminuzione della corrente circolante nel led. Con il driver invece sono tranquillo che anche se per un caso fortuito la tensione dovesse arrivare a 24 V i led continuerebbero a funzionare correttamente.
La soluzione "complicata" di edgar l'ho già provata e funziona benissimo. Avevo chiesto solo per evitare di "sprecare" un driver per ogni led.
Per g.schgor:
Il driver sostanzialmente è come da schema allegato (con LM317). Il valore della resistenza è di circa 70 ohm in modo da forzare in uscita circa 20mA. So bene che questi si dividerranno per il numero di led in parallelo ma nonostante ciò quando tutti e tre i led sono accesi, la luminosità è soddisfacente.
0
voti
ciao elfo.
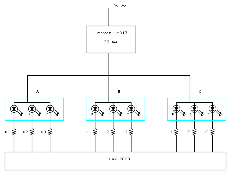
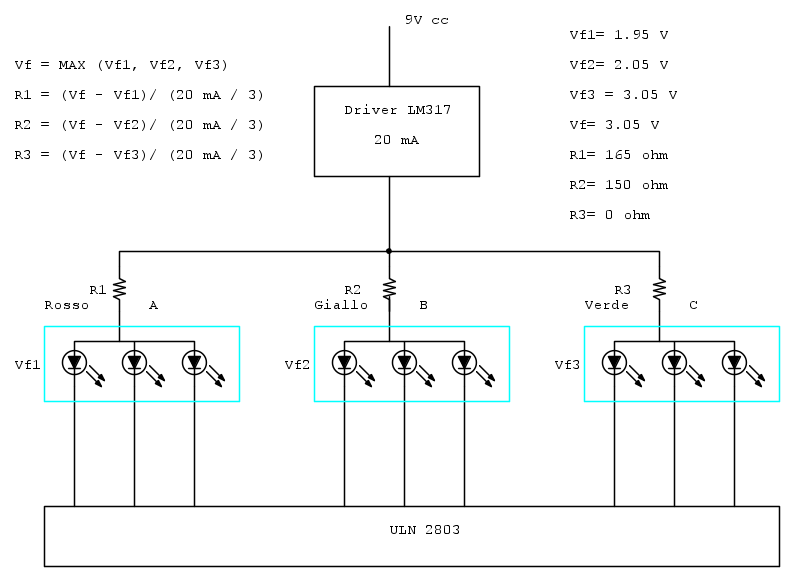
ho visto che hai aggiunto allo schema delle resistenze considerando il gruppo di tre led come dello stesso colore. Questo è sbagliato perché ogni gruppo led può assumere il colore Rosso, Verde o Giallo.
per chiarezza ho riaggiornato il mio schema originale
ho visto che hai aggiunto allo schema delle resistenze considerando il gruppo di tre led come dello stesso colore. Questo è sbagliato perché ogni gruppo led può assumere il colore Rosso, Verde o Giallo.
per chiarezza ho riaggiornato il mio schema originale
0
voti
Tieni presente che lo schema che ho disegnato qui sopra e' di una bruttura unica
per motivi che e' diificile spiegare sul forum, MA:
se realizzi il primo schema di
Ultima modifica di
elfo il 5 ott 2016, 16:32, modificato 2 volte in totale.
0
voti
Torno a dire che non puoi limitare la corrente di LED in parallelo.
La tensione di alimentazione deve essere costante e l'opportuna resistenza
deve essere messa tra il singolo LED e il suo driver.
PS vedo ora l'ultimo schema. Basta togliere la limitazione di corrente
all'alimentazione.
La tensione di alimentazione deve essere costante e l'opportuna resistenza
deve essere messa tra il singolo LED e il suo driver.
PS vedo ora l'ultimo schema. Basta togliere la limitazione di corrente
all'alimentazione.
1
voti
Se una sorgente da 20mA va bene per tre gruppi di luci, e in ciascun gruppo solo una luce e` attiva, metti tre resistenze da 1kohm per ogni gruppo, ottieni una corrente di circa 7mA quasi indipendente dalla luce accesa.
Se la tensione di alimentazione salisse a 24 V avresti circa 22mA di corrente, in un singolo led, ampiamente dentro le specifiche, e 22mA sono ok fino a una temperatura ambiente di 46°C.
Se la tensione di alimentazione salisse a 24 V avresti circa 22mA di corrente, in un singolo led, ampiamente dentro le specifiche, e 22mA sono ok fino a una temperatura ambiente di 46°C.
Per usare proficuamente un simulatore, bisogna sapere molta più elettronica di lui
Plug it in - it works better!
Il 555 sta all'elettronica come Arduino all'informatica! (entrambi loro malgrado)
Se volete risposte rispondete a tutte le mie domande
Plug it in - it works better!
Il 555 sta all'elettronica come Arduino all'informatica! (entrambi loro malgrado)
Se volete risposte rispondete a tutte le mie domande
17 messaggi
• Pagina 1 di 2 • 1, 2
Chi c’è in linea
Visitano il forum: Nessuno e 191 ospiti

Elettrotecnica e non solo (admin)
Un gatto tra gli elettroni (IsidoroKZ)
Esperienza e simulazioni (g.schgor)
Moleskine di un idraulico (RenzoDF)
Il Blog di ElectroYou (webmaster)
Idee microcontrollate (TardoFreak)
PICcoli grandi PICMicro (Paolino)
Il blog elettrico di carloc (carloc)
DirtEYblooog (dirtydeeds)
Di tutto... un po' (jordan20)
AK47 (lillo)
Esperienze elettroniche (marco438)
Telecomunicazioni musicali (clavicordo)
Automazione ed Elettronica (gustavo)
Direttive per la sicurezza (ErnestoCappelletti)
EYnfo dall'Alaska (mir)
Apriamo il quadro! (attilio)
H7-25 (asdf)
Passione Elettrica (massimob)
Elettroni a spasso (guidob)
Bloguerra (guerra)












