Cos'è ElectroYou | Login Iscriviti

ElectroYou - la comunità dei professionisti del mondo elettrico

Intermittenza di 2 LED

hi-fi, luci, suoni, effetti speciali, palcoscenici...

Moderatore: Foto UtenteIsidoroKZ

0
voti

[51] Re: Intermittenza di 2 LED

Messaggioda Foto UtenteGagge89 » 26 ott 2016, 15:28



Scusa 2 chiarimenti :
1) prendendo per esempio il 2o schema (il primo lo escluderei ) ovviamente all'attacco dell'emettitore poi collegherei in parallelo i diversi LED che devono funzionare contemporaneamente a quello presente in figura corretto? Quindi all'emettitore di un Transistor collegherei più LED in serie con la loro resistenza ed in parallelo tutti tra di loro. (quindi per esempio le 5 luci del vano interno [tutte bianche] andranno collegate ciascuna in serie con la propria resistenza e a loro volta poi tutte collegate al terminale emettitore del transistor).

2) nel tuo esempio hai inserito le resistenze presupponendo la corrente transitante di 20mA, ma nel caso in cui volessi che qualche LED si illuminasse di meno e quindi funzionasse a 15 mA o altri a 10mA, basterebbe che cambiassi le resistenze?
3) Nel 3o esempio invece tra base ed emettitore la caduta di tensione è 0.6 V ? Non capisco perché quella R da 2,7 kohm prima della base del Transistor e poi i 2 Diodi in serie..mettendo quei diodi praticamente stai dicendo alla corrente uscente dal pin che dovrebbe pilotare il transistor di transitare tutta attraverso di loro..
Avatar utente
Foto UtenteGagge89
8 1 4
New entry
New entry
 
Messaggi: 77
Iscritto il: 18 mar 2016, 17:21

1
voti

[52] Re: Intermittenza di 2 LED

Messaggioda Foto UtenteGuidoB » 26 ott 2016, 18:31

Punti 1) e 2) : sì, hai detto giusto.

Gagge89 ha scritto:3) Nel 3o esempio invece tra base ed emettitore la caduta di tensione è 0.6 V ?



Gagge89 ha scritto:Non capisco perché quella R da 2,7 kohm prima della base del Transistor

Serve a limitare la corrente che passa nei due diodi in serie

Gagge89 ha scritto:e poi i 2 Diodi in serie..mettendo quei diodi praticamente stai dicendo alla corrente uscente dal pin che dovrebbe pilotare il transistor di transitare tutta attraverso di loro..

No, non sono diodi ideali. Hanno una caduta di tensione in polarizzazione diretta che dipende poco dalla corrente, e che per piccole correnti è di circa 0,6 V.

I due diodi in serie servono per imporre 1,2 V sulla base del transistor. Con quella tensione, e sottraendo la caduta della giunzione base-emettitore che è ancora di circa 0,6 V, per la legge di Kirchhoff alle maglie andiamo ad imporre sulla resistenza da 39 Ω una tensione di 0,6 V.

Per la legge di Ohm viene quindi imposta una corrente di 15 mA circa nella resistenza.
Questa corrente proviene dall'emettitore del transistor. Siccome il transistor sta lavorando in zona lineare e ha un guadagno in corrente elevato, la stessa corrente si ritrova pressoché uguale sul collettore.
Il collettore quindi pilota i LED con 15 mA (circa).

Questo circuito che impone una corrente fissa al collettore del transistor è una realizzazione pratica di un generatore di corrente costante (non proprio perfetto, ma che per quest'uso va bene).
Big fan of ƎlectroYou!       Ausili per disabili e anziani su ƎlectroYou
Caratteri utili: À È É Ì Ò Ó Ù α β γ δ ε η θ λ μ π ρ σ τ φ ω Ω º ª ² ³ √ ∛ ∜ ₀ ₁ ₂ ₃ ₄ ₅ ₆ ∃ ∄ ∆ ∈ ∉ ± ∓ ∾ ≃ ≈ ≠ ≤ ≥
Avatar utente
Foto UtenteGuidoB
17,8k 7 12 13
G.Master EY
G.Master EY
 
Messaggi: 2809
Iscritto il: 3 mar 2011, 16:48
Località: Madrid

0
voti

[53] Re: Intermittenza di 2 LED

Messaggioda Foto UtenteGagge89 » 28 ott 2016, 17:54

GuidoB ha scritto:Il collettore quindi pilota i LED con 15 mA (circa).

Questo circuito che impone una corrente fissa al collettore del transistor è una realizzazione pratica di un generatore di corrente costante (non proprio perfetto, ma che per quest'uso va bene).


Perfetto! Allora penso che utilizzerò o questo modello o il modello 2 (quello senza i diodi a seconda dello spazio che ho libero ( contando che vorrei ci passasse anche un po' di aria e non fosse tutto soffocato attaccato l'un con l'altro)
Poi ora mi metterò dietro a calcolare tutte le resistenze ed i circuiti a seconda dei LED e poi ti posterò il risultato per una tua verifica della correttezza, nel frattempo guardavo per le batterie.
Le Li-Po sono valide ugualmente ( tipo queste o similari http://www.rcitalia.it/rc/index.php/batterie/lipo/due-celle.html ) oppure sono meglio le Li-Ion ?
Avatar utente
Foto UtenteGagge89
8 1 4
New entry
New entry
 
Messaggi: 77
Iscritto il: 18 mar 2016, 17:21

0
voti

[54] Re: Intermittenza di 2 LED

Messaggioda Foto UtenteGuidoB » 28 ott 2016, 22:11

Non ho esperienza diretta, ma da quel che ho letto le LiPO sono meno pericolose. Credo che anche per loro ci voglia un caricabatterie apposito.

Però aspettiamo qualche altro parere.
Big fan of ƎlectroYou!       Ausili per disabili e anziani su ƎlectroYou
Caratteri utili: À È É Ì Ò Ó Ù α β γ δ ε η θ λ μ π ρ σ τ φ ω Ω º ª ² ³ √ ∛ ∜ ₀ ₁ ₂ ₃ ₄ ₅ ₆ ∃ ∄ ∆ ∈ ∉ ± ∓ ∾ ≃ ≈ ≠ ≤ ≥
Avatar utente
Foto UtenteGuidoB
17,8k 7 12 13
G.Master EY
G.Master EY
 
Messaggi: 2809
Iscritto il: 3 mar 2011, 16:48
Località: Madrid

4
voti

[55] Re: Intermittenza di 2 LED

Messaggioda Foto UtenteBrunoValente » 29 ott 2016, 11:19

Scusate, non ho letto tutto il thread, ma ho visto l'ultimo circuito, quello per alimentare i led a corrente costante e volevo suggerire di modificarlo come segue che è un bel po' più preciso e forse anche un po' più semplice

Avatar utente
Foto UtenteBrunoValente
39,6k 7 11 13
G.Master EY
G.Master EY
 
Messaggi: 7796
Iscritto il: 8 mag 2007, 14:48

0
voti

[56] Re: Intermittenza di 2 LED

Messaggioda Foto UtenteGuidoB » 30 ott 2016, 0:44

Non ho avuto occasione di fare confronti, ma se dici che è più preciso allora anch'io lo consiglio al posto dell'altro.
Big fan of ƎlectroYou!       Ausili per disabili e anziani su ƎlectroYou
Caratteri utili: À È É Ì Ò Ó Ù α β γ δ ε η θ λ μ π ρ σ τ φ ω Ω º ª ² ³ √ ∛ ∜ ₀ ₁ ₂ ₃ ₄ ₅ ₆ ∃ ∄ ∆ ∈ ∉ ± ∓ ∾ ≃ ≈ ≠ ≤ ≥
Avatar utente
Foto UtenteGuidoB
17,8k 7 12 13
G.Master EY
G.Master EY
 
Messaggi: 2809
Iscritto il: 3 mar 2011, 16:48
Località: Madrid

0
voti

[57] Re: Intermittenza di 2 LED

Messaggioda Foto UtenteGagge89 » 31 ott 2016, 0:51

BrunoValente ha scritto:Scusate, non ho letto tutto il thread, ma ho visto l'ultimo circuito, quello per alimentare i led a corrente costante e volevo suggerire di modificarlo come segue che è un bel po' più preciso e forse anche un po' più semplice



Grazie Bruno per il consiglio e al momento del posizionamento degli elementi ne terrò conto, anche se dato il poco spazio inserire un secondo transistor penso che non sarebbe il massimo,ma vedremo cosa esce fuori.

GuidoB ha scritto:Non ho esperienza diretta, ma da quel che ho letto le LiPO sono meno pericolose. Credo che anche per loro ci voglia un caricabatterie apposito.

Però aspettiamo qualche altro parere.


Invece per quanto riguarda le batterie, ho letto un po' in giro e ho scoperto alcune cose.. Allora le LiPo sono molto più "delicate" rispetto le Li-Ion, non si deve mai lasciarle inutilizzate, senno se la loro tensione scende al di sotto dei 3V ( alcuni dicono 2.75V) le batterie possono diventare pericolose o comunque non funzionare mai più (sembra ke lo scendere sotto una determinata tensione per le LiPo sia fatale, pena buttar via la batteria e metterne una nuova).
Hanno maggior corrente di output (ma penso che per i miei 0,6 A sia fin troppo, dato che sparano anche in output di picco fino a 25-50 A ( perché ho scoperto che sono le batterie da macchinine radiocomandate professionali).
Dato che il modellino non lo accenderei ogni giorno, rischierei che se passasse troppo tempo dall'ultima ricarica dovrei cambiare batteria e oltre al costo , sarebbe che dovrei smontare il modellino per dissaldare il cavetto di output.
Inoltre dovendole inserire all'interno ho visto video su youtube della facilità con cui si gonfiano ed esplodono prendendo fuoco se mal alimentate.. Quindi forse preferirei qualcosa di estraibile da ricaricare all'esterno (così se prendesse fuoco o esplodesse almeno non mi farebbe in frantumi il modellino o mi ci darebbe fuoco :D )

Ho letto cose che anche voi avete riscontrato oppure no?
Avatar utente
Foto UtenteGagge89
8 1 4
New entry
New entry
 
Messaggi: 77
Iscritto il: 18 mar 2016, 17:21

0
voti

[58] Re: Intermittenza di 2 LED

Messaggioda Foto UtenteGagge89 » 2 nov 2016, 2:42

GuidoB ha scritto:Non ho avuto occasione di fare confronti, ma se dici che è più preciso allora anch'io lo consiglio al posto dell'altro.


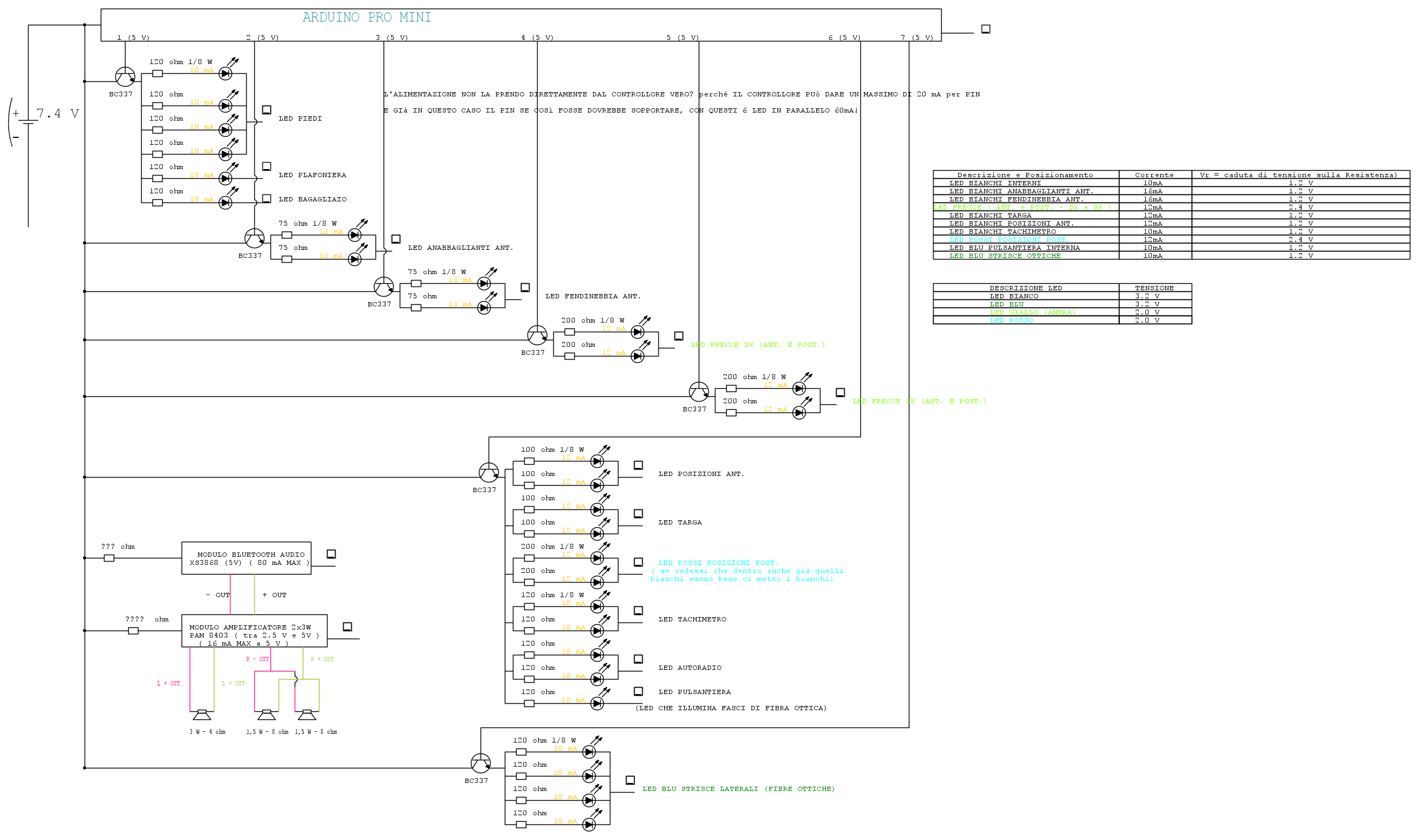
Ciao, finalmente ti sono riuscito a fare il circuito completo ( comprensivo anche dei 2 moduli audio che ti accennavo per il segnale Bluetooth e l'amplificazione)
Ti chiedo cortesemente se puoi di controllarlo; te l'ho creato con FidoCAD, così come mi era stato detto; venendo dal CAD non era poi complicato anche se ci ho perso un bel po' di tempo per crearlo e spero sia corretta la procedura di inserimento elementi.
Ho però un po' di domande da farti :
1) così come avevi collegato nel tuo esempio 2 , non è che sto prendendo l'alimentazione dei LED direttamente dal PIN del controllore? perché in tal caso il controllore non riuscirebbe ad erogarla, perché riesce a dare massimo per PIN 20 mA e per tutti i PIN collegati massimo 200 mA. Quindi per esempio prendendo il mio PIN 1 (che poi vedrai sotto nel mio modello) anche già solo in quello l'assorbimento sarebbe di 60 mA e quindi supererebbe il limite del disposito. Questo era il 1° dubbio.


2) Come faccio ad essere sicuro che le R che ho messo io vadano bene sia quando le batterie sono cariche (V= 8,4V) sia quando sono a tensione nominale ( V = 7,4 V) , sia quando iniziano a scaricarsi ( V < 7,4 V )? I Transistor posizionati mi evitano tale problema?

3) Come faccio ad avere la certezza di avere sui moduli da me inseriti del Bluetooth e dell'ampli dei 5.0 V se la tensione di alimentazione appunto varia da quanto sono cariche a quando pian piano si scaricano? Che resistenza o che sistema posso adottare per fargli arrivare sempre i 5V?

Grazie mille. Sotto ti posto lo schema finale

Avatar utente
Foto UtenteGagge89
8 1 4
New entry
New entry
 
Messaggi: 77
Iscritto il: 18 mar 2016, 17:21

0
voti

[59] Re: Intermittenza di 2 LED

Messaggioda Foto Utenteclaudiocedrone » 2 nov 2016, 2:59

:-) Fatti il favore di rileggere bene il post [50] e vedrai che Guido ti ha già risposto prima che tu facessi le ultime domande... per quanto riguarda le batterie li-po e li-ion non saprei che dire tranne che ne trovi anche col controllo di carica integrato percui basta alimentarle con la giusta tensione e corrente sufficiente affinché non serva un caricatore apposito per caricarle correttamente e senza rischi. O_/
P.s. Riguardo la soluzione di Bruno e gli ingombri... sei sicuro che un transistor sia più ingombrante di due diodi ? Io direi di no... inoltre se vuoi miniaturizzare puoi usare componenti SMD (ammesso di saperli/poterli montare) o anche... usare modellini un po' più grandi :mrgreen:
"Non farei mai parte di un club che accettasse la mia iscrizione" (G. Marx)
Avatar utente
Foto Utenteclaudiocedrone
21,3k 4 7 9
Master EY
Master EY
 
Messaggi: 15302
Iscritto il: 18 gen 2012, 13:36

0
voti

[60] Re: Intermittenza di 2 LED

Messaggioda Foto Utenteclaudiocedrone » 2 nov 2016, 3:28

:-) Ti chiedo scusa, mi rendo conto che probabilmente non riesci a capire alcune cose che ha scritto Guido perché ti mancano le basi; allora ti spiego che in un transistor, qualunque sia la configurazione, corrente e tensione erogate sul carico provengono dalla alimentazione del transistor (nel tuo caso la batteria) e non da ciò che ne pilota la base; nella prima proposta da Guido in [50] (emitter follower) la tensione che trovi sull'emettitore è praticamente la stessa, come valore, che è applicata alla base (a essere pignoli un pochino inferiore ma ciò si può trascurare) ma proviene sempre dalla alimentazione del transistor così come la corrente erogata al carico; il compito della resistenza inserita tra il pin del micro e la base del transistor è di limitare la corrente assorbita dalla base (e erogata dal pin del micro) per non sovraccaricare appunto il pin stesso. O_/
"Non farei mai parte di un club che accettasse la mia iscrizione" (G. Marx)
Avatar utente
Foto Utenteclaudiocedrone
21,3k 4 7 9
Master EY
Master EY
 
Messaggi: 15302
Iscritto il: 18 gen 2012, 13:36

PrecedenteProssimo

Torna a Elettronica e spettacolo

Chi c’è in linea

Visitano il forum: Nessuno e 12 ospiti