Cos'è ElectroYou | Login Iscriviti

ElectroYou - la comunità dei professionisti del mondo elettrico

Esercizio linea trasmissione

Elettronica lineare e digitale: didattica ed applicazioni

Moderatori: Foto Utentecarloc, Foto Utenteg.schgor, Foto UtenteBrunoValente, Foto UtenteIsidoroKZ

0
voti

[1] Esercizio linea trasmissione

Messaggioda Foto UtenteIanero » 2 nov 2016, 17:57

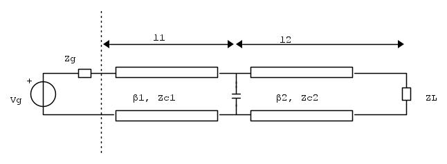
Devo ammettere che stavolta non ho proprio idea di come muovermi, chiederei per favore una spintina guidata per capirci qualcosa.



Mi viene chiesto di calcolare la potenza trasferita al carico, noto Vg.
Diciamo che è la prima volta che vedo un esercizio simile e non ho la minima idea di come iniziare.

Le uniche cose che mi vengono in mente è cominciare a dire che la tensione e la corrente in ogni punto nei due tratti devono evolvere come:

\begin{aligned}
V_{1}\left( z \right) &= V_{1}^{+}e^{-j\beta _{1}z}+V_{1}^{-}e^{j\beta _{1}z}\\
I_{1}\left( z \right) &= \frac{1}{Z_{C1}}\left( V_{1}^{+}e^{-j\beta _{1}z}-V_{1}^{-}e^{j\beta _{1}z} \right)
\end{aligned}

e analogamente per il secondo tratto.

Ma non è molto utile.
Vorrei cominciare a trovare delle condizioni per le costanti, è il punto giusto da cui partire?
Inoltre non ho la più pallida idea di come trattare quel condensatore e quella Zg.
Dovrei schematizzare il condensatore come carico del primo tratto di linea?

Datemi qualche input per favore :oops:

Grazie in anticipo.
:shock:
Avatar utente
Foto UtenteIanero
8.069 5 8 13
Master EY
Master EY
 
Messaggi: 4320
Iscritto il: 21 mar 2012, 15:47

3
voti

[2] Re: Esercizio linea trasmissione

Messaggioda Foto UtenteIsidoroKZ » 5 nov 2016, 15:59

Questi tipi di esercizi di solito assumono le linee senza perdite, per cui la potenza dissipata da ZL e` tutta la potenza che riesce ad entrare nella struttura, dove ho indicato Z3.

Per risolvere il problema devi trovare Z3, che poi colleghi al generatore e calcoli quanta potenza viene dissipata da Z3. Sia Zg che Z3 possono essere complesse, quindi occhio a come calcoli le potenze!

Per trovare Z3, devi partire da ZL e la trasporti verso il generatore per la lunghezza l2, fino a trovare Z1. Metti Z1 in parallelo all'impedenza del condensatore e ottieni Z2. Riparti da Z2, la trasporti attraverso la prima linea e trovi Z3. La potenza attiva assorbita da Z3 e` la stessa potenza attiva assorbita da ZL.

Per i calcoli delle impedenze si puo` usare la carta di Smith oppure le relazioni analitiche, dipende da cosa vi hanno insegnato.
Per usare proficuamente un simulatore, bisogna sapere molta più elettronica di lui
Plug it in - it works better!
Il 555 sta all'elettronica come Arduino all'informatica! (entrambi loro malgrado)
Se volete risposte rispondete a tutte le mie domande
Avatar utente
Foto UtenteIsidoroKZ
121,2k 1 3 8
G.Master EY
G.Master EY
 
Messaggi: 21059
Iscritto il: 17 ott 2009, 0:00

0
voti

[3] Re: Esercizio linea trasmissione

Messaggioda Foto UtenteIanero » 5 nov 2016, 18:20

Questi tipi di esercizi di solito assumono le linee senza perdite, per cui la potenza dissipata da ZL e` tutta la potenza che riesce ad entrare nella struttura

Ovvero tutta quella che fornisce Vg, almeno questo credo sia certo.

Per trovare Z3, devi partire da ZL e la trasporti verso il generatore per la lunghezza l2, fino a trovare Z1

Dunque vediamo.
Se partiamo dalla fine della linea, le relazioni che identificano tensione e corrente sono:

\begin{aligned}
V\left( z \right) &= V^{+}e^{-j\beta _{2}z}+V^{-}e^{j\beta _{2}z}\\
I\left( z \right) &= \frac{1}{Z_{C_2}}\left( V^{+}e^{-j\beta _{2}z}-V^{-}e^{j\beta _{2}z} \right)
\end{aligned}

Dove poiché non ci sono perdite:

\beta _{2}=j\omega \sqrt{LC}
Z_{C_{2}}=\sqrt{\frac{L}{C}}

Quindi l'impedenza in ogni punto della linea nel secondo tratto vale:

Z\left( z \right)=\frac{V\left( z \right)}{I\left( z \right)}=Z_{C_{2}}\frac{V^{+}e^{-j\beta _{2}z}+V^{-}e^{j\beta _{2}z}}{V^{+}e^{-j\beta _{2}z}-V^{-}e^{j\beta _{2}z}}

Ora "trasportarla" fino al condensatore che significa? Calcolarla in -l_2? Fare questo mica vuol dire vedere "tutta" l'impedenza equivalente che si vede partendo da -l_2 (condensatore) fino a 0 (dove sta il carico)?

Grazie.
:shock:
Avatar utente
Foto UtenteIanero
8.069 5 8 13
Master EY
Master EY
 
Messaggi: 4320
Iscritto il: 21 mar 2012, 15:47

2
voti

[4] Re: Esercizio linea trasmissione

Messaggioda Foto UtenteIsidoroKZ » 5 nov 2016, 18:30

Ianero ha scritto:Ovvero tutta quella che fornisce Vg, almeno questo credo sia certo.

No, Vg fornisce anche della potenza che si dissipa in Zg, e che non va considerata.

Ianero ha scritto:Ora "trasportarla" fino al condensatore che significa?


Devono avervi insegnato un modo per calcolare l'impedenza vista da un estremo della linea conoscendo le caratteristiche della linea e l'impedenza di carico.

Che metodo vi hanno insegnato? Non si puo` partire ogni volta con le equazioni che hai scritto prima, devi avere una relazione o un metodo grafico per calcolare le impedenze. E` come trovare il volume della sfera: non puoi partire ogni volta con un integrale triplo.
Per usare proficuamente un simulatore, bisogna sapere molta più elettronica di lui
Plug it in - it works better!
Il 555 sta all'elettronica come Arduino all'informatica! (entrambi loro malgrado)
Se volete risposte rispondete a tutte le mie domande
Avatar utente
Foto UtenteIsidoroKZ
121,2k 1 3 8
G.Master EY
G.Master EY
 
Messaggi: 21059
Iscritto il: 17 ott 2009, 0:00

0
voti

[5] Re: Esercizio linea trasmissione

Messaggioda Foto UtenteIanero » 5 nov 2016, 19:12

Che metodo vi hanno insegnato? Non si puo` partire ogni volta con le equazioni che hai scritto prima, devi avere una relazione o un metodo grafico per calcolare le impedenze.


Non credo ti riferisca a questa:

Z\left( z \right)=Z_{C_{2}}\frac{Z_{L}\cos \left( \beta _{2}z \right)-jZ_{C_{2}}\sin \left( \beta _{2}z \right)}{Z_{C_{2}}\cos \left( \beta _{2}z \right)-jZ_{L}\sin \left( \beta _{2}z \right)}
:shock:
Avatar utente
Foto UtenteIanero
8.069 5 8 13
Master EY
Master EY
 
Messaggi: 4320
Iscritto il: 21 mar 2012, 15:47

1
voti

[6] Re: Esercizio linea trasmissione

Messaggioda Foto UtenteIsidoroKZ » 5 nov 2016, 22:50

Non so che cosa vi hanno spiegato :(, potrebbe essere quella formula, potrebbe essere quella con le tangenti, potrebbe essere la versione con il coefficiente di riflessione e l'esponenziale, potrebbe essere richiesto di usare la carta di Smith... Stai facendo fisica o ingegneria?
Per usare proficuamente un simulatore, bisogna sapere molta più elettronica di lui
Plug it in - it works better!
Il 555 sta all'elettronica come Arduino all'informatica! (entrambi loro malgrado)
Se volete risposte rispondete a tutte le mie domande
Avatar utente
Foto UtenteIsidoroKZ
121,2k 1 3 8
G.Master EY
G.Master EY
 
Messaggi: 21059
Iscritto il: 17 ott 2009, 0:00

0
voti

[7] Re: Esercizio linea trasmissione

Messaggioda Foto UtenteIanero » 5 nov 2016, 23:31

Ingegneria, corso di microonde.
Sicuramente la carta di Smith no.
Va bene allora proseguiamo con quella formula di sopra.
Ora, quella in ogni caso è una formula che mi dice l'impedenza in ogni punto, o sbaglio?
Come potrei arrivare quindi a conoscere l'impedenza equivalente che vedo invece da -l2 fino a 0?
:shock:
Avatar utente
Foto UtenteIanero
8.069 5 8 13
Master EY
Master EY
 
Messaggi: 4320
Iscritto il: 21 mar 2012, 15:47

0
voti

[8] Re: Esercizio linea trasmissione

Messaggioda Foto UtenteIsidoroKZ » 6 nov 2016, 1:02

Non so che cosa il vostro prof vi ha insegnato e che cosa pretende. TI ho elencato prima 3 o 4 modi di trovare l'impedenza all'inizio di ogni spezzone di linea. Tieni anche presente che il segno dell'asse z puo` cambiare da un corso all'altro.

Prima di microonde hai fatto un corso di campi?
Per usare proficuamente un simulatore, bisogna sapere molta più elettronica di lui
Plug it in - it works better!
Il 555 sta all'elettronica come Arduino all'informatica! (entrambi loro malgrado)
Se volete risposte rispondete a tutte le mie domande
Avatar utente
Foto UtenteIsidoroKZ
121,2k 1 3 8
G.Master EY
G.Master EY
 
Messaggi: 21059
Iscritto il: 17 ott 2009, 0:00

0
voti

[9] Re: Esercizio linea trasmissione

Messaggioda Foto UtenteIanero » 6 nov 2016, 9:04

IsidoroKZ ha scritto:TI ho elencato prima 3 o 4 modi di trovare l'impedenza all'inizio di ogni spezzone di linea


A questo livello, al di là di quello che pretende, mi interessa saper risolvere il problema in un qualche modo analitico.

Prima di microonde hai fatto un corso di campi?


Sì.

Tieni anche presente che il segno dell'asse z puo` cambiare da un corso all'altro.


Ma alla fin fine la soluzione deve venire comunque sempre uguale no?

Quella formula con i seni e coseni me la sono ricavata ieri da solo.
E' utile per proseguire?

Grazie della disponibilità.
:shock:
Avatar utente
Foto UtenteIanero
8.069 5 8 13
Master EY
Master EY
 
Messaggi: 4320
Iscritto il: 21 mar 2012, 15:47

0
voti

[10] Re: Esercizio linea trasmissione

Messaggioda Foto UtenteIsidoroKZ » 6 nov 2016, 9:22

Le formule analitiche o i metodi grafici dovreste averli visti al corso di campi elettromagnetici. La formula con seni e coseni a me non piace molto, per questioni di comodita` di calcolo, preferisco quella con le tangenti, ma ancora meglio carta di Smith. Qualunque metodo si usi viene sempre lo stesso (ovviamente!)
Per usare proficuamente un simulatore, bisogna sapere molta più elettronica di lui
Plug it in - it works better!
Il 555 sta all'elettronica come Arduino all'informatica! (entrambi loro malgrado)
Se volete risposte rispondete a tutte le mie domande
Avatar utente
Foto UtenteIsidoroKZ
121,2k 1 3 8
G.Master EY
G.Master EY
 
Messaggi: 21059
Iscritto il: 17 ott 2009, 0:00

Prossimo

Torna a Elettronica generale

Chi c’è in linea

Visitano il forum: Google [Bot] e 62 ospiti