Cos'è ElectroYou | Login Iscriviti

ElectroYou - la comunità dei professionisti del mondo elettrico

Circuito con generatore controllato di tensione

Elettronica lineare e digitale: didattica ed applicazioni

Moderatori: Foto Utentecarloc, Foto Utenteg.schgor, Foto UtenteBrunoValente, Foto UtenteIsidoroKZ

0
voti

[1] Circuito con generatore controllato di tensione

Messaggioda Foto UtenteFab996 » 9 nov 2016, 21:16

Avendo questo circuito
devo calcolare la potenza erogata dai generatori indipendenti.
Ho tolto la resistenza R_{4} in quanto è in serie con un generatore di corrente e quindi posso considerare il generatore di corrente da solo come equivalente. Quindi applico il metodo delle maglie in quanto sono tutti thevenin trasformabili, tranne il generatore di corrente(applico il metodo in senso orario).
\begin{bmatrix} R_{1}+R_{2} &0 &-R_{2} \\ 0&R_{3} &-R_{3} \\ -R_{2}&-R_{3} &R_{2}+R_{3} \end{bmatrix}\begin{bmatrix} I_{1}\\ I_{2}\\ I_{3} \end{bmatrix}=\begin{bmatrix} -VG\\ VG-\mu vx \\ E \end{bmatrix}
dove E rappresenta l'incognita della tensione sul generatore di corrente.
Quindi devo trovare due equazioni vincolo una per il generatore di tensione dipendente e una per il generatore di corrente I_{3}=IG e vx=R_{1}I_{1}
Però non torna con il risultato del libro...
Avatar utente
Foto UtenteFab996
13 6
Frequentatore
Frequentatore
 
Messaggi: 100
Iscritto il: 8 giu 2016, 15:36

0
voti

[2] Re: Circuito con generatore controllato di tensione

Messaggioda Foto Utenteg.schgor » 9 nov 2016, 22:33

Puoi dare i dati numerici del problema?
Avatar utente
Foto Utenteg.schgor
57,8k 9 12 13
G.Master EY
G.Master EY
 
Messaggi: 16971
Iscritto il: 25 ott 2005, 9:58
Località: MILANO

0
voti

[3] Re: Circuito con generatore controllato di tensione

Messaggioda Foto UtenteFab996 » 9 nov 2016, 22:51

Si, R_{1}=R_{2}=R_{3}=1,R_{4}=x,\mu=2,VG=10;IG=2.
Quindi va risolto in funzione di R_{4} che vale x.

Mi viene una volta risolto il sistema I_{2}=20,I_{1}=-4, quindi per trovare la potenza sul generatore di tensione indipendente calcolo la corrente come ix=I_{2}-I_{1} solo non corrisponde con il risultato del libro...
Ultima modifica di Foto Utentewall87 il 10 nov 2016, 9:50, modificato 1 volta in totale.
Motivazione: Rimosse citazioni inutili
Avatar utente
Foto UtenteFab996
13 6
Frequentatore
Frequentatore
 
Messaggi: 100
Iscritto il: 8 giu 2016, 15:36

3
voti

[4] Re: Circuito con generatore controllato di tensione

Messaggioda Foto Utentecarloc » 10 nov 2016, 0:20

Prova a non partire a testa bassa con metodi "meccanici" che (di nuovo) danno sistemi "grandi" :-)
Questo è quello che fa un simulatore, noi umani possiamo fare meglio ;-)

ad esempio .... sai sdoppiare i generatori di tensione e di corrente? :-)
Se ti serve il valore di beta: hai sbagliato il progetto!
Avatar utente
Foto Utentecarloc
33,8k 6 11 13
G.Master EY
G.Master EY
 
Messaggi: 2153
Iscritto il: 7 set 2010, 19:23

0
voti

[5] Re: Circuito con generatore controllato di tensione

Messaggioda Foto UtenteFab996 » 10 nov 2016, 0:23

In che senso sdoppiare ?
Ultima modifica di Foto Utentewall87 il 10 nov 2016, 9:52, modificato 1 volta in totale.
Motivazione: Rimossa citazione inutile
Avatar utente
Foto UtenteFab996
13 6
Frequentatore
Frequentatore
 
Messaggi: 100
Iscritto il: 8 giu 2016, 15:36

3
voti

[6] Re: Circuito con generatore controllato di tensione

Messaggioda Foto Utentecarloc » 10 nov 2016, 0:41

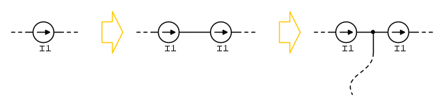
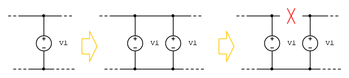
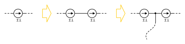
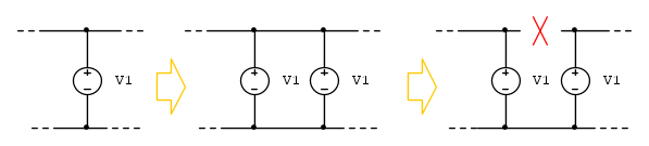
Nel senso che al posto di un generatore di tensione ne metti due identici in parallelo e poi volendo puoi "tagliare" il collegamento tra i due


il duale per quelli di corrente: ne metti due in serie e volendo puoi collegare il nodo "nuovo" dove vuoi


Riesci a tentare di applicare questo al tuo circuito? :D
Li vedi i due circuiti indipendenti ? ;-)
Se ti serve il valore di beta: hai sbagliato il progetto!
Avatar utente
Foto Utentecarloc
33,8k 6 11 13
G.Master EY
G.Master EY
 
Messaggi: 2153
Iscritto il: 7 set 2010, 19:23

0
voti

[7] Re: Circuito con generatore controllato di tensione

Messaggioda Foto UtenteFab996 » 10 nov 2016, 0:45

I due circuiti indipendenti sono 1 e 3 ?
Ultima modifica di Foto Utentewall87 il 10 nov 2016, 9:53, modificato 1 volta in totale.
Motivazione: Rimossa citazione inutile
Avatar utente
Foto UtenteFab996
13 6
Frequentatore
Frequentatore
 
Messaggi: 100
Iscritto il: 8 giu 2016, 15:36

2
voti

[8] Re: Circuito con generatore controllato di tensione

Messaggioda Foto Utentecarloc » 10 nov 2016, 0:50

mmmm no :?

Prova a sdoppiare :D i due generatori indipendenti, fai proprio il disegno che aiuta a capire :D

Edit:
o meglio i due circuiti indipendenti lo sono a meno di \mu che comunque li lega, ma lo fa in modo unidirezionale, puoi prima tranquillamente risolverne uno indipendentemente e poi usare questi risultati e \mu per risolvere l'altro
Se ti serve il valore di beta: hai sbagliato il progetto!
Avatar utente
Foto Utentecarloc
33,8k 6 11 13
G.Master EY
G.Master EY
 
Messaggi: 2153
Iscritto il: 7 set 2010, 19:23

0
voti

[9] Re: Circuito con generatore controllato di tensione

Messaggioda Foto UtenteFab996 » 10 nov 2016, 1:20

carloc ha scritto:mmmm no :?
puoi prima tranquillamente risolverne uno indipendentemente e poi usare questi risultati e \mu per risolvere l'altro

Utilizzando il principio di sovrapposizione degli effetti ?
Avatar utente
Foto UtenteFab996
13 6
Frequentatore
Frequentatore
 
Messaggi: 100
Iscritto il: 8 giu 2016, 15:36

2
voti

[10] Re: Circuito con generatore controllato di tensione

Messaggioda Foto Utentecarloc » 10 nov 2016, 9:28

Non è necessaria la sovrapposizione.... son proprio due circuiti indipendenti (ognuno da risolvere come vuoi, anche con la sovrapposizione, ma "locale" non tra i due) ;-)

Prova a postare il circuito con i doppi generatori che vediamo... :D
Se ti serve il valore di beta: hai sbagliato il progetto!
Avatar utente
Foto Utentecarloc
33,8k 6 11 13
G.Master EY
G.Master EY
 
Messaggi: 2153
Iscritto il: 7 set 2010, 19:23

Prossimo

Torna a Elettronica generale

Chi c’è in linea

Visitano il forum: Google Adsense [Bot] e 210 ospiti