carloc ha scritto:
Prova a postare il circuito con i doppi generatori che vediamo...
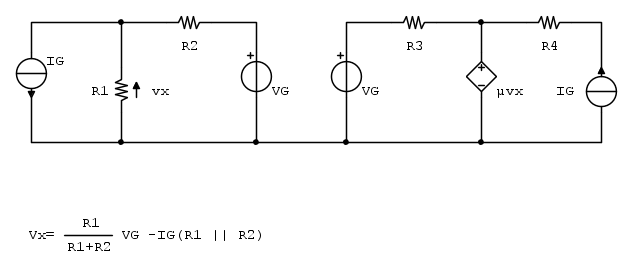
Ecco il circuito
Però non riesco a capire perché la matrice che avevo impostato con le equazioni di vincolo non risulti corretta...
Moderatori:
carloc,
g.schgor,
BrunoValente,
IsidoroKZ
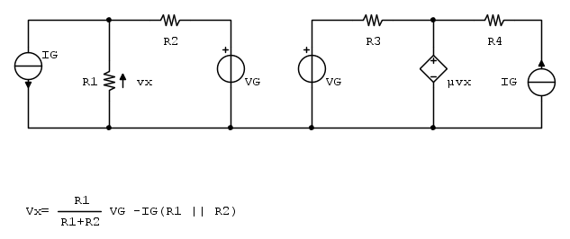
carloc ha scritto:
Prova a postare il circuito con i doppi generatori che vediamo...
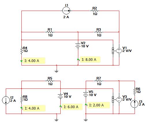
Vx nota, quindi anche
nota, tutte le altre grandezze son dati del problema... finito.






e 

carloc ha scritto:Il metodo delle maglie è "amico" dei generatori di corrente, ognuno è una maglia già risolta, con corrente nota.
marc96 ha scritto:ci sono almeno due errori:
1)
2) le correnti di maglia incognite sono solo 2
vedi viewtopic.php?f=1&t=66452&start=10 post [16] (...che è un tuo topic...)
né su
.




e 

Fab996 ha scritto: il resto mi sembra fatto bene



marc96 ha scritto:Fab996 ha scritto: il resto mi sembra fatto bene
Non capisco il senso dell'ultima equazione che coinvolge I3: E sarebbe la tensione ai capi del generatore di corrente? Se è così allora è un'incognita: cosa ci fa tra i termini noti? Come risolvi il sistema? Con metodi automatici o manualmente ricavando solo quello che ti basta?

Visitano il forum: Nessuno e 152 ospiti