Cos'è ElectroYou | Login Iscriviti

ElectroYou - la comunità dei professionisti del mondo elettrico

semplice inverter dc ac

Elettronica lineare e digitale: didattica ed applicazioni

Moderatori: Foto Utentecarloc, Foto Utenteg.schgor, Foto UtenteBrunoValente, Foto UtenteIsidoroKZ

1
voti

[11] Re: semplice inverter dc ac

Messaggioda Foto Utentesetteali » 20 nov 2016, 19:44

Ciao,
mi pare che tu abbia fatto lo schema in base ai numeri dei piedini del trasformatore e non in base agli avvolgimenti.
Controlla quello che hai fatto te e questo che ti metto io per renderti conto di come è fatto lo schema.

E' da premettere che non sappiamo se il trasformatore è adatto a fare questo servizio.
Comunque per divertirsi e provare è OK.
Una volta montato il circuito, se funzionasse, è tutto OK.
Se non funzionasse, devi provare ad invertire i collegamenti tra il pin 2 ed il pin 4 .
Se ancora non funziona cambierei trasformatore.

Ma vediamo cosa accade...............

Quell'avvolgimento esterno al trasformatore lo puoi togliere.


Comunque in uscita avresti una tensione AC alla frequenza...x e non la misureresti troppo bene, dovresti raddrizzarla con un diodo e metterci un condensatore anche da 100nF e 400VL .
Tensione alta perché non sappiamo quanto esce e per fare una misura è più che sufficiente.

O_/
Alex
https://www.facebook.com/Elettronicaeelettrotecnica

<< vedi di pigliare arditamente in mano, il dizionario che ti suona in bocca,
se non altro è schietto e paesano.
(Giuseppe Giusti) <<
Avatar utente
Foto Utentesetteali
11,9k 5 5 9
Master
Master
 
Messaggi: 5922
Iscritto il: 15 dic 2013, 21:09

0
voti

[12] Re: semplice inverter dc ac

Messaggioda Foto UtenteSandroCalligaro » 21 nov 2016, 12:05

Non doveva essere DC-AC? :-)
Avatar utente
Foto UtenteSandroCalligaro
2.970 2 4 5
G.Master EY
G.Master EY
 
Messaggi: 1181
Iscritto il: 6 ago 2015, 19:25

0
voti

[13] Re: semplice inverter dc ac

Messaggioda Foto Utentesetteali » 21 nov 2016, 12:27

si hai ragione Foto UtenteSandroCalligaro, ma l'avevo fatto per avere più facilità di lettura.
....ma perché te pensi che funzioni????? :D
O_/ O_/
Alex
https://www.facebook.com/Elettronicaeelettrotecnica

<< vedi di pigliare arditamente in mano, il dizionario che ti suona in bocca,
se non altro è schietto e paesano.
(Giuseppe Giusti) <<
Avatar utente
Foto Utentesetteali
11,9k 5 5 9
Master
Master
 
Messaggi: 5922
Iscritto il: 15 dic 2013, 21:09

0
voti

[14] Re: semplice inverter dc ac

Messaggioda Foto Utenteelettrokimbo » 21 nov 2016, 23:32

ciao.
innanzitutto grazie per la risposta,Ho provato poco fa,ma purtroppo non ho nulla in uscita dal trasformatore.
Avatar utente
Foto Utenteelettrokimbo
22 1 4
Frequentatore
Frequentatore
 
Messaggi: 156
Iscritto il: 7 dic 2011, 23:45

0
voti

[15] Re: semplice inverter dc ac

Messaggioda Foto Utentealev » 22 nov 2016, 13:14

sarebbe la conferma che quel circuito non può funzionare come inverter...il circuito ha sempre ragione (cit.) :mrgreen:
Avatar utente
Foto Utentealev
5.995 2 9 12
free expert
 
Messaggi: 6284
Iscritto il: 19 lug 2010, 14:38
Località: Altrove

0
voti

[16] Re: semplice inverter dc ac

Messaggioda Foto Utentesimo85 » 22 nov 2016, 13:46

elettrokimbo ha scritto:ma purtroppo non ho nulla in uscita dal trasformatore.

Si vede ad occhio che quel circuito non funziona. Questo (parte del circuito postato prima):



non è un circuito oscillatore (non c'è un anello di retroazione) quindi il trasformatore non funzionerá, ed il transistore ... strano che non abbia fumato.
Avatar utente
Foto Utentesimo85
30,9k 7 12 13
Disattivato su sua richiesta
 
Messaggi: 9927
Iscritto il: 30 ago 2010, 4:59

1
voti

[17] Re: semplice inverter dc ac

Messaggioda Foto UtenteSandroCalligaro » 22 nov 2016, 14:24

Nel circuito che hai disegnato però manca l'accoppiamento tra gli induttori, che è prevalente, in un trasformatore.
Questo non significa che funzioni (non ne sono sicuro, per lo meno), ma la retroazione c'è...
Avatar utente
Foto UtenteSandroCalligaro
2.970 2 4 5
G.Master EY
G.Master EY
 
Messaggi: 1181
Iscritto il: 6 ago 2015, 19:25

0
voti

[18] Re: semplice inverter dc ac

Messaggioda Foto Utentesimo85 » 22 nov 2016, 14:28

Mi sembra che l'accoppiamento manchi anche nel circuito di prima.
Comunque hai ragione tu.
Avatar utente
Foto Utentesimo85
30,9k 7 12 13
Disattivato su sua richiesta
 
Messaggi: 9927
Iscritto il: 30 ago 2010, 4:59

0
voti

[19] Re: semplice inverter dc ac

Messaggioda Foto UtenteSandroCalligaro » 22 nov 2016, 14:53

Sì, almeno un pallino ci vorrebbe, per dire quale sia il verso (cosa che tra l'altro mi sembra importante per "sperare" che quel circuito oscilli :-)).
Avatar utente
Foto UtenteSandroCalligaro
2.970 2 4 5
G.Master EY
G.Master EY
 
Messaggi: 1181
Iscritto il: 6 ago 2015, 19:25

0
voti

[20] Re: semplice inverter dc ac

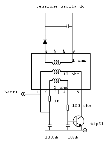
Messaggioda Foto Utenteelettrokimbo » 23 nov 2016, 0:27

ciao.
Avrei trovato questo schema on line.
Posso adattarlo al mio trasformatore?
se si,come devo dimensionare i componenti?grazie della collaborazione
Allegati
DC to AC circuit diagram.jpg
DC to AC circuit diagram.jpg (9.9 KiB) Osservato 4375 volte
Avatar utente
Foto Utenteelettrokimbo
22 1 4
Frequentatore
Frequentatore
 
Messaggi: 156
Iscritto il: 7 dic 2011, 23:45

PrecedenteProssimo

Torna a Elettronica generale

Chi c’è in linea

Visitano il forum: Google Feedfetcher e 115 ospiti