Cos'è ElectroYou | Login Iscriviti

ElectroYou - la comunità dei professionisti del mondo elettrico

Esercizio linea trasmissione

Elettronica lineare e digitale: didattica ed applicazioni

Moderatori: Foto Utentecarloc, Foto Utenteg.schgor, Foto UtenteBrunoValente, Foto UtenteIsidoroKZ

1
voti

[21] Re: Esercizio linea trasmissione

Messaggioda Foto UtenteShika93 » 6 nov 2016, 14:21

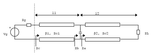
Premetto che l'ultima volta che ho usato la carta di Smith è stato 3 anni fa in triennale e non ho mai capito bene come usarla, quindi opto per un calcolo più matematico.
Tu conosci l'impedenza dei due tratti di linea, la lunghezza e la costante di propagazione (immagino attenuazione nulla)
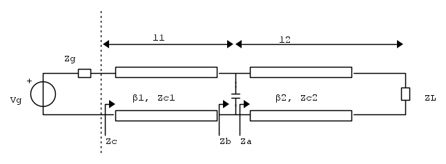
Di solito io mi "separo" il circuito in questo modo

In modo da poter calcolare le impedenze nei vari tratti e applicare poi le solite regole di elettrotecnica.
Supponendo che tu abbia linee senza attenuazione \alpha=0, l'impedenza in ingresso

è Z_i=Z_0 \frac{Z_L+Z_0 tanh(\alpha +j\beta)l}{Z_0+Z_L tanh(\alpha +j \beta)l}=Z_0 \frac{Z_L+jZ_0tan(\beta d)}{Z_0+jZ_Ltan( \beta d)}

Quindi nel caso del tuo circuito si ha:
Z_a=Z_{c2} \frac{Z_L+jZ_{c2}tan(\beta l_2)}{Z_{c2}+jZ_Ltan( \beta l_2)}
Per comodità, visto che tutte le impedenze sono in parallelo, faccio i calcoli con le ammettenze:
Y_a=Y_{c2} \frac{Y_L+jY_{c2}tan(\beta l_2)}{Y_{c2}+jY_Ltan( \beta l_2)}
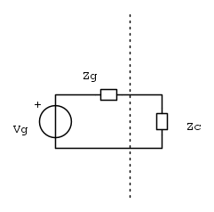
Ed è come avere quindi questo circuito equivalente

Qui quindi puoi applicare l'elettrotecnica base per ottenere
Y_b=Y_a + j\omega C
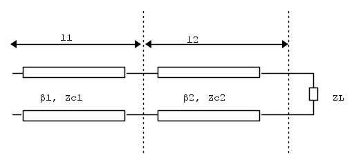
E quindi

Y_c=Y_{c1} \frac{Y_b+jY_{c1}tan(\beta l_1)}{Y_{c1}+jY_{b}tan( \beta l_1)}

A questo punto per avere il massimo trasferimento in potenza devi avere che Z_I=Z_{c}=Z_g*
e la potenza P=\text{Re}\left \{ \frac{V(z)I^*(z)}{2} \right \}=\text{Re}\left \{ \frac{|V_g|^2}{2Z_c} \right \}

E' già un po' che non faccio esercizi del genere. Spero di non aver detto schifezze.
Avatar utente
Foto UtenteShika93
282 1 5 7
Expert
Expert
 
Messaggi: 848
Iscritto il: 30 dic 2013, 21:28

0
voti

[22] Re: Esercizio linea trasmissione

Messaggioda Foto UtenteIanero » 6 nov 2016, 14:51

Vi ringrazio per le risposte.

In questo modo il valore di impedenza calcolato nel nuovo punto tiene conto del valore di impedenza nel punto di partenza e del tratto di linea lungo il quale ci si è spostati


Secondo me questa cosa vale solo perché non ci sono perdite da -l2 a 0, altrimenti veramente non riesco a vederne il senso.
E' una agevolazione concessa solo per un ragionamento di conservazione dell'energia.

Grazie mille anche a Foto UtenteShika93 per aver fatto i passaggi :-)
:shock:
Avatar utente
Foto UtenteIanero
8.069 5 8 13
Master EY
Master EY
 
Messaggi: 4320
Iscritto il: 21 mar 2012, 15:47

1
voti

[23] Re: Esercizio linea trasmissione

Messaggioda Foto UtenteIanero » 23 nov 2016, 13:32

Continuo qui con un altro esercizio di cui chiedo conferma.
Mi viene chiesto di ricavare l'equazione per il calcolo della frequenza di risonanza di questo circuito:



A me è venuto in mente di trovarmi il circuito a costanti concentrate con la solita procedura.



Z\left( -l \right)=Z_{{C}}\frac{Z_{L}-jZ_{{C}}\tan \left( -\beta _{z}l \right)}{Z_{{C}}-jZ_{L}\tan \left( -\beta _{z}l \right)}

Z\left( -l \right)=\sqrt{\frac{L_{0}}{{C}_{0}}}\frac{j\left( \omega L+\sqrt{\frac{L_{0}}{{C}_{0}}}\tan \left( \beta _{z}l \right) \right)}{\sqrt{\frac{L_{0}}{{C}_{0}}}-\omega L\tan \left( \beta _{z}l \right)}

aggiungendo il condensatore:

Z_{{C}}+Z\left( -l \right)=j\frac{-\frac{1}{\omega {C}}+\omega L\sqrt{\frac{L_{0}}{{C}_{0}}}+\frac{L_{0}}{{C}_{0}}\tan \left( \beta _{z}l \right)}{\sqrt{\frac{L_{0}}{{C}_{0}}}-\omega L\tan \left( \beta _{z}l \right)}=jX

la condizione di risonanza è X=0, per cui:

\frac{-\frac{1}{\omega _{0}{C}}+\omega _{0}L\sqrt{\frac{L_{0}}{{C}_{0}}}+\frac{L_{0}}{{C}_{0}}\tan \left( \omega _{0}\sqrt{L_{0}{C}_{0}}l \right)}{\sqrt{\frac{L_{0}}{{C}_{0}}}-\omega _{0}L\tan \left( \omega _{0}\sqrt{L_{0}{C}_{0}}l \right)}=0

dove \omega _0 è la frequenza di risonanza del circuito.

Mi sembra una espressione troppo contorta però :-k
E' corretto?
:shock:
Avatar utente
Foto UtenteIanero
8.069 5 8 13
Master EY
Master EY
 
Messaggi: 4320
Iscritto il: 21 mar 2012, 15:47

2
voti

[24] Re: Esercizio linea trasmissione

Messaggioda Foto UtenteShika93 » 23 nov 2016, 17:37

La condizione è giusta, e anche i calcoli mi pare. Alla fine il ragionamento è: si ha risonanza quando la parte immaginaria dell'impedenza equivalente è nulla. Dato che l'impedenza equivalente è puramente immaginaria, basta porla giustamente a 0.
A quel punto la frequenza di risonanza la si trova facendo i passaggi.
In campi quell'espressione è fin semplice. Quando si arriva alle guide d'onda c'è da divertirsi
Avatar utente
Foto UtenteShika93
282 1 5 7
Expert
Expert
 
Messaggi: 848
Iscritto il: 30 dic 2013, 21:28

0
voti

[25] Re: Esercizio linea trasmissione

Messaggioda Foto UtenteIanero » 23 nov 2016, 17:45

Grazie mille, aspetta che tra poco arrivo con un'altra domanda :mrgreen:
:shock:
Avatar utente
Foto UtenteIanero
8.069 5 8 13
Master EY
Master EY
 
Messaggi: 4320
Iscritto il: 21 mar 2012, 15:47

1
voti

[26] Re: Esercizio linea trasmissione

Messaggioda Foto UtenteIanero » 23 nov 2016, 18:45

Sempre sul circuito sopra, viene anche chiesta l'espressione analitica della tensione e della corrente lungo la linea.
In altre parole mi sta chiedendo di valutare V^+ e V^-, giusto?

Io ho pensato di risolvere così:

\left\{\begin{array}{cc} Z\left( 0 \right)=\frac{V\left( 0 \right)}{I\left( 0 \right)} &  \\ Z\left( -l \right)=\frac{V\left( -l \right)}{I\left( -l \right)} &  \end{array}\right.

ovvero:

\left\{\begin{array}{cc} j\omega L=Z_{{C}}\frac{V^{+}+V^{-}}{V^{+}-V^{-}} &  \\ Z_{{C}}\frac{j\omega L-jZ_{{C}}\tan \left( -\beta _{z}l \right)}{Z_{{C}}+\omega L\tan \left( -\beta _{z}l \right)}+\frac{1}{j\omega {C}}=Z_{{C}}\frac{V^{+}e^{j\beta _{z}l}+V^{-}e^{-j\beta _{z}l}}{V^{+}e^{j\beta _{z}l}-V^{-}e^{-j\beta _{z}l}} &  \end{array}\right.

da cui poi ricavare V^+ e V^- e riuscire finalmente a scrivere:

\begin{aligned}
V\left( z \right) &= V^{+}e^{-j\beta _{z}z}+V^{-}e^{j\beta _{z}z}\\
I\left( z \right) &= \frac{1}{Z_{C}}\left( V^{+}e^{-j\beta _{z}z}-V^{-}e^{j\beta _{z}z} \right)
\end{aligned}

E' corretto?

NB: Z(-l) in questo post, a differenza di quello precedente, indica l'impedenza in z=-l comprensiva del condensatore.
:shock:
Avatar utente
Foto UtenteIanero
8.069 5 8 13
Master EY
Master EY
 
Messaggi: 4320
Iscritto il: 21 mar 2012, 15:47

4
voti

[27] Re: Esercizio linea trasmissione

Messaggioda Foto UtenteShika93 » 23 nov 2016, 20:21

Si è giusto. Alla fine, quando riesci puoi sempre applicare le regole di elettrotecnica insieme alle soluzioni delle equazioni dei telegrafisti. :ok:
Avatar utente
Foto UtenteShika93
282 1 5 7
Expert
Expert
 
Messaggi: 848
Iscritto il: 30 dic 2013, 21:28

0
voti

[28] Re: Esercizio linea trasmissione

Messaggioda Foto UtenteIanero » 23 nov 2016, 20:24

Grazie mille!
:shock:
Avatar utente
Foto UtenteIanero
8.069 5 8 13
Master EY
Master EY
 
Messaggi: 4320
Iscritto il: 21 mar 2012, 15:47

0
voti

[29] Re: Esercizio linea trasmissione

Messaggioda Foto UtenteIanero » 27 nov 2016, 14:52

Continuo sempre in questa discussione che comunque non vado OT.

Viene chiesta la matrice di scattering su questo circuito. Io non riesco nemmeno a capire quale è la giunzione.



Secondo me ci sono due possibili giunzioni:

1) quella tra la prima e la seconda linea
2) quella tra la seconda linea e il carico

Anche se in entrambi i casi non sarebbe più una matrice di scattering, ma un coefficiente di riflessione.
Un aiutino?
:shock:
Avatar utente
Foto UtenteIanero
8.069 5 8 13
Master EY
Master EY
 
Messaggi: 4320
Iscritto il: 21 mar 2012, 15:47

0
voti

[30] Re: Esercizio linea trasmissione

Messaggioda Foto UtenteShika93 » 28 nov 2016, 0:01

Scusa le mie conoscenze al momento non arrivano ai parametri S. Microonde lo faccio il prossimo semestre. Le linee da noi si fanno il primo anno a campi 1. :(
Avatar utente
Foto UtenteShika93
282 1 5 7
Expert
Expert
 
Messaggi: 848
Iscritto il: 30 dic 2013, 21:28

PrecedenteProssimo

Torna a Elettronica generale

Chi c’è in linea

Visitano il forum: Nessuno e 231 ospiti