Buonasera.
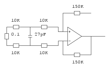
Mi trovo davanti questo circuito. E' tratto da una developement board della microchip per un motore passo passo. Il circuito intero è possibile trovarlo alla fine del documento che linko
http://ww1.microchip.com/downloads/en/DeviceDoc/70610A.PDF
La parte che ho postato dovrebbe servire a misurare la corrente che passa nello shunt ( il resistore da 0.1 ohm). Mi trovo un po spiazzato. I primi due resistori da 10K e il condensatore sono un filtro in ingresso all'op amp ( credo ) che (sempre, credo) serve a filtrare le armoniche di corrente prodotte dal ponte ad H. Il fatto è che ho provato a calcolare la frequenza di taglio del filtro e mi viene attorno a 300kHz, che mi sembra un po altina......
Sto sbagliando qualcosa?
Filtro ingresso op amp
Moderatori:
carloc,
g.schgor,
BrunoValente,
IsidoroKZ
22 messaggi
• Pagina 1 di 3 • 1, 2, 3
4
voti
Si`, non viene 300kHz, vengono 600kHz circa :). Serve per ridurre gli spike di tensione molto stretti dovute alle commutazioni e l'effetto dell'induttanza parassita della resistenza di sense. Se hai bisogno di filtrare a frequenza piu` bassa, puoi sempre aumentare il valore del condensatore.
Per usare proficuamente un simulatore, bisogna sapere molta più elettronica di lui
Plug it in - it works better!
Il 555 sta all'elettronica come Arduino all'informatica! (entrambi loro malgrado)
Se volete risposte rispondete a tutte le mie domande
Plug it in - it works better!
Il 555 sta all'elettronica come Arduino all'informatica! (entrambi loro malgrado)
Se volete risposte rispondete a tutte le mie domande
0
voti
perché 600kHz?
A me viene
.
Per il resto non ho capito il discorso, ma temo sia per mancanza di competenze mie. Posso chiederti di spiegarmi un po' meglio di cosa si tratta oppure fornirmi un riferimento?
A me viene
.Per il resto non ho capito il discorso, ma temo sia per mancanza di competenze mie. Posso chiederti di spiegarmi un po' meglio di cosa si tratta oppure fornirmi un riferimento?
0
voti
La frequenza viene circa 600kHz perche' oltre alle due resistenze "di sinistra" verso la Rsense, che sono in serie fra di loro, ci sono anche le altre due resistenze "di destra" che vanno all'amplificatore, anche loro due in serie fra di loro e in parallelo all'altra serie.
Devo scappare, stasera rispondo piu` in dettaglio.
Devo scappare, stasera rispondo piu` in dettaglio.
Per usare proficuamente un simulatore, bisogna sapere molta più elettronica di lui
Plug it in - it works better!
Il 555 sta all'elettronica come Arduino all'informatica! (entrambi loro malgrado)
Se volete risposte rispondete a tutte le mie domande
Plug it in - it works better!
Il 555 sta all'elettronica come Arduino all'informatica! (entrambi loro malgrado)
Se volete risposte rispondete a tutte le mie domande
0
voti
Va bene, non ho urgenza non ti preoccupare, anche se sono ansioso di sapere la risposta
Comunque per il discorso della frequenza di taglio ora ho capito
Comunque per il discorso della frequenza di taglio ora ho capito
2
voti
IsidoroKZ ha scritto:
Devo scappare, stasera rispondo piu` in dettaglio.
Sperando di non scrivere cavolate, provo a spiegarglielo io
Allora Fabio992, partiamo da due presupposti:
1 - La tensione differenziale tra i due morsetti di un AO ideale è nulla
2 - Guardando lo schema, risulta evidente che la resistenza di sense ha il terminale inferiore a massa
Questo vuol dire che il nostro circuito in ingresso all'amplificatore può essere visto così:

Ora, si tratta di determinare la sua funzione di trasferimento.
Iniziamo notando che
ed
sono in serie:
E che la resistenza
appena ottenuta è in parallelo al condensatore di impedenza
:
Ora, breve riassunto: abbiamo determinato una semplificazione del circuito:

Dalla quale possiamo subito determinare subito la funzione di trasferimento, notando che (essendo
sostanzialmente trascurabile per i nostri scopi, dato che è in parallelo al generatore) si tratta di una semplice partizione di tensione:
Dalla quale, sostituendo gli opportuni valori numerici, si ricava un polo a frequenza

Tutto chiaro?
-

rugweri
5.948 2 8 13 - CRU - Account cancellato su Richiesta utente
- Messaggi: 1366
- Iscritto il: 25 nov 2016, 18:46
1
voti
le conclusioni sono corrette, ma il percorso mi pare dubbio:
quale è la tensione di uscita Vu ? quella ai capi dei morsetti +- che è un cortocircuito virtuale?
La tensione V1 in realtà è la caduta di tensione su R1 provocata dalla corrente I1 rilevata proprio dalla resistenza di shunt R1.
Forse potresti considerare un partitore di corrente Iu/I1.
La costante di tempo del primo ordine Req C è il prodotto della capacità per la resistenza equivalente vista dai suoi morsetti ossia calcolata come serie R4+R3 in parallelo alla serie R2+R5,
trascurando R1 quasi un corto circuito.
Un filtro passa basso a 600 kHz forse compensa esattamente l'induttanza parassita in serie a R1.

quale è la tensione di uscita Vu ? quella ai capi dei morsetti +- che è un cortocircuito virtuale?
La tensione V1 in realtà è la caduta di tensione su R1 provocata dalla corrente I1 rilevata proprio dalla resistenza di shunt R1.
Forse potresti considerare un partitore di corrente Iu/I1.
La costante di tempo del primo ordine Req C è il prodotto della capacità per la resistenza equivalente vista dai suoi morsetti ossia calcolata come serie R4+R3 in parallelo alla serie R2+R5,
trascurando R1 quasi un corto circuito.
Un filtro passa basso a 600 kHz forse compensa esattamente l'induttanza parassita in serie a R1.

0
voti
Ciao
rugweri
Ti ringrazio per la risposta, ma i miei dubbi più che al calcolo della frequenza di taglio sono legati alla scelta di tale frequenza, soprattutto dopo quello affermato da IsidoroKZ in [2] riguardo spikes di tensione e induttanza parassita. In particolare, mi interesserebbe sapere da dove viene quel valore, come è possibile trovandomi ad esempio in una situazione simile ma con parametri diversi impostare un ragionamento per scegliere tale frequenza.
Grazie di nuovo comunque
Ti ringrazio per la risposta, ma i miei dubbi più che al calcolo della frequenza di taglio sono legati alla scelta di tale frequenza, soprattutto dopo quello affermato da IsidoroKZ in [2] riguardo spikes di tensione e induttanza parassita. In particolare, mi interesserebbe sapere da dove viene quel valore, come è possibile trovandomi ad esempio in una situazione simile ma con parametri diversi impostare un ragionamento per scegliere tale frequenza.
Grazie di nuovo comunque

0
voti
Ci puoi andare a ritroso: prima vedi che risposta in frequenza ti occorre, poi tutto quello che sta a frequenza più alta lo puoi tagliare.
Ti ricordo che gli spikes hanno una banda particolarmente estesa per cui il filtro più affidabile è proprio un RC, gli induttori in questo caso non vanno tanto bene.
Ti ricordo che gli spikes hanno una banda particolarmente estesa per cui il filtro più affidabile è proprio un RC, gli induttori in questo caso non vanno tanto bene.
0
voti
MarcoD ha scritto:quale è la tensione di uscita Vu ? quella ai capi dei morsetti +- che è un cortocircuito virtuale?
Propriamente, ho considerato come tensione di uscita (credevo si capisse dal procedimento
la prossima volta sarò più chiaro) quella ai capi del condensatore (ovvero del parallelo
), perché per vedere gli effetti del filtro è quella che interessa.Forse se avessi ri-disegnato il circuito così sarei stato più esplicito:

Ma, dovendo illustrare il mio ragionamento, ho preferito proporre uno schema che richiamasse visivamente il circuito originale
Fabio992 ha scritto: i miei dubbi più che al calcolo della frequenza di taglio sono legati alla scelta di tale frequenza, soprattutto dopo quello affermato da IsidoroKZ in [2] riguardo spikes di tensione e induttanza parassita. In particolare, mi interesserebbe sapere da dove viene quel valore, come è possibile trovandomi ad esempio in una situazione simile ma con parametri diversi impostare un ragionamento per scegliere tale frequenza.
Quando mi ritrovo a dover progettare qualsiasi circuito, di solito io parto dalle specifiche in mio possesso, determino cosa devono fare le "celle" che mi servono e poi passo alla progettazione circuitale.
Nel caso che ti interessa, per esempio, credo che potresti:
1 - Stimare l'induttanza parassita valutando il comportamento del componente in condizioni note, come proposto qui
2 - Dato il modello del tuo resistore, analizzare la sua deviazione rispetto al comportamento ideale
3 - Identificare il tipo di filtro che ti serve (nel caso analizzato, gli ingegneri della Microchip hanno determinato la necessità di un filtro passa-basso)
4 - Determinare le specifiche del filtro: non basta sapere quale frequenza di taglio deve avere, perché in base alla struttura del filtro si possono avere comportamenti molto diversi. Ti propongo un semplice confronto realizzato in LTSpice tra due filtri aventi circa la stessa frequenza di taglio:

(Puoi vederla più grande qui)
Come vedi, la risposta dei due filtri è - soprattutto in fase - abbastanza diversa (al netto del fatto che sono entrambi passa-basso e che hanno la stessa frequenza di taglio). Inoltre, se andassimo ad analizzare il tutto nel dominio del tempo troveremmo anche tensioni diverse ai capi dei condensatori e altre differenze che possono avere un certo peso.
-

rugweri
5.948 2 8 13 - CRU - Account cancellato su Richiesta utente
- Messaggi: 1366
- Iscritto il: 25 nov 2016, 18:46
22 messaggi
• Pagina 1 di 3 • 1, 2, 3
Chi c’è in linea
Visitano il forum: Nessuno e 73 ospiti

Elettrotecnica e non solo (admin)
Un gatto tra gli elettroni (IsidoroKZ)
Esperienza e simulazioni (g.schgor)
Moleskine di un idraulico (RenzoDF)
Il Blog di ElectroYou (webmaster)
Idee microcontrollate (TardoFreak)
PICcoli grandi PICMicro (Paolino)
Il blog elettrico di carloc (carloc)
DirtEYblooog (dirtydeeds)
Di tutto... un po' (jordan20)
AK47 (lillo)
Esperienze elettroniche (marco438)
Telecomunicazioni musicali (clavicordo)
Automazione ed Elettronica (gustavo)
Direttive per la sicurezza (ErnestoCappelletti)
EYnfo dall'Alaska (mir)
Apriamo il quadro! (attilio)
H7-25 (asdf)
Passione Elettrica (massimob)
Elettroni a spasso (guidob)
Bloguerra (guerra)







