Cos'è ElectroYou | Login Iscriviti

ElectroYou - la comunità dei professionisti del mondo elettrico

Calcolare potenza complessa erogata generatore corrente

Circuiti, campi elettromagnetici e teoria delle linee di trasmissione e distribuzione dell’energia elettrica

Moderatori: Foto Utenteg.schgor, Foto UtenteIsidoroKZ

0
voti

[1] Calcolare potenza complessa erogata generatore corrente

Messaggioda Foto UtenteFlaviocnn » 28 nov 2016, 12:28

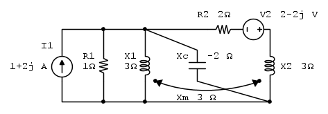
Salve a tutti ragazzi, vorrei un aiuto nella risoluzione di questo circuito, dove mi viene chiesto di calcolare la potenza complessa erogata dal generatore di corrente I1 in regime sinusoidale


Ho parecchi dubbi "stupidi", in quanto sono alle prime armi con l'elettrotecnica:
1) Il mio obiettivo è calcolare la potenza erogata, quindi , conoscendo I_1 , mi basta trovare la tensione ai suoi capi?
2) Immagino che quella mutua induttanza impedisca semplificazioni/trasformazioni serie-parallelo, giusto? Come dovrei agire? Sono davvero bloccato...

Poniamo caso che non ci fosse la mutua:
1) R_2 è in serie conX_2 no? Quindi li posso sommare in un'impedenza equivalente Z_1 = R_2+jX_2 . giusto?
2) Potrei considerare l'impedenza equivalenteZ_2 = R_1//jX_1//jX_c e poi trasformare I_1 e Z_2 in un equivalente lato Thevenin I_1*Z_2 con in serie Z_2 ?
Avatar utente
Foto UtenteFlaviocnn
8 2
 
Messaggi: 8
Iscritto il: 24 nov 2016, 18:17

3
voti

[2] Re: Calcolare potenza complessa erogata generatore corrente

Messaggioda Foto Utenteadmin » 28 nov 2016, 13:24

La mutua induttanza c'è quindi bisogna considerarla. Inutile dire cosa si farebbe se non ci fosse.
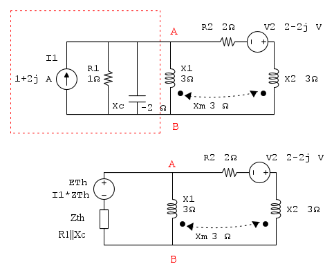
Potresti semplificare il circuito osservando che il condensatore è in parallelo ad R1
Avatar utente
Foto Utenteadmin
196,6k 9 12 17
Manager
Manager
 
Messaggi: 11951
Iscritto il: 6 ago 2004, 13:14

-1
voti

[3] Re: Calcolare potenza complessa erogata generatore corrente

Messaggioda Foto UtenteFlaviocnn » 28 nov 2016, 15:30

Ok, intanto grazie. Adesso quello che mi interessa è trovare la tensione V_{AB} che mi servirà per il calcolo della potenza A = V_{AB} * \overline{I_1} , giusto?
Posso procedere con il metodo degli anelli, considerando la corrente d'anello nella maglia interna di sinistra, e quella esterna (nella maglia interna di destra non conviene perché passa per due induttori accoppiati) ?


E quindi calcolare J_1, per poi ottenere V_{AB} come J_1* jX_1 ?
Avatar utente
Foto UtenteFlaviocnn
8 2
 
Messaggi: 8
Iscritto il: 24 nov 2016, 18:17

1
voti

[4] Re: Calcolare potenza complessa erogata generatore corrente

Messaggioda Foto Utenteadmin » 28 nov 2016, 15:31

OK
Avatar utente
Foto Utenteadmin
196,6k 9 12 17
Manager
Manager
 
Messaggi: 11951
Iscritto il: 6 ago 2004, 13:14

0
voti

[5] Re: Calcolare potenza complessa erogata generatore corrente

Messaggioda Foto UtenteFlaviocnn » 28 nov 2016, 16:33

Purtroppo credo che non mi risulta... o non era "Ok" il procedimento o ci siamo fraintesi.. :cry:
Ho proceduto così:
1) Applico il metodo degli anelli prendendo, come sopra, la corrente J_0 esterna e J_1 interna
2) Scrivo il sistema risolvente:
\begin{cases} (Z_{Th}+jX_2+R_2)J_0 + (-Z_{Th}-jX_m)J_1 = -V_{Th} -V_2 \\ (-Z_{Th}-jX_m)J_0 + (Z_{Th}+jX_1)J_1 = V_{Th} \end{cases}
3) Risolvo il sistema con Cramer trovando J_1
4) A_I = V_{AB}* \overline{I} = J_1*jX_1* \overline{I}

cosa sbaglio? #-o
Avatar utente
Foto UtenteFlaviocnn
8 2
 
Messaggi: 8
Iscritto il: 24 nov 2016, 18:17

1
voti

[6] Re: Calcolare potenza complessa erogata generatore corrente

Messaggioda Foto Utenteadmin » 28 nov 2016, 18:33

Niente
Avatar utente
Foto Utenteadmin
196,6k 9 12 17
Manager
Manager
 
Messaggi: 11951
Iscritto il: 6 ago 2004, 13:14

0
voti

[7] Re: Calcolare potenza complessa erogata generatore corrente

Messaggioda Foto UtenteMarcoPane » 19 lug 2017, 22:45

Scusa Admin, ma come mai ste risposte così striminzite?
Avatar utente
Foto UtenteMarcoPane
0 1
 
Messaggi: 1
Iscritto il: 10 lug 2017, 17:22

5
voti

[8] Re: Calcolare potenza complessa erogata generatore corrente

Messaggioda Foto Utenteadmin » 20 lug 2017, 0:04

Foto UtenteMarcoPane, rispondere alla tua domanda di esordio nel famoso forum di Electroyou non è facile, perché è molto profonda e coinvolge molti aspetti della personalità dell'interessato, nonché stati d'animo, impegni esterni al forum, riflessioni sul mondo reale e su quello virtuale che lasciano il tempo che trovano, se lo trovano.
Forse perché non c'è nulla da aggiungere ad un SI che chiede se il cavallo bianco di Napoleone è bianco o ad un NO a quella se la tensione si misura in ampere.
Ma potrebbe essere anche una provocazione per domande come la tua, una specie di esperimento per vedere se qualcuno legge le risposte, se le comprende, se le apprezza o le disprezza.
C'è anche da considerare che sono già passati otto mesi e potrei aver dimenticato il vero motivo delle risposte. Dovrei rileggere il topic, immergermi di nuovo nell'argomento e potrei non averne molta voglia. Sono perciò costretto a fare ipotesi, magari quelle che avresti potuto fare anche tu.
Mi rendo conto che sto arrampicandomi sugli specchi, del resto il terreno è scivoloso ed ambiguo.
Ad ogni modo per insegnare qualcosa non solo a me ma a tutti quelli che leggeranno questo topic potresti, Foto UtenteMarcoPane, mostrare tu come avrebbero dovuto essere le risposte.
La realtà comunque è questa e tu, Foto UtenteMarcoPane, l'hai messa in evidenza, ahimé!
Avatar utente
Foto Utenteadmin
196,6k 9 12 17
Manager
Manager
 
Messaggi: 11951
Iscritto il: 6 ago 2004, 13:14

0
voti

[9] Re: Calcolare potenza complessa erogata generatore corrente

Messaggioda Foto Utentejayeffe » 21 lug 2017, 16:24

Provo a darti una mano io, visto che anche a me serve come esercizio.
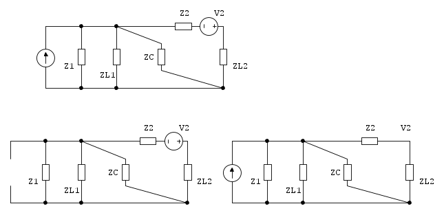
Insomma, usando la sovrapposizione degli effetti hai 2 circuiti di cui, il primo ha generatore di corrente spento e il secondo ha generatore di tensione spento.

La potenza io la calcolo cosi' \overline{S}=\frac1{2}{\overline{ V}  \overline  {   I}}^*

Dove I^* è il coniugato del fasore I.

Detto questo, ricaviamo la V in entrambi i circuiti.

Per il primo circuito(g.c spento)
Ho messo in parallelo Z1 // ZL1 // ZC e tale resistenza equivalente l'ho chiamata Zeq1
ho fatto poi un partitore di tensioneV_J-V_2\frac{Zeq1}{Zeq1+Z2+Z_L2}

Poi per il secondo circuito ho messo in serie Z2 +ZL_2 e poi ho calcolato tutti i paralleli che ci sono.
A questo punto ho calcolato anche qui
V_j=Z_eqI

Il segno sarà positivo se usi questi versi qui. (nulla ti vieta di cambiare i versi)




A questo punto sovrapponi gli effetti della V e applichi
\overline{S}=\frac1{2}{\overline{ V}  \overline  {   I}}^* dove avrai un P+J_q
che saranno rispettivamente, potenza attiva e reattiva.

Ovviamente suppongo che i generatori abbiano la stessa frequenza.. per questo motivo sono andato a sovrapporre i fasori e da li ho calcolato la potenza.
Diversamente dovremmo aprire un altro discorso e la cosa si fa lunga. :roll:



Avatar utente
Foto Utentejayeffe
51 1 3 7
Frequentatore
Frequentatore
 
Messaggi: 299
Iscritto il: 27 apr 2017, 15:28


Torna a Elettrotecnica generale

Chi c’è in linea

Visitano il forum: Nessuno e 339 ospiti