da
MarkyMark » 28 nov 2016, 21:08
ciao,
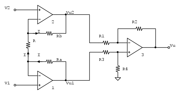
lo schema di un amplificatore da strumentazione con tre operazionali è il seguente
Supponiamo di avere gli operazionali in linearità quindi tensioni differenziali di ingresso nulle e correnti di ingresso nulle.
La resistenza

è sottoposta alla tensione

quindi

La corrente

è la stessa che scorre anche in

e in

quindi

è la tensione che va in ingresso all'amplificatore differenziale.
Puoi provare tu a ricavare il guadagno dell'amplificatore differenziale.
SPOILER ALERT!!
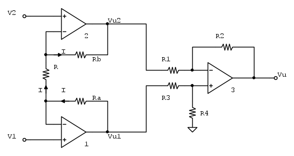
Non è complicato se usi la sovrapposizione degli effetti sul seguente circuito
