Cos'è ElectroYou | Login Iscriviti

ElectroYou - la comunità dei professionisti del mondo elettrico

info rapid fire mouse n555es

Tipologie, strumenti di sviluppo, hardware e progetti

Moderatore: Foto UtentePaolino

0
voti

[21] Re: info rapid fire mouse n555es

Messaggioda Foto UtenteWALTERmwp » 29 nov 2016, 0:13

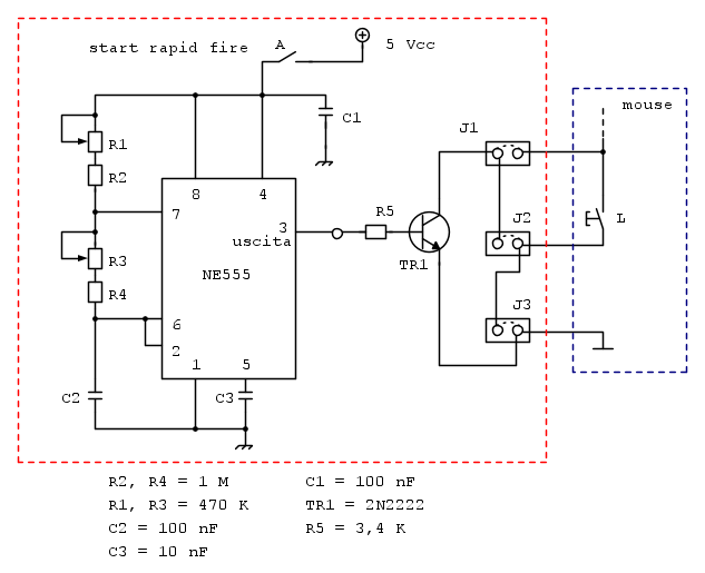
Intanto potresti considerare questo, se poi mi è sfuggito qualcosa lo faranno notare gli altri:

In base al circuito si presuppone che la caduta di tensione sul TR1 in saturazione possa essere trascurabile per il circuito del mouse (semplificando, approssimabile a un cc, anche se non lo è).
Se non dovesse funzionare col TR1 si potrebbe pensare al relè reed come aveva accennato @claudiocedrone.

t1 è il tempo(periodo) di carica del condensatore mentre t2 il tempo(periodo) di scarica.
Il periodo t1 coinciderebbe con la pressione del pulsante del mouse, il periodo t2 al rilascio.
Trasformi i valori delle resistenze in Ohm, quello del condensatore in Farad e vedi cosa salta fuori: il valore che ottieni è espresso in secondi.
Considera che:
t1=0.693 (R1+R2+R3+R4)C2
e
t2=0.693 (R3+R4)C2

Non sapendo esattamente come potresti/vorresti modificare il mouse ho riportato i jumper J1, J2 e J3, secondo te che funzione hanno ?

Saluti
W - U.H.F.
Avatar utente
Foto UtenteWALTERmwp
30,2k 4 8 13
G.Master EY
G.Master EY
 
Messaggi: 8990
Iscritto il: 17 lug 2010, 18:42
Località: le 4 del mattino

0
voti

[22] Re: info rapid fire mouse n555es

Messaggioda Foto Utenteenkenk » 29 nov 2016, 13:00

grazie ottimo lavoro ora posso iniziare !
volevo sapere , siccome non è che ne capisco molto di elettronica
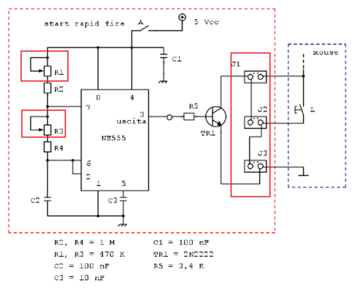
cosa sono R1 e R3 cioè che tipo di resistenze sono ? anno 3 poli ?
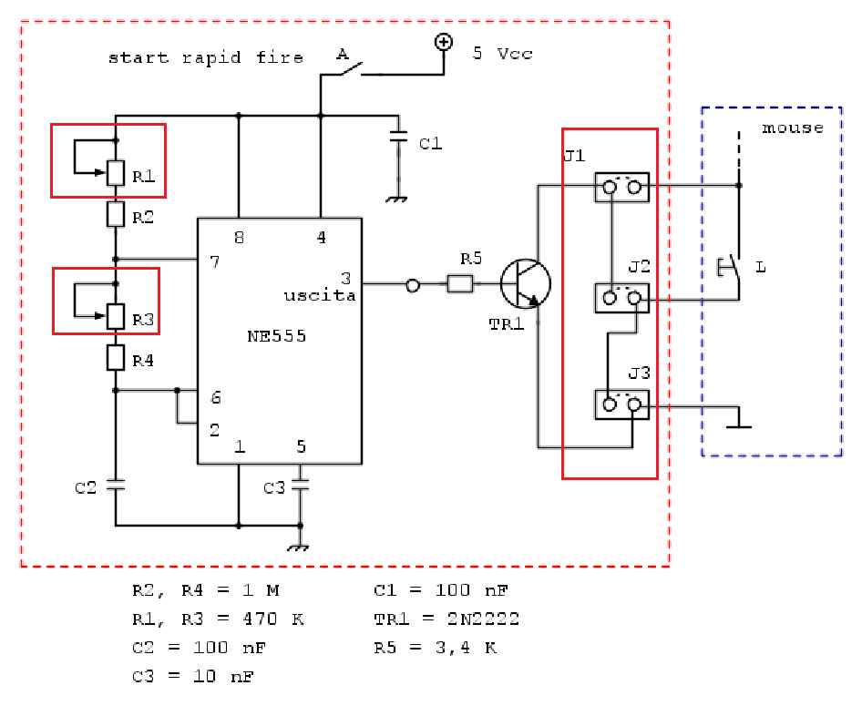
i jumper sono normali ponticelli ho e un tipo di relè ?
io volevo mettere anche un doppio deviatore per controllare sia il circuito che il mouse .
Allegati
fffgfgfg.png
Avatar utente
Foto Utenteenkenk
6 2
 
Messaggi: 31
Iscritto il: 30 gen 2013, 0:46

0
voti

[23] Re: info rapid fire mouse n555es

Messaggioda Foto Utenteclaudiocedrone » 29 nov 2016, 13:36

:-) R1 e R3 sono trimmer, resistori variabili (tipo i potenziometri) hanno tre terminali (uno dei quali in questa applicazione va cortocircuitato col "cursore") e servono appunto a variare il valore di R1 e R3 per regolarti la tempistica dell'astabile (da cui uscirà un'onda rettangolare per mandare alternativamente in conduzione e interdizione il transistor); i jumper sono "ponticelli" movibili allo scopo di poter variare le connessioni del circuito. O_/
"Non farei mai parte di un club che accettasse la mia iscrizione" (G. Marx)
Avatar utente
Foto Utenteclaudiocedrone
21,3k 4 7 9
Master EY
Master EY
 
Messaggi: 15302
Iscritto il: 18 gen 2012, 13:36

0
voti

[24] Re: info rapid fire mouse n555es

Messaggioda Foto UtenteWALTERmwp » 29 nov 2016, 14:02

enkenk ha scritto:grazie ottimo lavoro ora posso iniziare ! (...)
no, non hai risposto alla domanda ...

Saluti
W - U.H.F.
Avatar utente
Foto UtenteWALTERmwp
30,2k 4 8 13
G.Master EY
G.Master EY
 
Messaggi: 8990
Iscritto il: 17 lug 2010, 18:42
Località: le 4 del mattino

0
voti

[25] Re: info rapid fire mouse n555es

Messaggioda Foto Utenteclaudiocedrone » 29 nov 2016, 14:07

:-) Forse perché... non sa la risposta :mrgreen: ; piuttosto scusa Walter, io non ho idea dell'assorbimento di corrente dell'accrocchio, pensi ce la farà la USB del PC a far funzionare il tutto ? (dubbio già espresso in precedenza). O_/
"Non farei mai parte di un club che accettasse la mia iscrizione" (G. Marx)
Avatar utente
Foto Utenteclaudiocedrone
21,3k 4 7 9
Master EY
Master EY
 
Messaggi: 15302
Iscritto il: 18 gen 2012, 13:36

0
voti

[26] Re: info rapid fire mouse n555es

Messaggioda Foto UtenteWALTERmwp » 30 nov 2016, 1:48

claudiocedrone ha scritto:(...) pensi ce la farà la USB del PC a far funzionare il tutto ? (...)
non ho guardato il datasheet del mouse, il circuitino non dovrebbe "pesare" più di tanto, confido non sia una condizione limite.
Per contenere i consumi, per il 555, meglio la versione cmos, tipo LMC555.
Piuttosto, per @enkenk, non so che confidenza hai con lo stagno, però ti suggerirei, una volta assemblato, di provarlo prima senza collegarlo al topolino, utilizzando una alimentazione indipendente, anche una pila da 9 V va bene.
Invece, per quanto riguarda i jumper(s), devi chiudere solo uno dei tre per utilizzare il mouse come preferisci (presupposto venga chiuso l'interruttore A):
j1 == funziona solo il rapid fire, il tasto sinistro è come se non ci fosse
j2 == usi il tasto sinistro del mouse per abilitare il rapid fire
j3 == usi il tasto sinistro del mouse come se non ci fosse il rapid fire

Saluti
W - U.H.F.
Avatar utente
Foto UtenteWALTERmwp
30,2k 4 8 13
G.Master EY
G.Master EY
 
Messaggi: 8990
Iscritto il: 17 lug 2010, 18:42
Località: le 4 del mattino

0
voti

[27] Re: info rapid fire mouse n555es

Messaggioda Foto Utenteclaudiocedrone » 30 nov 2016, 2:11

:-) Si, ecco, il 555 cmos per contenere i consumi, quello che "mi preoccupa" non è tanto l'assorbimento del circuito aggiuntivo ma quanto possa o meno influire sul funzionamento del mouse che essendo USB negozia con la mainboard la corrente che gli serve (non intendendomene non ne ho idea)... nel caso la dovesse inficiare occorrerebbe aggiungere una fonte di alimentazione autonoma (batteria);
Altra cosa: suggerirei di escludere la prima ipotesi (solo rapid fire) e sostituire i due jumper "residui" con un doppio deviatore rendendone il comando accessibile esternamente, in modo da ottenere effettivamente un "gaming mouse con funzione rapid fire" senza dovere aprirlo ogni volta per selezionare il funzionamento desiderato :mrgreen: O_/
"Non farei mai parte di un club che accettasse la mia iscrizione" (G. Marx)
Avatar utente
Foto Utenteclaudiocedrone
21,3k 4 7 9
Master EY
Master EY
 
Messaggi: 15302
Iscritto il: 18 gen 2012, 13:36

0
voti

[28] Re: info rapid fire mouse n555es

Messaggioda Foto UtenteWALTERmwp » 30 nov 2016, 2:24

claudiocedrone ha scritto:(...) e sostituire i due jumper "residui" con un doppio deviatore rendendone il comando accessibile esternamente (...)
si, in alternativa può mettere dei dip-switch, "diciamo" che è tutto nelle sue mani ...

Saluti
W - U.H.F.
Avatar utente
Foto UtenteWALTERmwp
30,2k 4 8 13
G.Master EY
G.Master EY
 
Messaggi: 8990
Iscritto il: 17 lug 2010, 18:42
Località: le 4 del mattino

0
voti

[29] Re: info rapid fire mouse n555es

Messaggioda Foto Utenteclaudiocedrone » 30 nov 2016, 2:27

WALTERmwp ha scritto: ...suggerirei, una volta assemblato, di provarlo prima senza collegarlo al topolino, utilizzando una alimentazione indipendente...

:-) Giustissimo ma... come lo prova senza collegarlo al mouse ? Non può certo collegarlo al PC :mrgreen: , servirebbe magari pilotarci un LED, ammesso che la massima rapidità del rapid fire voluta non superi i sette o otto colpi al secondo, altrimenti lo vedrebbe sempre acceso... O_/
"Non farei mai parte di un club che accettasse la mia iscrizione" (G. Marx)
Avatar utente
Foto Utenteclaudiocedrone
21,3k 4 7 9
Master EY
Master EY
 
Messaggi: 15302
Iscritto il: 18 gen 2012, 13:36

0
voti

[30] Re: info rapid fire mouse n555es

Messaggioda Foto UtenteWALTERmwp » 30 nov 2016, 13:31

claudiocedrone ha scritto::-) Giustissimo ma... come lo prova senza collegarlo al mouse ? (...)
insomma @claudiocedrone, continui a "rubare" le domande allo OP ...

Saluti
W - U.H.F.
Avatar utente
Foto UtenteWALTERmwp
30,2k 4 8 13
G.Master EY
G.Master EY
 
Messaggi: 8990
Iscritto il: 17 lug 2010, 18:42
Località: le 4 del mattino

PrecedenteProssimo

Torna a Realizzazioni, interfacciamento e nozioni generali.

Chi c’è in linea

Visitano il forum: Nessuno e 18 ospiti