Cos'è ElectroYou | Login Iscriviti

ElectroYou - la comunità dei professionisti del mondo elettrico

Led on-off ( FLIP FLOP SR)

Elettronica lineare e digitale: didattica ed applicazioni

Moderatori: Foto Utentecarloc, Foto Utenteg.schgor, Foto UtenteBrunoValente, Foto UtenteIsidoroKZ

0
voti

[1] Led on-off ( FLIP FLOP SR)

Messaggioda Foto UtenteJinzo » 30 nov 2016, 11:24

buongiorno ragazzi, io avrei bisogno di realizzare un circuito con flip flop SR con due soli pulsanti, in modo tale da riuscire ad accendere e spegnere un led ad ogni pigiata di pulsante, usando solo porte nand/nor.
Credo che l'obiettivo (non sono troppo sicuro) sia quello di trovare una costruzione alternativa della porta xor/xnor tramite i nand, il problema è che non riesco proprio a capire dove inserire il flip flop per tenere memorizzata un'informazione dopo che ho dato l'input col pulsante. :^o

se non sono stato chiaro quotate, grazie
Avatar utente
Foto UtenteJinzo
0 2
 
Messaggi: 9
Iscritto il: 29 nov 2016, 12:32

1
voti

[2] Re: Led on-off ( FLIP FLOP SR)

Messaggioda Foto Utenteelfo » 30 nov 2016, 20:23

Jinzo ha scritto: circuito con flip flop SR con due soli pulsanti, in modo tale da riuscire ad accendere e spegnere un led ad ogni pigiata di pulsante, usando solo porte nand/nor.

viewtopic.php?f=1&t=66560

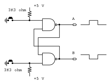
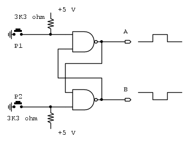
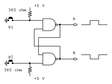
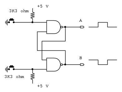
Sostituisci il commutatore con due pulsanti cablati verso massa e collegati ai due ingressi del flip/flop S/R
Avatar utente
Foto Utenteelfo
6.819 4 5 7
G.Master EY
G.Master EY
 
Messaggi: 2828
Iscritto il: 15 lug 2016, 13:27

0
voti

[3] Re: Led on-off ( FLIP FLOP SR)

Messaggioda Foto UtenteJinzo » 1 dic 2016, 11:30

Sostituisci il commutatore con due pulsanti cablati verso massa e collegati ai due ingressi del flip/flop S/R


Non ho trovato risposte, voglio che il led rimanga acceso dopo che ho schiacciato il pulsante, ad ogni pigiata voglio che venga modificato lo stato precedente.
credo che l'obiettivo sia di implementare un flip flop all'interno di una xor/xnor.

Devo utilizzare solo porte nand/nor :roll:
no transistor [-X
Avatar utente
Foto UtenteJinzo
0 2
 
Messaggi: 9
Iscritto il: 29 nov 2016, 12:32

1
voti

[4] Re: Led on-off ( FLIP FLOP SR)

Messaggioda Foto Utenteg.schgor » 1 dic 2016, 11:55

Con un solo pulsante non puoi usare un SR-FlipFlop
Se non vuoi usare T-FlipFlop devi realizzare un
circuito seuenziale ome indicato qui
(vedi: Un altro esempio)
Avatar utente
Foto Utenteg.schgor
57,8k 9 12 13
G.Master EY
G.Master EY
 
Messaggi: 16971
Iscritto il: 25 ott 2005, 9:58
Località: MILANO

0
voti

[5] Re: Led on-off ( FLIP FLOP SR)

Messaggioda Foto Utenteelfo » 1 dic 2016, 11:56

Jinzo ha scritto: flip flop SR con due soli pulsanti, in modo tale da riuscire ad accendere e spegnere un led ad ogni pigiata di pulsante, usando solo porte nand/nor.

elfo ha scritto:viewtopic.php?f=1&t=66560

Sostituisci il commutatore con due pulsanti cablati verso massa e collegati ai due ingressi del flip/flop S/R


Jinzo ha scritto:Non ho trovato risposte, voglio che il led rimanga acceso dopo che ho schiacciato il pulsante, ad ogni pigiata voglio che venga modificato lo stato precedente.
[cut]
Devo utilizzare solo porte nand/nor :roll:
no transistor [-X

viewtopic.php?f=1&t=66560
post n 4

Avatar utente
Foto Utenteelfo
6.819 4 5 7
G.Master EY
G.Master EY
 
Messaggi: 2828
Iscritto il: 15 lug 2016, 13:27

0
voti

[6] Re: Led on-off ( FLIP FLOP SR)

Messaggioda Foto UtenteJinzo » 1 dic 2016, 12:27

2 pulsanti
Avatar utente
Foto UtenteJinzo
0 2
 
Messaggi: 9
Iscritto il: 29 nov 2016, 12:32

0
voti

[7] Re: Led on-off ( FLIP FLOP SR)

Messaggioda Foto UtenteJinzo » 1 dic 2016, 12:53

Rimossa citazione integrale del post [5]; leggi le regole del forum, si citano solo le parti salienti, non tutto il testo.

S | R | A | B | (led collegato su A)
0 0 1 1 (led on)
1 0 0 1 (led off)
1 1 0 1 (led off)
0 1 1 0 (led on)

da come si nota passando da (1-0) a (1-1) la mia situazione rimane invariata, io voglio che varii.
in poche parole voglio led on/off in (0-0) (1-1), o viceversa su (1-0) (0-1)
:shock:
Avatar utente
Foto UtenteJinzo
0 2
 
Messaggi: 9
Iscritto il: 29 nov 2016, 12:32

0
voti

[8] Re: Led on-off ( FLIP FLOP SR)

Messaggioda Foto UtenteBrunoValente » 1 dic 2016, 13:21

Jinzo ha scritto:buongiorno ragazzi, io avrei bisogno di realizzare un circuito con flip flop SR con due soli pulsanti, in modo tale da riuscire ad accendere e spegnere un led ad ogni pigiata di pulsante, usando solo porte nand/nor...
se non sono stato chiaro quotate, grazie

E sì, per me non sei stato chiaro.

Lascia stare gli uno e gli zero e spiegati meglio: prima scrivi che vuoi farlo con due pulsanti, che farebbe supporre un circuito bistabile set-reset, poi lasci intendere che invece vuoi farlo con un solo pulsante che una volta accende e che una volta spegne.
Avatar utente
Foto UtenteBrunoValente
39,6k 7 11 13
G.Master EY
G.Master EY
 
Messaggi: 7796
Iscritto il: 8 mag 2007, 14:48

0
voti

[9] Re: Led on-off ( FLIP FLOP SR)

Messaggioda Foto UtenteJinzo » 1 dic 2016, 14:02

E sì, per me non sei stato chiaro.

Lascia stare gli uno e gli zero e spiegati meglio: prima scrivi che vuoi farlo con due pulsanti, che farebbe supporre un circuito bistabile set-reset, poi lasci intendere che invece vuoi farlo con un solo pulsante che una volta accende e che una volta spegne.


mi spiego meglio, quando i due pulsanti sono collegati in ingresso entrambi a lv basso/alto voglio che il led sia spento.

con pulsanti in ingresso liv (alto-basso / basso alto) voglio il led acceso.

se non avete capito, voglio che il led si accenda/spenga ad ogni pigiata di uno dei due pulsanti e che lo stato precedente rimanga memorizzato quando tolgo il dito dal pulsante
Avatar utente
Foto UtenteJinzo
0 2
 
Messaggi: 9
Iscritto il: 29 nov 2016, 12:32

0
voti

[10] Re: Led on-off ( FLIP FLOP SR)

Messaggioda Foto Utenteelfo » 1 dic 2016, 14:19

Pigi P1: A va alto (il led si accende) e rimane alto (se era gia' alto rimane alto)
Pigi P2: A va basso (I led si spenge) e rimane basso (se era gia basso rimane basso)
Avatar utente
Foto Utenteelfo
6.819 4 5 7
G.Master EY
G.Master EY
 
Messaggi: 2828
Iscritto il: 15 lug 2016, 13:27

Prossimo

Torna a Elettronica generale

Chi c’è in linea

Visitano il forum: Nessuno e 76 ospiti