Utilizzando un D-FlipFlop
il problema del LED inizialmente acceso
può essere evitato con l'inizializzazione
del FF stesso.
Rimane da fare una semplice logica
che determini la memorizzazione
dell'ultimo pulsante utilizzato.
Led on-off ( FLIP FLOP SR)
Moderatori:
carloc,
g.schgor,
BrunoValente,
IsidoroKZ
29 messaggi
• Pagina 3 di 3 • 1, 2, 3
0
voti
Mi pare che
claudiocedrone intenda estendere questo funzionamento ad ogni cambiamento di stato, sia da spento ad acceso che da acceso a spento, infatti all'inizio specifica che il circuito può partire sia da spento che da acceso
Poi parla sempre di cambiamento di stato senza specificare quale, quindi pare intenda entrambi i tipi.
Riassumendo io l'ho capito così:
1) All'accensione il led può presentarsi spento o acceso.
2) La prima manovra per fargli cambiare stato ha effetto sia se eseguita da A che da B.
3) La seconda manovra per farlo tornare allo stato che aveva all'accensione ha effetto solo se eseguita dal pulsante utilizzato precedentemente.
4) Le terza manovra per fargli di nuovo cambiare stato va come al punto 2 ecc..
Ma, come ho detto sopra, così il funzionamento è condizionato da come parte e non mi pare possa servire a qualcosa.
claudiocedrone ha scritto:... Il circuito deve avere due pulsanti, A e B, e un LED; inizi indifferentemente con LED acceso o spento..
Poi parla sempre di cambiamento di stato senza specificare quale, quindi pare intenda entrambi i tipi.
claudiocedrone ha scritto:premi il pulsante A e il LED cambia stato oppure premi il pulsante B e il LED cambia stato; poi per cambiare nuovamente lo stato del LED vuoi che ciò accada esclusivamente premendo nuovamente il medesimo pulsante (A oppure B) che avevi premuto precedentemente, mentre se premi l'altro pulsante che non avevi premuto prima non deve accadere nulla (il LED non cambia il suo stato)...
Riassumendo io l'ho capito così:
1) All'accensione il led può presentarsi spento o acceso.
2) La prima manovra per fargli cambiare stato ha effetto sia se eseguita da A che da B.
3) La seconda manovra per farlo tornare allo stato che aveva all'accensione ha effetto solo se eseguita dal pulsante utilizzato precedentemente.
4) Le terza manovra per fargli di nuovo cambiare stato va come al punto 2 ecc..
Ma, come ho detto sopra, così il funzionamento è condizionato da come parte e non mi pare possa servire a qualcosa.
-

BrunoValente
39,6k 7 11 13 - G.Master EY

- Messaggi: 7796
- Iscritto il: 8 mag 2007, 14:48
0
voti

"Non farei mai parte di un club che accettasse la mia iscrizione" (G. Marx)
-

claudiocedrone
21,3k 4 7 9 - Master EY

- Messaggi: 15302
- Iscritto il: 18 gen 2012, 13:36
0
voti
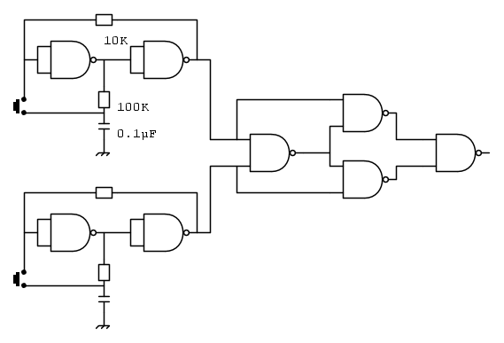
così forse?
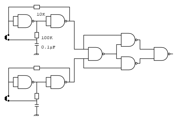
I 4 gates a destra, tradizionalmente servono a realizzare uno xor con mezzi di fortuna;
in ingresso allo xor ho aggiunto 2 toggle.
All'accensione sull'uscita dovrebbe, salvo errori, realizzarsi un livello basso che muterebbe
alternativamente ad ogni pulsantata.
I 4 gates a destra, tradizionalmente servono a realizzare uno xor con mezzi di fortuna;
in ingresso allo xor ho aggiunto 2 toggle.
All'accensione sull'uscita dovrebbe, salvo errori, realizzarsi un livello basso che muterebbe
alternativamente ad ogni pulsantata.
0
voti
ma non credo che vada bene questo circuito
tonnoto, perhè a quanto sembra l'OP vuole che il pulsante che fa la prima funzione, sia solo quello a fare la seconda.
Speriamo che ci delucidi maggiormente e in modo chiaro come lo vuole

Speriamo che ci delucidi maggiormente e in modo chiaro come lo vuole

Alex
https://www.facebook.com/Elettronicaeelettrotecnica
<< vedi di pigliare arditamente in mano, il dizionario che ti suona in bocca,
se non altro è schietto e paesano.
(Giuseppe Giusti) <<
https://www.facebook.com/Elettronicaeelettrotecnica
<< vedi di pigliare arditamente in mano, il dizionario che ti suona in bocca,
se non altro è schietto e paesano.
(Giuseppe Giusti) <<
1
voti
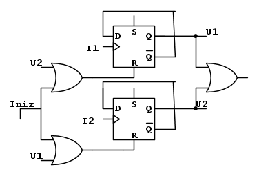
Propongo questo
I1 e I2 sono gli ingressi (opportunamente
filtrati com antirimbalzo) e l'uscita (U1+I2)
il comando LED. E' previsto un impulso di
inizializzazione (Iniz) per resettare i FF
all'atto dell'alimentazione.
I1 e I2 sono gli ingressi (opportunamente
filtrati com antirimbalzo) e l'uscita (U1+I2)
il comando LED. E' previsto un impulso di
inizializzazione (Iniz) per resettare i FF
all'atto dell'alimentazione.
0
voti
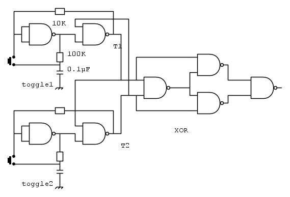
così?
all'accensione T1, T2 sono alti e toggle1 e toggle2 sono abilitati.
Se toggle1 è azionato, T1 va basso disabilitando toggle2 e forzando T2 alto; quindi solo toggle1 potrà
ripetere l'operazione.
all'accensione T1, T2 sono alti e toggle1 e toggle2 sono abilitati.
Se toggle1 è azionato, T1 va basso disabilitando toggle2 e forzando T2 alto; quindi solo toggle1 potrà
ripetere l'operazione.
0
voti
Forse non mi sono spiegato: i link ad immagini NON sono ammessi, si puo` allegare l'immagine al testo oppure MEGLIO fare lo schema con fidocadj
Fai lo schema con fidocadj, cosi` si capisce che cosa volevi!
Ho risolto ragazzi, scusate se non riesco ad esprimermi bene, sono un novellino, cercate di capire.. scusate ancora
Fai lo schema con fidocadj, cosi` si capisce che cosa volevi!
Ho risolto ragazzi, scusate se non riesco ad esprimermi bene, sono un novellino, cercate di capire.. scusate ancora
1
voti
Il circuito che hai postato, e che ho rimosso, non funziona, hai una corsa critica, se va bene oscilla!
Per usare proficuamente un simulatore, bisogna sapere molta più elettronica di lui
Plug it in - it works better!
Il 555 sta all'elettronica come Arduino all'informatica! (entrambi loro malgrado)
Se volete risposte rispondete a tutte le mie domande
Plug it in - it works better!
Il 555 sta all'elettronica come Arduino all'informatica! (entrambi loro malgrado)
Se volete risposte rispondete a tutte le mie domande
29 messaggi
• Pagina 3 di 3 • 1, 2, 3
Chi c’è in linea
Visitano il forum: Google Adsense [Bot] e 53 ospiti

Elettrotecnica e non solo (admin)
Un gatto tra gli elettroni (IsidoroKZ)
Esperienza e simulazioni (g.schgor)
Moleskine di un idraulico (RenzoDF)
Il Blog di ElectroYou (webmaster)
Idee microcontrollate (TardoFreak)
PICcoli grandi PICMicro (Paolino)
Il blog elettrico di carloc (carloc)
DirtEYblooog (dirtydeeds)
Di tutto... un po' (jordan20)
AK47 (lillo)
Esperienze elettroniche (marco438)
Telecomunicazioni musicali (clavicordo)
Automazione ed Elettronica (gustavo)
Direttive per la sicurezza (ErnestoCappelletti)
EYnfo dall'Alaska (mir)
Apriamo il quadro! (attilio)
H7-25 (asdf)
Passione Elettrica (massimob)
Elettroni a spasso (guidob)
Bloguerra (guerra)








