Cos'è ElectroYou | Login Iscriviti

ElectroYou - la comunità dei professionisti del mondo elettrico

Dubbio metodi anelli/nodi

Elettronica lineare e digitale: didattica ed applicazioni

Moderatori: Foto Utentecarloc, Foto Utenteg.schgor, Foto UtenteBrunoValente, Foto UtenteIsidoroKZ

0
voti

[1] Dubbio metodi anelli/nodi

Messaggioda Foto UtenteFab996 » 15 dic 2016, 0:08

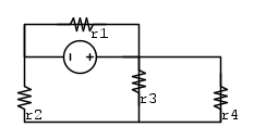
In questo circuito

Ho un generatore di corrente in serie con un resistore e il prof ci ha detto che quando scriviamo la matrice dei coefficiente la relativa conduttanza del resistore in serie si deve omettere, quindi ottengo questa matrice dei coefficienti.
\begin{bmatrix} G_{2} &-G_{2} &0 \\ -G_{2}&G_{2}+G_{3}+G_{4} &-G_{4} \\ 0& -G_{4} &G_{4}+G_{5} \end{bmatrix} e il risultato mi torna.
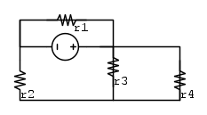
Però in quest'altro circuito

ossia il duale di quello precedente generatore di tensione in parallelo con resistore se applico il metodo questa volta degli anelli in senso orario senza considerare la resistenza in parallelo al generatore di tensione la matrice associata è
\begin{bmatrix} R_{2}+R_{3} &-R_{3} \\ -R_{3}& R_{3}+R_{4} \end{bmatrix}
Però quando a vado a calcolare la corrente che scorre lungo il generatore non mi torna...
Avatar utente
Foto UtenteFab996
13 6
Frequentatore
Frequentatore
 
Messaggi: 100
Iscritto il: 8 giu 2016, 15:36

2
voti

[2] Re: Dubbio metodi anelli/nodi

Messaggioda Foto UtenteMarkyMark » 16 dic 2016, 15:29

ciao,
conosco il metodo dei nodi, non quello delle maglie. Provo a dire la mia (dopo un rapido studio su wikipedia :D ). Prendo in prestito il tuo circuito e lo ingrandisco un po' :-) .



Scrivendo la matrice 2x2 come hai fatto trovi le due correnti I_A e I_B. Per calcolare la corrente nel generatore devi tenere conto della corrente I_C che puoi calcolare con la legge di Ohm
I_C = - \frac{E}{R_1}

I_E = I_A - I_C

Se vuoi fare tutto con la matrice puoi scrivere

\begin{bmatrix}
R_2+R_3 & -R_3 & 0\\ 
-R_3 & R_3 + R_4& 0\\ 
0 & 0 & R1
\end{bmatrix} \cdot \begin{bmatrix}
I_A\\ 
I_B\\ 
I_C
\end{bmatrix} = \begin{bmatrix}
E\\ 
0\\ 
-E
\end{bmatrix}

dove l'ultima riga rappresenta l'equazione della corrente I_C vista prima.
Io ho provato a mettere dei numeri e il risultato sembra giusto.
Ti consiglio di dare dei valori (inventati) ai componenti e provare a fare i conti.
O_/
mark
Avatar utente
Foto UtenteMarkyMark
3.422 2 5 6
Master EY
Master EY
 
Messaggi: 518
Iscritto il: 11 giu 2016, 12:01

1
voti

[3] Re: Dubbio metodi anelli/nodi

Messaggioda Foto UtenteIsidoroKZ » 17 dic 2016, 1:10

Fab996 ha scritto:Ho un generatore di corrente in serie con un resistore e il prof ci ha detto che quando scriviamo la matrice dei coefficiente la relativa conduttanza del resistore in serie si deve omettere,

...ossia il duale di quello precedente generatore di tensione in parallelo con resistore se applico il metodo questa volta degli anelli in senso orario senza considerare la resistenza in parallelo al


Se vuoi considerare che una resistenza in parallelo a un generatore di tensione e` il duale di un generatore di corrente con in serie una resistenza, allora devi anche usare il metodo duale di soluzione, non correnti alle maglie ma potenziali ai nodi. In questo caso la resistenza parallela al generatore di tensione non entra nel calcolo delle tensioni ai nodi.
Per usare proficuamente un simulatore, bisogna sapere molta più elettronica di lui
Plug it in - it works better!
Il 555 sta all'elettronica come Arduino all'informatica! (entrambi loro malgrado)
Se volete risposte rispondete a tutte le mie domande
Avatar utente
Foto UtenteIsidoroKZ
121,2k 1 3 8
G.Master EY
G.Master EY
 
Messaggi: 21059
Iscritto il: 17 ott 2009, 0:00

0
voti

[4] Re: Dubbio metodi anelli/nodi

Messaggioda Foto UtenteFab996 » 18 dic 2016, 21:58

IsidoroKZ ha scritto:
Se vuoi considerare che una resistenza in parallelo a un generatore di tensione e` il duale di un generatore di corrente con in serie una resistenza, allora devi anche usare il metodo duale di soluzione, non correnti alle maglie ma potenziali ai nodi. In questo caso la resistenza parallela al generatore di tensione non entra nel calcolo delle tensioni ai nodi.


Però allora perché quando ho una resistenza in serie con un generatore di corrente applico il metodo nodi senza considerare la resistenza ? Col il tuo ragionamento dovrei utilizzare il metodo duale ossia metodo anelli...
Avatar utente
Foto UtenteFab996
13 6
Frequentatore
Frequentatore
 
Messaggi: 100
Iscritto il: 8 giu 2016, 15:36

1
voti

[5] Re: Dubbio metodi anelli/nodi

Messaggioda Foto UtenteMarkyMark » 19 dic 2016, 9:02

Foto UtenteFab996 ha scritto:...perché quando ho una resistenza in serie con un generatore di corrente applico il metodo nodi senza considerare la resistenza ?


Primo circuito

Metodo dei nodi
In questo caso bisogna usare il metodo dei nodi modificato in quanto non tutti i rami sono trasformabili in un equivalente Norton. Si aggiunge una incognita (la corrente che scorre nel generatore di tensione) quindi serve una equazione in più: si usa l'equazione costitutiva del generatore di tensione. Essendo il nodo D collegato a uno dei terminali del generatore di tensione lo scegliamo come riferimento per evitare di introdurre supernodi o altre cose strane :D .



Si fa il bilancio delle correnti per ogni nodo usando le tensioni nodali come incognite:

Nodo A
I_g+I_E+ \frac{V_{BA}}{R_2} = 0

Nodo B
\frac{V_{BA}}{R_2} + \frac{V_B}{R_3} + \frac{V_{BC}}{R_4} = 0

Nodo C
I_g + \frac{V_{CB}}{R_4} + \frac{V_C}{R_5} = 0

Usiamo l'equazione aggiuntiva
V_A = E

\left\{\begin{matrix}
G_2 V_A & -G_2 V_B &  & = I_g + I_E\\ 
-G_2 V_A & (G_2 + G_3 + G_4)V_B & -G_4 V_C & =0\\ 
 & -G_4 V_B & (G_4 + G_5)V_C & = -I_g\\ 
 &  & V_A & = E
\end{matrix}\right.

Scriviamo in forma matriciale

\begin{bmatrix}
G_2 & -G_2 & 0 & -1\\ 
-G_2 & (G_2 + G_3 + G_4) & -G_4 & 0\\ 
0 & -G_4 & (G_4 + G_5) & 0\\ 
1 & 0 & 0 & 0
\end{bmatrix}
\cdot
\begin{bmatrix}
V_A\\ 
V_B\\ 
V_C\\ 
I_E
\end{bmatrix}
=
\begin{bmatrix}
I_g\\ 
0\\ 
-I_g\\ 
E
\end{bmatrix}

Come puoi vedere la resistenza R_1 non compare nella matrice. La colonna del termine noto è composta dalle correnti nei nodi ma la corrente I_g che entra nel nodo A ed esce dal nodo B non dipende dalla resistenza. :-)
mark
Avatar utente
Foto UtenteMarkyMark
3.422 2 5 6
Master EY
Master EY
 
Messaggi: 518
Iscritto il: 11 giu 2016, 12:01

2
voti

[6] Re: Dubbio metodi anelli/nodi

Messaggioda Foto UtenteIsidoroKZ » 19 dic 2016, 14:04

Se poi invece bisogna fare i conti semplici, perche' si e` durante un esame, si scrivono solo le due equazioni dei nodi B e C, in cui l'incognita e` VB e VC,

Nodo B
\frac{V_{B}-E}{R_2} + \frac{V_B}{R_3} + \frac{V_{B}-V_C}{R_4} = 0

Dove E e` un dato e quindi un termine noto e si ha

\frac{V_{B}}{R_2} + \frac{V_B}{R_3} + \frac{V_{B}-V_C}{R_4} = \frac{E}{R_2}

Nodo C
I_g + \frac{V_{C}-V_B}{R_4} + \frac{V_C}{R_5} = 0

Ig e` anche lui un termine noto e va a destra

\frac{V_{C}-V_B}{R_4} + \frac{V_C}{R_5} = -I_g

A questo punto si hanno due equazioni in due incognite e si risolvono in fretta. POI, separatamente, si calcolano le correnti ed eventualmente la tensione ai capi di Ig, e per questo conto serve il valore di R1
Per usare proficuamente un simulatore, bisogna sapere molta più elettronica di lui
Plug it in - it works better!
Il 555 sta all'elettronica come Arduino all'informatica! (entrambi loro malgrado)
Se volete risposte rispondete a tutte le mie domande
Avatar utente
Foto UtenteIsidoroKZ
121,2k 1 3 8
G.Master EY
G.Master EY
 
Messaggi: 21059
Iscritto il: 17 ott 2009, 0:00

0
voti

[7] Re: Dubbio metodi anelli/nodi

Messaggioda Foto UtenteMarkyMark » 20 dic 2016, 7:35

Me stesso ha scritto:Scriviamo in forma matriciale....


...oppure eviti di fare il figo e risolvi con due sole equazioni :mrgreen: (vedi risposta di Foto UtenteIsidoroKZ).

Il metodo dei nodi è quasi sempre sconveniente se si devono fare i conti a mano (si può usare se il sistema è al massimo 3x3). La matrice che ho scritto (non proprio quella, bisogna girare la corrente nel generatore di tensione) si usa quando si devono risolvere i circuiti con un software. La matrice dei coefficienti si può scrivere per ispezione e, definendo le correnti nei generatori di tensione con la convenzione degli utilizzatori, è sempre simmetrica.



\begin{bmatrix}
G_2 & -G_2 & 0 & 1\\ 
-G_2 & (G_2 + G_3 + G_4) & -G_4 & 0\\ 
0 & -G_4 & (G_4 + G_5) & 0\\ 
1 & 0 & 0 & 0
\end{bmatrix}
\cdot
\begin{bmatrix}
V_A\\ 
V_B\\ 
V_C\\ 
I_E
\end{bmatrix}
=
\begin{bmatrix}
I_g\\ 
0\\ 
-I_g\\ 
E
\end{bmatrix}
mark
Avatar utente
Foto UtenteMarkyMark
3.422 2 5 6
Master EY
Master EY
 
Messaggi: 518
Iscritto il: 11 giu 2016, 12:01

1
voti

[8] Re: Dubbio metodi anelli/nodi

Messaggioda Foto UtenteIsidoroKZ » 20 dic 2016, 8:32

MarkyMark ha scritto:La matrice dei coefficienti si può scrivere per ispezione e, definendo le correnti nei generatori di tensione con la convenzione degli utilizzatori, è sempre simmetrica.


...se non ci sono generatori pilotati. Quando ci sono transistori, o in generale generatori pilotati, la simmetria viene persa. Ci sono dei modi per scrivere comunque by inspection la matrice delle ammettenze, ma sono piu` complicati.
Per usare proficuamente un simulatore, bisogna sapere molta più elettronica di lui
Plug it in - it works better!
Il 555 sta all'elettronica come Arduino all'informatica! (entrambi loro malgrado)
Se volete risposte rispondete a tutte le mie domande
Avatar utente
Foto UtenteIsidoroKZ
121,2k 1 3 8
G.Master EY
G.Master EY
 
Messaggi: 21059
Iscritto il: 17 ott 2009, 0:00

0
voti

[9] Re: Dubbio metodi anelli/nodi

Messaggioda Foto UtenteMarkyMark » 20 dic 2016, 9:39

Ma...non ci sono transistori a elettrotecnica! :D

Scherzi a parte, dal corso di circuiti (che ho seguito l'anno scorso) ricordo che è pericoloso applicare i metodi by inpection quando ci sono generatori pilotati. O_/
mark
Avatar utente
Foto UtenteMarkyMark
3.422 2 5 6
Master EY
Master EY
 
Messaggi: 518
Iscritto il: 11 giu 2016, 12:01


Torna a Elettronica generale

Chi c’è in linea

Visitano il forum: Nessuno e 78 ospiti