Ecco il secondo gruppo di esercizi:
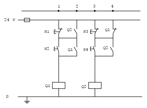
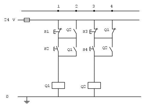
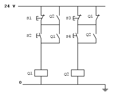
D9 nello schema elettrico seguente,il contattore Q2:
a)si può eccitare solo se Q1 è eccitato
b)si può eccitare solo se Q1 è diseccitato
c)non rimane autoalimentato se Q1 è eccitato
d)non si può mai eccitare
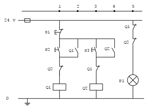
D10 Nello schema elettrico seguente, la lampada di segnalazione P1:
a)si accende con Q1eccitato e Q2 diseccitato
b)si accende con Q1 e Q2 diseccitati
c)si accende con Q1 diseccitato e Q2 eccitato
d)si accende con Q1 e Q2 eccitati
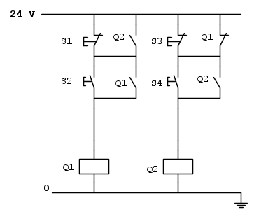
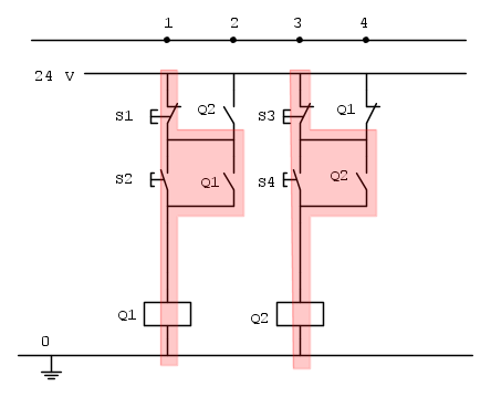
D11Nello schema elettrico seguente:
a)Q1 si può eccitare con Q2 eccitato
b)Q2 si può diseccitare con Q1 eccitato
c)Q1 e Q2 non si possono eccitare contemporaneamente
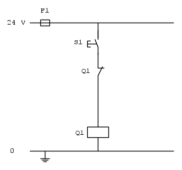
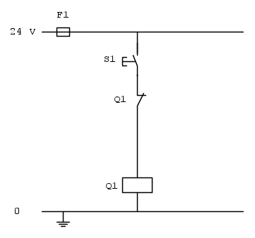
D12 dato il seguente schema elettrico,premendo S1:
a)Q1 si eccita e si autoalimenta
b)si verifica una vibrazione della parte mobile del nucleo del contattore
c)Q1 si eccita e rimane eccitato finché si mantiene premuto il pulsante S1
d)Q1 rimane diseccitato
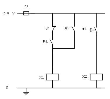
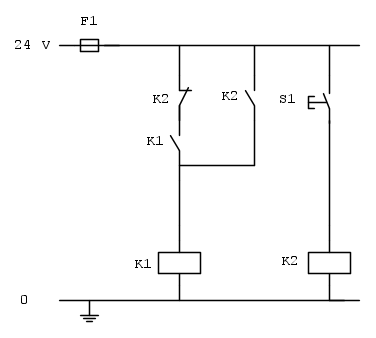
D13 dato il seguente schema elettrico:
a)K1 si eccita e rimane eccitato finché il pulsante è premuto
b)K1 si eccita e si autoalimenta
c)K1 non si eccita mai
Esercizi Libro Barezzi Impianti elettrici industriali 2
Moderatori:
sebago,
MASSIMO-G,
lillo,
Mike
11 messaggi
• Pagina 1 di 2 • 1, 2
0
voti
Le mie risposte, correggetemi se sbaglio(speriamo di averci azzeccato):
D9 - b)
D10- b)
D11- c)
D12- d)
D13- a)
D9 - b)
D10- b)
D11- c)
D12- d)
D13- a)
Il blog degli impianti
di enea pacini - firenze
di enea pacini - firenze
1
voti
D9 - b) -ok
D10- b)-ok
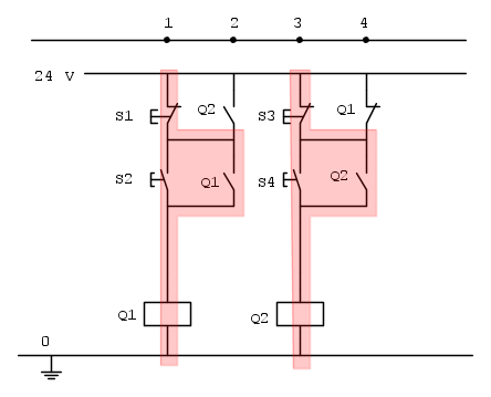
D11- c)- vedi disegno
D12- d) -ok
D13- a) -ok
D11
D10- b)-ok
D11- c)- vedi disegno
D12- d) -ok
D13- a) -ok
D11
0
voti
Grazie Mir!... scusa però non capisco ...la tua evidenziazione...
Sono indipendenti ?
il contatto NO di Q2 al punto due e il contato NC di Q1 al punto 4 non hanno nessun valore?
Sono indipendenti ?
il contatto NO di Q2 al punto due e il contato NC di Q1 al punto 4 non hanno nessun valore?
Il blog degli impianti
di enea pacini - firenze
di enea pacini - firenze
1
voti
il contatto di NO di Q2 in derivazione al pulsante di stop S1, lo bypassa quando Q2 è eccitato pertanto controlla lo stato di stop di Q1 anche lo stato di Q2, viceversa vale il discorso per il contatto NC di Q1 in derivazione sul pulsante di stop S3
0
voti
Quindi la risposta quale è?
A,B,o C?
A,B,o C?
Ultima modifica di
mir il 16 dic 2016, 12:07, modificato 1 volta in totale.
Motivazione: Eliminato quote inutile, per rispondere utilizzare il tasto "Rispondi" e non il tasto "Cita". Grazie.
Motivazione: Eliminato quote inutile, per rispondere utilizzare il tasto "Rispondi" e non il tasto "Cita". Grazie.
-

gabrisav
1.852 2 4 7 - Expert EY

- Messaggi: 1711
- Iscritto il: 13 set 2015, 18:26
- Località: Borgosatollo (Bs)
0
voti
gabrisav ha scritto:Quindi la risposta quale è? A,B,o C?
La domanda allo schema D11
era:
a)Q1 si può eccitare con Q2 eccitato
b)Q2 si può diseccitare con Q1 eccitato
c)Q1 e Q2 non si possono eccitare contemporaneamente
osservando lo schema si può rispondere: a) si ,è possibile eccitare Q1 con Q2 eccitato; b) si,è possibile diseccitare Q2 con Q1 eccitato; c) NO, a meno di premere contemporaneamente i pulsanti di start S2-S4.
1
voti
Fedib ha scritto:posso chiedervi perché nei circuiti di comando viene collegato a terra lo 0 ?
Se tutte le masse sono collegate al circuito di protezione, pertanto compresa quella del circuito di alimentazione di comando,si possono rilevare eventuali guasti di isolamento verso massa attraverso le protezioni di massima corrente,ed evitare malfunzionamenti per guasto verso terra; la norma di riferimento è la CEI 44-5.
1
voti
Grazie infinite Mir per l'aiuto e la pazienza! 

Il blog degli impianti
di enea pacini - firenze
di enea pacini - firenze
11 messaggi
• Pagina 1 di 2 • 1, 2
Torna a Impianti, sicurezza e quadristica
Chi c’è in linea
Visitano il forum: Google Adsense [Bot] e 66 ospiti

Elettrotecnica e non solo (admin)
Un gatto tra gli elettroni (IsidoroKZ)
Esperienza e simulazioni (g.schgor)
Moleskine di un idraulico (RenzoDF)
Il Blog di ElectroYou (webmaster)
Idee microcontrollate (TardoFreak)
PICcoli grandi PICMicro (Paolino)
Il blog elettrico di carloc (carloc)
DirtEYblooog (dirtydeeds)
Di tutto... un po' (jordan20)
AK47 (lillo)
Esperienze elettroniche (marco438)
Telecomunicazioni musicali (clavicordo)
Automazione ed Elettronica (gustavo)
Direttive per la sicurezza (ErnestoCappelletti)
EYnfo dall'Alaska (mir)
Apriamo il quadro! (attilio)
H7-25 (asdf)
Passione Elettrica (massimob)
Elettroni a spasso (guidob)
Bloguerra (guerra)












