Cos'è ElectroYou | Login Iscriviti

ElectroYou - la comunità dei professionisti del mondo elettrico

Esercizio sul trifase

Elettronica lineare e digitale: didattica ed applicazioni

Moderatori: Foto Utentecarloc, Foto Utenteg.schgor, Foto UtenteBrunoValente, Foto UtenteIsidoroKZ

0
voti

[1] Esercizio sul trifase

Messaggioda Foto UtenteFab996 » 18 dic 2016, 22:47

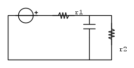
Dato questo circutio

con queste specifiche, V_{eff}=220 V,R_{1}=100m\Omega,R_{2}=1k\Omega,C=\frac{10}{314}\mu F,\omega=314rad/s,quindi le relative impedenze sonoe z_{R1}=100m\Omega,z_{R2}=1k\Omega,z_{c}=\frac{-j}{10}\mu Fdevo calcolare il modulo della corrente i sul condensatore centrale.
Passo a stella quindi R_{2}=\frac{1000}{3}.Poi siccome il carico è simmetrico ed equilibrato scompatto il circuito in monofase e ottegno

Applico il metodo degli anelli in senso orario e ottengo:
\begin{bmatrix} Z_{R1}+Z_{C} &-Z_{C} \\ -Z{C}&Z_{R2}+Z_{C} \end{bmatrix}\begin{bmatrix} I_{1}\\ I_{2} \end{bmatrix}=\begin{bmatrix} V_{eff}\\ 0 \end{bmatrix}.
Quindi sostituendo i numeri viene il seguente sistema:
\left\{\begin{matrix} (0,1-100000j)I_{1} &+100000jI_{2} &=220 \\ -100000jI_{1} & (\frac{1000}{3}-100000j)I_{2} &= 0 \end{matrix}\right.
Ottenendo come risultati I_{1}=-0.00000183+0.0011j,I_{2}=-0.00000183-0.0011j
Non continuo in quanto penso che il risultato al quale sto arrivando sia errato..
Avatar utente
Foto UtenteFab996
13 6
Frequentatore
Frequentatore
 
Messaggi: 100
Iscritto il: 8 giu 2016, 15:36

0
voti

[2] Re: Esercizio sul trifase

Messaggioda Foto Utenteadmin » 18 dic 2016, 22:59

Per quale motivo dovrebbe essere errato?
(Nella matrice comunque per -Z_C hai messo due segni diversi)
Avatar utente
Foto Utenteadmin
196,6k 9 12 17
Manager
Manager
 
Messaggi: 11950
Iscritto il: 6 ago 2004, 13:14

0
voti

[3] Re: Esercizio sul trifase

Messaggioda Foto UtenteCarloCoriolano » 18 dic 2016, 23:08

Premesso che la Zc che hai calcolato e` tutta sbagliata (uF?), ragionando col pallottolliere, la Zc sara` molto piu` alta del valore di R2. Molto. R1 e` parecchi ordini di grandezza inferiore ad R2, quindi dara` un contributo trascurabile per la prima stima, ossia, una c.d.t. insignificante. Quindi, restano 220 V rapportati ad una Zc dalle parti del 10^5
Avatar utente
Foto UtenteCarloCoriolano
1.446 3 4 7
---
 
Messaggi: 1023
Iscritto il: 24 mag 2016, 13:08

0
voti

[4] Re: Esercizio sul trifase

Messaggioda Foto UtenteFab996 » 18 dic 2016, 23:13

admin ha scritto:(Nella matrice comunque per -Z_C hai messo due segni diversi)

Ah si mi è sfuggito, allora i risultati sarebbero I_{1}=0.65+0.002j,I_{2}=-065+6.59*10^{-7}j, quindi i=I_{1}-I_{2}=1.30+0.002j, quindi il modulo è i=1.30, però è calcolata sulla prima linea, come la calcolo sulla seconda linea? Da quanto ho capito il modulo rimane lo stesso, ma devo aggiungere lo sfasamento di 120 gradi, come lo aggiungo ?
Ultima modifica di Foto UtenteFab996 il 18 dic 2016, 23:24, modificato 1 volta in totale.
Avatar utente
Foto UtenteFab996
13 6
Frequentatore
Frequentatore
 
Messaggi: 100
Iscritto il: 8 giu 2016, 15:36

0
voti

[5] Re: Esercizio sul trifase

Messaggioda Foto Utentenunziato » 18 dic 2016, 23:16

z_{c}=\frac{-j}{10}\mu F

Attenzione: quella è una impedenza e si misura in \Omega e non in \mu F
Avatar utente
Foto Utentenunziato
4.291 3 9 12
Master EY
Master EY
 
Messaggi: 531
Iscritto il: 14 dic 2012, 23:14
Località: Acri (CS) - Polistena (RC)

0
voti

[6] Re: Esercizio sul trifase

Messaggioda Foto UtenteFab996 » 18 dic 2016, 23:18

CarloCoriolano ha scritto:Premesso che la Zc che hai calcolato e` tutta sbagliata (uF?)

Ho calcolato zc in questo modo C=\frac{-j}{\frac{10\omega}{314}\mu}=>\frac{-j}{0.00001}=>-10000j, dove \mu è micro e \omega=314
Avatar utente
Foto UtenteFab996
13 6
Frequentatore
Frequentatore
 
Messaggi: 100
Iscritto il: 8 giu 2016, 15:36

0
voti

[7] Re: Esercizio sul trifase

Messaggioda Foto UtenteFab996 » 18 dic 2016, 23:20

nunziato ha scritto:
z_{c}=\frac{-j}{10}\mu F

Attenzione: quella è una impedenza e si misura in \Omega e non in \mu F

Ah grazie della svista :D
Avatar utente
Foto UtenteFab996
13 6
Frequentatore
Frequentatore
 
Messaggi: 100
Iscritto il: 8 giu 2016, 15:36

0
voti

[8] Re: Esercizio sul trifase

Messaggioda Foto UtenteCarloCoriolano » 18 dic 2016, 23:21

Di sviste ce ne sono anche in [6], da non fare assolutamente in un corso universitario, ma almeno il modulo di Zc finalmente e` piu` ragionevole.
Avatar utente
Foto UtenteCarloCoriolano
1.446 3 4 7
---
 
Messaggi: 1023
Iscritto il: 24 mag 2016, 13:08

0
voti

[9] Re: Esercizio sul trifase

Messaggioda Foto Utentenunziato » 18 dic 2016, 23:28

Se: C=\frac{10}{314}\mu F e \omega =314 \ rad/s l'impedenza risulta

Z_C= -j\frac{1}{\omega C}=-j\frac{1}{314\cdot \frac{10}{314}\cdot 10^{-6}}=-j\frac{1}{10^{-5}}=-j10^{5}\Omega


NOTA:
Corretto errore di calcolo su Z_C
Avatar utente
Foto Utentenunziato
4.291 3 9 12
Master EY
Master EY
 
Messaggi: 531
Iscritto il: 14 dic 2012, 23:14
Località: Acri (CS) - Polistena (RC)

0
voti

[10] Re: Esercizio sul trifase

Messaggioda Foto UtenteFab996 » 18 dic 2016, 23:29

CarloCoriolano ha scritto:Di sviste ce ne sono anche in [6], da non fare assolutamente in un corso universitario, ma almeno il modulo di Zc finalmente e` piu` ragionevole.

Non capisco quale sia l'errore scusa z_{c}=\frac{-j}{\omega c}=>\frac{-j}{314(\frac{10}{314}\mu)}=>\frac{-j}{0.00001}=>-100000j
Avatar utente
Foto UtenteFab996
13 6
Frequentatore
Frequentatore
 
Messaggi: 100
Iscritto il: 8 giu 2016, 15:36

Prossimo

Torna a Elettronica generale

Chi c’è in linea

Visitano il forum: Google [Bot], Google Adsense [Bot] e 38 ospiti