ho casualmente (ma non troppo) bruciato una lampada cfl della nuova germany
26W,6400K, 230V,50hz
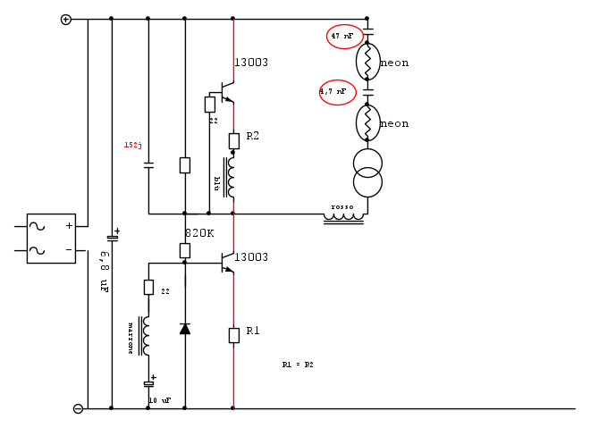
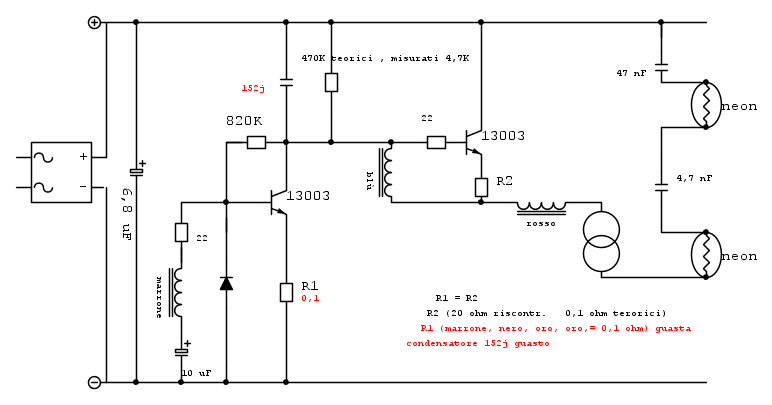
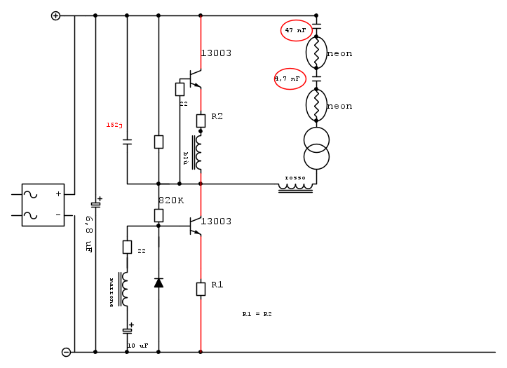
ho sviluppato lo schema del PCB con fcd
in rosso i componenti non funzionanti
come potete notare, ho trovato il condensatore 152j guasto
la resistenza 1 dai colori marrone nero oro oro non funzionante
la resistenza 2 identica che funziona ma che ha dei valori diversi da quelli di identificazione
e una resistenza con colori giallo, viola, giallo, oro,( 470K) con valore misurato di 4,7k
non ditemi che devo cannibalizzarla perché non lo faccio anche se costa solo 2€
ho cercato su internet uno schema di questa marca, ma non si riesce a trovare
per questo motivo ho deciso di disegnarlo
se oltre a dei suggerimenti , si vuole descrivere il suo funzionamento
sarebbe interessante


Elettrotecnica e non solo (admin)
Un gatto tra gli elettroni (IsidoroKZ)
Esperienza e simulazioni (g.schgor)
Moleskine di un idraulico (RenzoDF)
Il Blog di ElectroYou (webmaster)
Idee microcontrollate (TardoFreak)
PICcoli grandi PICMicro (Paolino)
Il blog elettrico di carloc (carloc)
DirtEYblooog (dirtydeeds)
Di tutto... un po' (jordan20)
AK47 (lillo)
Esperienze elettroniche (marco438)
Telecomunicazioni musicali (clavicordo)
Automazione ed Elettronica (gustavo)
Direttive per la sicurezza (ErnestoCappelletti)
EYnfo dall'Alaska (mir)
Apriamo il quadro! (attilio)
H7-25 (asdf)
Passione Elettrica (massimob)
Elettroni a spasso (guidob)
Bloguerra (guerra)









