Ho sbagliato i calcoli oppure è normale che io mi trovi una parte reale e devo semplicemente eliminarla una volta giunto al risultato ? Scusate per la domanda magari banale , grazie
Moderatori:
g.schgor,
IsidoroKZ
. AleSof ha scritto:@Admin Si è quello che intendevo , prendo la tua risposta come un : hai sbagliato i calcoli ? :)
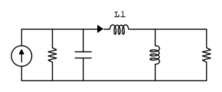
AleSof ha scritto:@IsidoroKZ Sono passato al circuito di impedenze , ho trovato la corrente che scorre attraverso l'induttore con un partitore di corrente e serie-parallelo . Dopodiché ho :.
Occhio all'asterisco!
Torna a Elettrotecnica generale
Visitano il forum: Nessuno e 126 ospiti