MarcoD ha scritto:
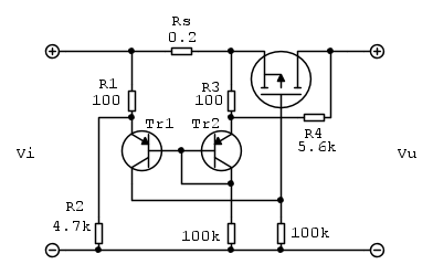
Ho dimensionato i valori sulle correnti della simulazione di Isidoro.
R3 e R4 sono dimensionati in modo approssimato.
Ho impostato una I in R3 e R4 di 1 mA molto maggiore della corrente Ib in T2.
Potrebbe anche funzionare attorno a 500 mA
Non ho calcolato la Iu in funzione di Vu; potrei provare ad farlo in Excel.
Il funzionamento del circuito dovrebbe essere meno sensibile alle variazioni di beta di T2.
Il circuito funzionerà meglio o solo in modo diverso?![]()
Complementi a BrunoValente per il suo circuito e a Theremino per le considerazioni.
Ho provato il tuo nuovo circuito e si comporta esattamente come hai previsto. L'influenza della variazione di Beta di Q2 si riduce quasi a zero. Però il risultato finale cambia di poco perché il beta di Q2 influisce solo in minima parte sulla variazione del punto di scatto.
Le mie condizioni di prova sono sempre "medie", uso realisticamente i minimi e i massimi che ho sui cassettini, cioè quelli misurati da una cinquantina di esemplari e che "di solito" capita di avere. E non i minimi e massimi dei data sheet come nei post di IsidoroKZ. Noi pensiamo sempre a realizzazioni fai da te quindi se un circuito ogni tanto è fuori caratteristiche non importa a nessuno, lo si corregge e via. Oppure a realizzazioni cinesi dove se ne capitano alcuni di scarto importa anche meno, finiscono in una scatola e forse un giorno qualcuno li correggerà.
Per cui per questo circuito uso sempre le seguenti condizioni di test:
* Beta di Q1 (PNP) da 100 a 150
* Beta di Q2 (NPN) da 300 a 400
* Temperatura da 0 a 50 gradi
Con queste condizioni il circuito originale variava il punto di scatto da 400 a 820 mA circa, il tuo migliora leggermente la stabilità rispetto alle variazioni di beta e il punto di scatto varia da 390 a 740 mA circa. C'è un miglioramento ma non cambia sostanzialmente le cose. Li si devono sempre provare uno per uno per essere sicuri che non siano troppo fuori caratteristiche. Fortunatamente la gran parte (potenza della gaussiana) stanno nel mezzo.
Comunque, anche se si potesse essere sicuri rispetto alla variazione di Beta, non consiglierei a nessuno di usare (o di spedire a qualcuno) un circuito senza averlo provato. E provandoli si scopre che gran parte dei difetti arrivano da tutt'altra parte che dai componenti fuori caratteristiche. Spesso sono componenti posizionati male, a volte sono i ceramici SMD che si rompono meccanicamente, altre volte i componenti mancano proprio (devono essere caduti durante il pick and place).
Concludendo, perché non provi LTSpice così hai le risposte in 10 secondi invece di attendere che io le provi? Usarlo è veramente facile, fai doppio click sul file ASC preparato da IsidoroKZ, cambi qualche valore, premi RUN e vedi subito la curva, cambi il valore di nuovo e vedi subito come è cambiata...

Elettrotecnica e non solo (admin)
Un gatto tra gli elettroni (IsidoroKZ)
Esperienza e simulazioni (g.schgor)
Moleskine di un idraulico (RenzoDF)
Il Blog di ElectroYou (webmaster)
Idee microcontrollate (TardoFreak)
PICcoli grandi PICMicro (Paolino)
Il blog elettrico di carloc (carloc)
DirtEYblooog (dirtydeeds)
Di tutto... un po' (jordan20)
AK47 (lillo)
Esperienze elettroniche (marco438)
Telecomunicazioni musicali (clavicordo)
Automazione ed Elettronica (gustavo)
Direttive per la sicurezza (ErnestoCappelletti)
EYnfo dall'Alaska (mir)
Apriamo il quadro! (attilio)
H7-25 (asdf)
Passione Elettrica (massimob)
Elettroni a spasso (guidob)
Bloguerra (guerra)













pigreco]=π




