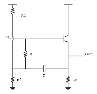
Continuando a studiare "The art of electronics", mi sono imbattuto in questo circuito:
E ho provato a studiarne l'impedenza d'ingresso, dato che il bootstrapping dovrebbe servire proprio ad "aumentarla" alle frequenze del segnale d'ingresso.
Per tale impedenza, ho determinato:

Dove
e
è il gain dell'emitter follower.A questo punto, ovviamente, dovrei determinare il gain suddetto... bene, il libro propone
, dove
è la resistenza intrinseca dell'emettitore: sembra che trascuri del tutto la corrente che scorre in
. Il risultato che ottengo io è diverso: io scrivo (considerando un "piccolo segnale" in ingresso):
Da cui si ricava:

Sbaglio qualcosa?

Elettrotecnica e non solo (admin)
Un gatto tra gli elettroni (IsidoroKZ)
Esperienza e simulazioni (g.schgor)
Moleskine di un idraulico (RenzoDF)
Il Blog di ElectroYou (webmaster)
Idee microcontrollate (TardoFreak)
PICcoli grandi PICMicro (Paolino)
Il blog elettrico di carloc (carloc)
DirtEYblooog (dirtydeeds)
Di tutto... un po' (jordan20)
AK47 (lillo)
Esperienze elettroniche (marco438)
Telecomunicazioni musicali (clavicordo)
Automazione ed Elettronica (gustavo)
Direttive per la sicurezza (ErnestoCappelletti)
EYnfo dall'Alaska (mir)
Apriamo il quadro! (attilio)
H7-25 (asdf)
Passione Elettrica (massimob)
Elettroni a spasso (guidob)
Bloguerra (guerra)











è davvero brutto... ma io mi sono limitato a seguire le direttive del testo: